百灵BL-200M是广州百灵音响技术有限公司生产的一款合并式普及型Hi-Fi功放,设计合理、制作精良、性能甚佳,具有较好的性价比。图1为其功放电路原理。

输入级
由VT1~VT3、VT13等组成差分输入电路。信号输入后先经音量电位器RP衰减调整,然后由VT1进行阻抗变换。VT1的射极负载为场效应管恒流源电路VT12,输入阻抗高、稳定性佳、隔离度好。经VT1缓冲后的信号再加到VT2、VT3差分输入级进行放大,VT2、VT3为射极恒流源差分电路,稳定性很好,共模抑制比大于60dB,提高了对微弱信号的放大能力。
电压放大级
VT4等组成共发射极单端电压放大器,集电极上的负载为VT14有源负载,该级线性好且增益高,避免了采用推挽放大电路造成的配对困难及易失真等缺点。
驱动及输出级
驱动级由VT6、VT7组成,静态电流高达70mA,工作于甲类状态,虽耗电大,但可消除交越失真,这在Hi-Fi及Hi-End功放中是常用的方法。由于VT6、VT7发热较大,它们均安装在主散热器上。VT8、VT9为输出级,采用PCM=150W的东芝音频专用大功率管2SA1943/2SC5200,静态电流设计为200mA。VT15、VT16及VT5组成偏置电路,其中VT15、VT16为超甲类偏置管,使输出级具有甲类功放的放音效果,又能大幅降低功耗。R21、R22为输出管额外提供一定的偏置,可减少交越失真和开关失真。
其他部分
VT10、VT11及R26组成恒流式基准稳压电路,由它提供有源负载的基准电压。该电路在设计时舍去了一般的稳压管电路方式,而另辟蹊径使用恒流式稳压电路,可避免稳压管可能产生的反向击穿热噪声对放大器的影响。
该机还设有反馈式音调控制电路,由直通/音调选择开关来控制。选择直通时,只接入负反馈电阻R60,使功放具有平坦的频率特性;选择音调时,反馈信号经过一阶RC网络后可分别对高音低音进行提升或衰减。
保护电路采用了NEC的μ PC1237(见图2),具有输出短路保护、过流保护、中点偏移保护、开关机静噪、过热保护等功能。
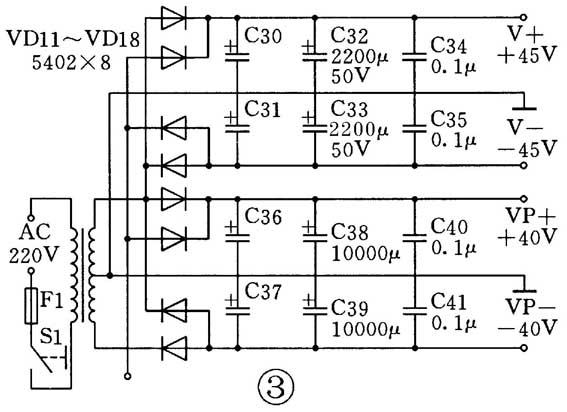
电源电压为±45V和±40V两组(见图3),其中±45V供给输入级和电压放大级,±40V供应驱动级和输出级电路。

元器件方面,所有小信号耦合和反馈均使用飞利浦专用电容,电阻为清一色的1/2W五色环金属膜电阻,小功率管使用的是东芝音响名管,驱动级及输出级管也全为日立公司和东芝公司的音响专用对管。电源变压器使用进口冷轧硅钢片精心绕制,减少了漏磁干扰。滤波电容使用了4只10000 μF的日本红宝石电解电容器,能提供高达10A的平均供电电流。
除音量电位器和音调电路外,其它所有元器件均安装在一块180mm×280mm的双面印板上,印板采用大面积屏蔽接地,进一步降低了噪声并提高了抗干扰能力。
BL-200M的面板采用6mm厚的铝板并进行拉丝工艺处理,其外观显得典雅大方,富有特色。
BL-200M的输出级采用了具有较高效率的超甲类偏置,因此其电源的功率余量较大,能为功放提供充足的能量,其中、高音细致温暖,低音的力度感好,富有弹性。
主要性能指标:
输入阻抗:25kΩ
输出功率:2×100W(8Ω),2×150W(4Ω)
负载阻抗:4~8Ω
频率响应:20Hz~20kHz±0.5dB
信噪比:≥102dB(A计权)
输入灵敏度:≤500mV(RMS)
声道分离度:≥55dB(1kHz)
音调调节范围:高音±10dB,低音
±10dB
(周兴华)