上一期提到的烟雾报警器、浊度传感器及液位传感器都是由红外发光二极管及光电二极管(或光电三极管)等组成的。在这些实例中,巧妙地利用光电二极管(或光电三极管)能否接收到红外线以及接收到红外线的多少来达到检测的目的,这一类传感器称为光电传感器。
光电传感器的应用十分普遍,这里将它们进行归类,分别介绍一些应用实例,使读者对这类传感器有一个较为全面的认识。
光电传感器的几种类型
常用的光电传感器可分为直射型(或称为透射型、对向型)和反射型两类。
1. 直射型
直射型光电传感器的特点是光电器件需对着光源放置,并在同一光轴上。为了更好地传输光线,有些传感器还增加了透镜(使它变成平行光线并聚焦,以传输更远的距离),如图1所示。
从图1可见,光源(可以是白炽灯泡、LED、激光等)发出的光通量经过透镜变成平行光,再通过透镜聚焦后照射到光电二极管上。若在两透镜之间放入被测对象,就可以根据光电二极管接受的光通量大小或有无进行检测。

例如,在浊度传感器中,光通量被吸收或散射的数量反映在光电二极管接受的光通量大小上,从而可以检测其浊度。利用这一原理还可做成溶液的浓度计、光电比色计等。
若在两透镜之间置入不透明的检测物体(或人体),则可以用来测量不透明体(成人体)的位移,若在传送带上则可对产品进行计数或进行检验。
一种防入侵的防盗报警器的工作原理如图2所示。在一个通道中设置了两个直射式光电传感器,当有盗贼挡住光路时,光电二极管VD呈高阻抗,三极管VT截止,Vo输出为高电平;当人经过传感器时,挡住光路的时间很短,则输出将是一个窄脉冲。当无盗贼经过时,两光电接收器输出都是低电平,因而与门输出也是低电平,报警电路不工作。

当人体走过上下两个光电传感器时,将输出两个脉冲(两个脉冲有一定时间差),经延时电路后,使与门输入的信号都是高电平时,则与门输出高电平,使报警电路报警。
设置两个光电传感器是为了提高它的可靠性,以避免夜间有小动物(如猫、狗)经过下光电传感器而导致误报。
由于红外线是眼睛看不见的,所以有较好的隐蔽性,若采用功率较大的红外发射管,可以有较大的警戒距离(可达几十米)。
上例仅为说明直射式光电传感器的应用原理,实际电路要比它复杂得多。
这里再举另一种高、低水位检测装置,如图3所示。投光器与受光器稍微错开一个角度安装在同一平面内,投光器上装有透镜,发出平行光,所以在无水时受光器接收不到(遮光状态),而在水面高于投光器及受光器的平面时,光射入水内产生折射,受光器就可以接收到投光器的光线。该光电传感器的水位精度可达±1mm。

这类实例还很多,如磁带终端检测(利用磁带末端的透明带部分能透光)等,这里不再一一列举。
2. 反射型
常用的反射型分为有反射镜反射型、无反射镜反射型(也称为扩散反射型)两种。
(1) 反射镜反射型
这里介绍OMRON公司创造的具有镜面抑制功能的反射镜反射型结构。它的反射镜不是平面镜,而是三角棱镜,如图4所示。投光部经横向偏光滤光镜后输出横向波,再经三角棱镜折射形成纵向波,通过纵向偏光滤光镜的受光部,被受光部接受。这样处理后,即使检测有光泽物体(如罐头食品)时,不会由于反射光而引起漏测,如图5所示。图5(a)为经镜面抑制反射后变成纵向波,经受光部的纵向偏光滤光镜后使受光部接收到反射光信号;在图5(b)中,罐头上受横向波照射,反射回去的仍是横向波,它不能通过纵向偏光滤光镜,所以受光部接收不到反射信号,不会造成漏检测。图5(c)是在传输线上对产品进行计数,有产品经过时,无反射光,根据无反射使输出电平变化。
(2) 无反射镜反射型(扩散反射型)
利用被检测物体(或人体)受光后的反射,也可检测出物体(或人体)的移动。例如,大家较熟悉的自动烘手机就是利用人手对红外线的反射使烘手机工作的。当手放在烘手机下方时,红外线被手反射,使传感器接收到红外线,启动加热器及吹风机发出热风。这种例子还有自动冲洗小便池装置、ATM夜间自动取款机的自动上电(当夜间有人站在ATM机前一定时间,红外线波反射到接收部分,ATM由“睡眠状态”被“唤醒”,可节省电能)及自动水龙头等。
在自动化生产中,需要自动化检测装置。图6是一种自动检测器件长短两个引脚安装正确性的装置。它是利用引脚反射光的有和无来检测的。图中4个光纤反射型探头(利用光纤的导光性能),分别检测两条流水线上器件长短脚安装的正确性(若安装错误,测长脚的反射型探头就会缺一个脉冲,采用检测电路即可检测出有错)。探头接收到的信号经整形、放大,输入控制器。
另一种是按反射面的反射等优劣来进行检测的。如白色的反射率最好,黑色反射率最差,利用这种反射率的差别作为检测的手段,如图7所示。探头内的电路如图8所示,黑色与白色的相对光电流也在图8中表示出来。利用这种反射率的差别,可以用作产品的计数(图9),有无密封带(图10)及有无瓶盖及标牌(图11)。这种自动化的检测装置在生产流水线上应用十分普遍。利用这种传感器也可用作条形码检测器。



应用实例
1. 物体移动方向检测电路
利用两个直射式光电传感器、整形电路及逻辑电路可以检测移动方向,电路如图12(a)所示。当物体从上到下移动或从下到上移动时,在A、B端产生两个相互错开的脉冲,如图12(b)所示。设触发器FF1和FF2的初始状态均为“0”。当物体从上向下运动时,A点正脉冲上升沿首先使FF1翻转,Q1为“1”,打开与非门G2。待B点脉冲到来时,G2输出负脉冲,通过反相器G4(out1)输出正脉冲(它表示从上到下移动)。与此同时,G3无脉冲输出。因为A脉冲到来时,G1被Q2的“0”封住,而B脉冲到来时,又马上通过G2、G5及或非门G6、G7组成的单稳态电路给两个触发器复位,也封闭了G1。
当物体从下到上移动时,B点脉冲出现在A点之前,则G3输出正脉冲(out2),如图12(b)所示。输出的脉冲可以计数和显示。
这种检测器适用于大型停车场,管理人员根据进、出车辆显示可了解车位情况。
2. 转速检测器
利用光断路器(一种直射式光电器件)可检测旋转物体的转速,如图13所示。它的电路如图14所示,将输出脉冲送到频率计,则可测出转速。读者可自行分析。
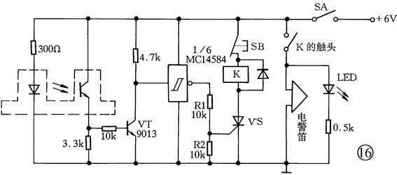
最后给出一个题目:你能否利用图13的光断路器设计一个防撬开门(或防撬开抽屉)的防盗报警器呢(包括装置及有关电路)?以下是此问题的解答,供参考。
将光断路器装在门框上或抽屉后板上,遮光片装在门上及抽屉的背后,如图15所示。当门及抽屉关好时,遮光片插入光断路器,光电三极管无光照而处于高阻抗状态。当门或抽屉被撬开,遮光片离开光断路器,光电三极管有光照而呈低阻抗状态,电路工作。
电路如图16所示。当被撬后,VT导通,输出低电平,经反相器整形输出高电平,触发可控硅(晶闸管)VS,使继电器K吸合,触头闭合,使报警器发声及LED点亮。即使盗贼进门后马上将门关上,但VS的导通,报警声不会停止。一直要按下SB后才停止。SA为上报警开关。平时SA应断开(SA应装在隐蔽处)。

(时尚)