这次无线电小组的活动,同学们再次应用CMOS十进制计数/译码集成电路组装了“双色顺序闪光灯”,在老师的辅导下,又进一步学习了译码电路和数码显示电路方面的应用知识。
同学:
您在介绍CD4017组件时说过,它的内部集成了十进制计数器和译码器两大部分。我们对计数电路已经有了初步了解,很希望您再给我们讲讲译码电路。
老师:
好。大家已经学习过计数电路,在十进制计数器中,用10个四位二进制代码分别代表0~9这10个十进制数字。但是,在电子设备中,常常需要把计数器的计数结果通过显示器件用十进制数码显示出来,这就需要通过一种电路把10个二进制代码“翻译”成10路输出信号,也就是每输入一个代码,10路输出通道中相应的一路就会有信号输出。用来实现这种逻辑功能的电路叫译码器。
同学:
译码电路一定很复杂吧?它主要由哪几部分组成的呢?
老师:
译码电路其实很简单,它主要是由与门组成的,是一种组合逻辑电路。在计数电路的8条输出线Q3、Q3——、Q2、Q2——、Q1、Q1——、Q0、Q0——上,连接着10个与门,代表0~9的每一个代码的输出信号控制着一个与门(图1)。大家知道,与门是一个条件开关,它的功能是“输入全1,输出为1”。例如,十进制数0的代码是Q3Q2Q1Q0=0000,我们从信号母线上取Q3、Q2、Q1、Q0作为与门J的输入信号,一旦十进制计数器输出的代码是“0000”时,Q3——Q2——Q1——Q0——=1111,于是与门J开启,它的输出端Y0=1。又如,十进制数5的代码是Q2Q1Q0=101,我们取Q2、Q1——、Q0作为与门E的输入信号,一旦十进制计数器输出的代码是“0101”时,Q3Q1——Q0=111,与门E开启,它的输出端Y5=1。表1是二-十进制8421代码译码器的真值表。


老师:
一个完整的电子计数装置包括计数器、译码器、驱动器和显示器等几部分电路(图2)。我们举CD4017做例子,在计数装置中,由CD4017完成了计数和译码工作,它的10条输出线Y0~Y9分别通过三极管驱动器接在辉光数码管的10个数字形阴极上(图3)。当Y0~Y9中的某一路输出高电平“1”时,与之相连的三极管就导通,相对应的数字形阴极就会发光显示。
同学:
我们还没有见到过辉光数码管,这是一种什么样的器件呢?
老师:
我带来了一个样品(图4),大家可以传着看一下。辉光数码管是一种字形重叠式气体放电显示器件。玻璃管壳内有1个公共阳极A和10个阴极K0~K9,这些阴极分别做成0、1、2、3……9的形状,彼此互相绝缘,重叠地立放在管内。当阳极与阴极之间的电压高于启辉电压时,阳极与这个阴极之间就会产生辉光放电,显示出这个阴极的字形。这种显示器件的突出优点是字形清晰,视距较长,缺点是需要供给180V的阳极电压,所以近年来应用比较少了。
同学:
我们见到比较多的是半导体发光数码管,这种显示器件怎么跟译码器连接呢?
老师:
半导体发光数码管就是常说的LED数码管,它实际上是8个发光二极管的共阴极组合(图5),其中7个发光二极管制成条形,分别用a、b、c、d、e、f、g表示,有选择地使其中若干段发光,就可以组成0~9十个数码(图6),另一个发光二极管是小数点D.P。用来驱动LED数码管的译码器叫“笔划译码器”(常用器件是CMOS集成电路CD4511)。8421二-十进制代码和笔划译码器输出状态之间的对应关系可以看这张表(表2)。大家可以看到,对输入译码器的每一个代码,对应的输出信号不是一路,而是根据组成字形的发光二极管个数,输出2~7路信号。这就相当于把一种代码变换成另一种代码,所以又管它叫“代码变换器”。请大家看这块示教板(图7),这就是采用LED数码管作显示器件的计数电路的完整组合。

同学:
CD4017有10个译码输出端Y0~Y9,怎么才能和LED数码管连接呢?
老师:
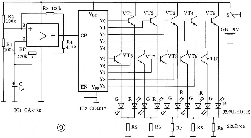
CD4017不能跟LED数码管直接相连,需要通过专用的驱动电路,请大家看这块示教板(图8),这里使用的专用驱动器是CH233,大家一看就明白了。CD4017又叫十进制计数/脉冲分配器。今天大家制作的“双色顺序闪光灯”(图9),就是作脉冲分配器应用的典型电路。运算放大器IC1组成多谐振荡器,用来产生时钟脉冲信号输入到CD4017的CP端。IC2(CD4017)对输入的方波脉冲进行计数/分配,使它的输出端Y0~Y9依次变为高电平。当Y0~Y4依次变为高电平时,三极管VT1~VT5依次导通,使得双色发光二极管中的红色(R)管芯依次点燃,形成红色流水灯序。当Y5~Y9依次变为高电平时,三极管VT6~VT10依次导通,双色发光二极管中的绿色(G)管芯依次点燃,形成绿色光序。在时钟脉冲的不断作用下,两色光带不断交替流动,十分悦目。


(宋东生)

