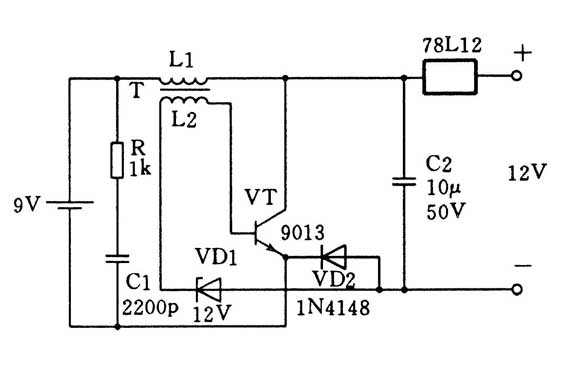
我有一台光功率计采用9V叠层电池供电,原厂另外配备了GP-30E型稳压电源一台。使用稳压电源供电过程中,光功率计一直工作正常。后携带该仪器外出工作时,用9V叠层电池竟无法开机工作,换新电池后依然如此。经检查发现稳压电源输出电压为12V,难怪9V叠层电池不能工作。为此,我把自己设计制作的9V变12V的升压电路装到仪器内部空闲处,使用至今,效果令人满意。现将该电路(见附图)介绍给读者。电路中L可用CATV器件中的高频小磁环绕制。初级6匝,次级11匝。三端稳压器可选用78L12,其他元器件参数已标在图中,无需调试,即可正常工作。

(徐向峰)