带着小孩出去游玩,最担心的是小孩走失,本装置可有效地解决这一问题。该装置由发射器和接收器组成,将发射器放入小孩口袋里,接收器由大人拿着,当小孩离开大人的距离超过3m时,接收器便发出报警声,提醒大人注意,防止小孩走失。
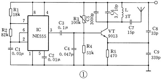
图1为发射器电路图,它由IC(时基集成电路NE555)、R1、R2、C1组成1kHz的低频振荡器去调制由三极管VT及外围元件组成的高频振荡器,被调制高频信号从C7至机内微型天线向空间发射出去,C8用以加宽频带和防止人体感应对频率的影响。图2为接收器电路,当接收器收到发射器发来的信号时,集成电路TDA7000的②脚输出低电平,音乐集成电路CW9300无高电平触发信号不工作,扬声器BL无声,当小孩离开大人距离超过3m时,接收器收不到发射器发出的信号,TDA7000的②脚输出高电平,CW9300被触发工作,从BL发出报警声,提醒大人“小孩已走远”。


制作时,发射器中的电感L用Φ1mm漆包线在Φ7.5mm的铅笔上绕3圈后取下,接收器中电感L用Φ0.51mm的漆包线在Φ5mm的钻头上绕5匝后取下即成。
(扬帆)