功能简介
LT-80C通用数字IC测试仪是采用单片机技术的一种便携式仪器。它能够准确、迅速地测量TTL74/54、CMOS40/45系列数字集成电路的好坏,自动识别不知名的集成块并显示其型号。该测试仪体积小、重量轻,携带使用方便,外壳采用工程塑料,大小与一般数字万用表相当(35mm×85mm×165mm),3位大液晶数字显示清晰(字高20mm,宽9mm),并有蜂鸣器作为操作的提示声音。由一个9V叠层电池供电,并设一个外接电源插孔,其静态电流只有十几毫安。面板上有电源开关、1个20脚测试座和4个操作按钮,外观简捷美观。非常适合科研、生产、维修及广大电子技术爱好者使用。
工作原理
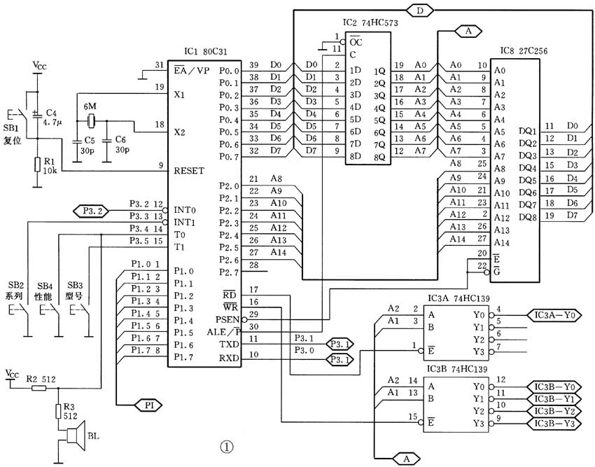
电原理图见图1、图2,包括单片机80C31、锁存器74HC573(功能等同于74HC373,但引脚排列不同)、缓冲器74HC245、只读存储器27C256等主要IC。测试时单片机系统利用存储在27C256内的逻辑数据与芯片的实际输入输出逻辑关系逐一进行比较,如果相同则确定是该型号芯片。然后把型号送到显示电路,并发出一短音提示。如没有与被测试芯片相同逻辑关系的数据,则认为是坏芯片或是其它种类的芯片,这时显示999,并有3声短音提示。TTL74/54、CMOS40/45系列芯片的引脚数基本上在14~20这个范围。测试时无论被测芯片引脚数为多少,芯片的①脚恒定在测试座的①脚,测试座的恒为正电源脚V\(_{CC}\),为被测芯片提供+5V电源。根据被测芯片引脚数的多少,电源地由测试座的⑦~⑩脚提供。测试中测试座除了⑩脚和其余各脚要求既能作为输入也能作为输出,80C31的P1口、P3口正好能满足要求,但不够用,所以扩展了一个与80C31类似的8位准双向I/O口。由74HC573(8D锁存器)、74HC05(6非门,开漏极输出)、74HC245(8三态双向缓冲器)、三极管VT1~VT3等元件组成。

输出由74HC573经74HC139(B)地址译码,用数据存储器的写操作指令将数据锁存输出,再经74HC05和VT1~VT3反相送到测试座。因74HC573的锁存使能为高电平有效,所以74HC139(B)Y0的选通信号加一个非门反相。测试座的⑦~⑩脚都有可能是被测芯片的接地脚,所以采用3个三极管来增大⑦~⑨脚的驱动电流。
输入由74HC245通过74HC139(A)地址译码,用数据存储器的读操作指令读取被测IC脚的数据。
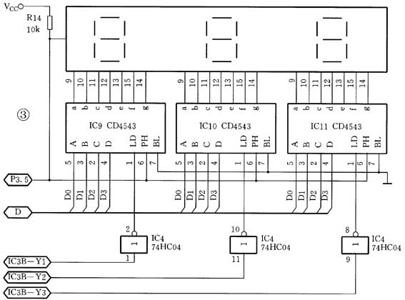
显示电路见图3,电路采用3个BCD-7段数码液晶驱动电路CD4543来完成。其功能为,ABCD脚输入4位BCD码,ST脚高电平将输入码锁存,由abcdefg输出0~9的段码。PH脚为输出反转控制,PH输入高电平,段输出低电平码,PH输入低电平,则反之。此脚要输入一个占空比为1∶1、频率为30~500Hz的方波。这是因为液晶显示器是交流驱动器件,若用直流驱动将缩短液晶显示器的使用寿命。此方波由80C31的P3.5提供。BL脚为显示开关控制,接地即显示常开。

测量范围:TTL74/54系列(包括74-、74S-、74LS-、74ALS-、74AC-、74ACT-、74HC-、74HCT-、74F-、74FHC-,以及与上述型号相对应的54系列产品)。CMOS40-系列,CMOS45-系列。
有关该测试仪的详细功能和使用方法,请与龙亭电子遥控厂联系(见本期第62页广告)。
(孙仲和)