固体继电器(solid state relay缩写SSR)又称固态继电器,是一种用微弱的控制信号(几毫安到几十毫安)控制0.1安直至几百安电流负载接通或分断的一种四端器件,其等效电路见图1。SSR实际上是一个受控的无触点电力电子开关,两个输入端是控制端,接控制信号,两个输出端是被控端,与负载、电源串联。控制信号可以是直流,也可以是交流。与通常的电磁继电器相比,SSR无触点、输入电路与输出电路之间光(电)隔离、由分立元件、半导体微电子电路芯片和电力电子器件组成,并用阻燃型环氧树脂进行封装,具有良好的耐压、防腐、防潮抗震动性能,可靠性高、寿命长,广泛应用在电动机调速、正反转控制、调光、家用电器、烘箱烘道加温控温、送变电电网的建设与改造、电力拖动、印染、塑料加工、煤矿、钢铁、化工和军用等方面。

固体继电器的工作原理
固体继电器由输入电路、驱动电路和输出电路三部分组成,见图2。直流输入通常可以由TTL电平激励,典型输入电压为DC6V10mA,也可以与CMOS电平兼容。交流输入通常可以由交流电平激励,典型输入电压为AC110V 10mA,另外还有工作指示电路。隔离电路有光耦合和变压器耦合两种,以光电耦合为多,触发电路包括转换电路、过零检测电路和加速电路等。输出电路包括输出器件和起瞬态抑制作用的保护电路。输出电路可分为直流输出、交流输出,输出器件有电力晶体管、单向晶闸管、双向晶闸管、电力场效应管等。输出端接的电源是直流电源,则此SSR称为直流固体继电器(DC-SSR);与此对应的交流固体继电器又分为单相固体继电器(AC-SSR)和三相固体继电器(3P-SSR)

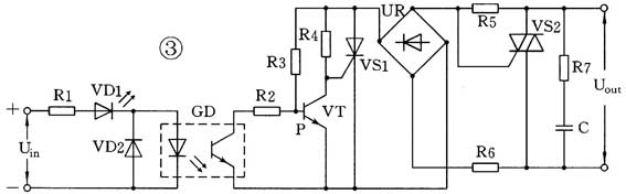
图3是应用得较多的交流过零型固体继电器的内部电原理图。当无输入信号时,GD中的光敏三极管截止。VT通过R3获得基极电流而饱和导通,VS1处于关断状态。当有输入信号时,光敏三极管导通,VS1的状态由VT决定,当电源电压大于过零电压时,分压器R3、R2的分压点P电压大于U\(_{BE1}\),VT饱和导通,VS1截止,VS2因控制极没有触发脉冲而处于关断状态。只有当电源电压小于过零电压,P点电压小于U\(_{BE1}\)时VT截止,VS1控制极通过R4获得触发信号而导通。在VS2的控制极就会获得从R6→UR→VS1→UR→R5以及R5→UR→VS1→UR→R6正负两个方面的触发脉冲,VS2就导通,从而接通负载电源。当输入信号关断后GD中的光敏三极管截止,VT饱和导通使VS1关断,但是此时VS2仍保持导通状态,负载上仍有电流流过,直到负载电流随U\(_{OUT}\)减小到小于VS2的维持电流后才会自行关断,切断负载电源。

按触发信号方式不同,AC-SSR还分为过零型触发(Z型)和非过零型或随机型(P型)触发两种,图4和图5分别为其工作波形图。可见过零型和非过零型之间的区别主要在于负载交流电流导通的条件。过零型在输入信号Vin施加的t1时刻,由于此时电源电压处在非过零区,其输出端不导通,只有当电源电压到达过零区t2时,输出端负载中才有电流流过。而非过零型在输入信号U\(_{in}\)施加的t1时刻,不管电源电压处在什么状态,负载立刻导通。这两种类型的固体继电器关断条件相同,不再赘述。


固体继电器的应用
固体继电器在工业自动化控制系统中使用较为普遍。
1. I/0变换器
固体继电器可以用于计算机与负载(执行元件)之间,计算机与被控制的传感器之间,它是一种既可靠、又无噪声的接口转换电路。这种接口转换电路称为输入/输出变换器(即I/0变换器)。在一台程序控制器中有可能用上很多这种变换器。该变换器按其功能分为两种:一种为输入变换器,将被控制装置中传感器传递过来的交流或直流信号通过SSR变换成逻辑信号电平提供给控制器。另一种为输出变换器,将控制器输出的逻辑信号变换成交流或者直流信号,用以推动执行元件。
2. 电机控制
交流固体继电器用于控制电机或类似电机的其它感性负载时,在电源接通和关断的瞬态过程中容易产生误导通,尤其是三相电机正反转时的误导通将造成相间短路,进而造成固体继电器永久失效。所以电机控制应给予特别注意。
3. 交流调功
利用固体调压器实现调功是很方便的,但是应该根据负载的性质和控制方式的不同选用不同的固体调压器,分述如下:
电压型固体调压器是通过调整输入端的直流电压,改变双向可控硅的导通角,达到调功的目的,调功范围为0~99%。这种调压器适合自动控制。而电阻型固体调压器是通过手调电位器达到调功的目的。这两种调压器输出的波形已不是正弦波,因此会产生射频干扰,应在其输出端增加滤波电路。这两种调压器适用于对波形没有要求的场合,如烘箱的调温控温,舞台灯光控制、电机的软起动等。
单相过零型和三相过零型固体调压器,都基于同一个原理:在50个连续正弦周波内,通过改变固体调压器接通和关断的时间比例,调整接通正弦波的周波数,实现调功的目的,其输出的波形都是完整的正弦波。适用于调温控温,电机调速、变压器变换、交一直流调压及其它对波形有要求的负载上。
固体继电器的选型与使用
为了有效地发挥SSR动作快、无抖动、灵敏度高等优点,在选择和使用固体继电器时需考虑下列主要因素:
1. SSR的使用环境各不相同,有潮湿的、有腐蚀性的、有的高温、有的低温、有强烈振动的,或上述某几种情况同时存在的。但首先应考虑高温环境对SSR的影响。图21为25A单相交流SSR的工作电流与环境温度之间的关系曲线。从图中可知当环境温度升高时,SSR的负载能力要随之下降;同一只SSR安装散热器与不安装散热器其负载能力相差也很明显,但最高温度均不应大于70℃。考虑到这一因素,在SSR选型时应留有一定的余量。另外,还值得一提的是:由于SSR长时间连续工作,其输出端总有一点压降,使SSR温升不断增加,所以10A以上的SSR应安装在与之配套的散热器上工作。

2. 在某些感性负载电路中,SSR频繁地接通和断开、电网电压的波动,都会造成SSR瞬时电压和电压指数上升率dv/dt过高,甚至超过SSR所能承受的值,这时必须选用较高瞬时电压和dv/dt值的SSR。
3. 负载的性质是各不相同,在接通和断开的瞬态过程中感性负载产生反电势、容性负载产生过流、白炽灯冷阻热阻相差约10倍等等,所有这些都会造成SSR不同程度的过流。为了保证SSR的正常运行,选型时SSR额定电流应留有足够大的余量,对某些特殊负载,降额系数还需要进一步降低。
4. SSR不允许过流,特别是带大负载起动瞬间、负载短路及其它非常状态时,都有可能导致SSR损坏,所以必须在负载回路中串接≤20ms级快速熔断器。
5. 焊接式SSR在装入印制线路板时,焊接温度应不超过230℃,焊接时间不超过3s,这种SSR一般不须加散热器。
编者按:
欲购买本文应用电路中的固体继电器,可与
欣灵电器股份有限公司
联系,该公司生产各种固体继电器系列(模块)产品,如电阻型固体调压器、电压型固体调压器、过零型单相、三相固体调压器、交-直流调压模块、容性负载固体继电器、延时固体继电器、三相断相保护固体继电器等。其通信地址及联系电话见本期封底。
(严晓江 胡步浩)



