现代电子产品是以集成电路为主,但分立元器件在电路中仍然占有一席之地,即使最新的通信设备中仍使用着不少二极管、三极管。本文主要介绍片状二极管基本知识及应用指南。
本文介绍的片状二极管有:整流二极管、快速恢复二极管、肖特基二极管、开关二极管、稳压二极管、瞬态抑制二极管及发光二极管等。有关通信设备中常用的变容二极管、天线开关二极管等将另文叙述。
基本知识
1.片状二极管的型号
部分片状二极管的型号仍是沿用引线式二极管的型号,如大家熟知的整流二极管1N4001~1N4007,开关管1N4148等。另外,新型片状二极管也有自己的型号。
目前进口元器件数量较多,大部分是美、日产品,也有部分欧州生产的元器件(如SGS公司、SIEMENS公司及PHILIPS公司等),使型号较为繁杂。由于进口元器件太多,不少人都知道美国型号1N4001,而相应的中国型号2CZ85B反而鲜为人知了。
各国都有半导体分立器件型号命名标准,如美国1N打头的,日本1S打头的,我国2A~2D打头的都是二极管。但仍有不少是由工厂自己来命名(厂标)。例如,1N4001~1N4007系列,不同的生产厂却有不同的型号,如SM4001~SM4007、GS1A~GS1K、S1A~S1M及M1~M7等等。这种不标准的型号出现在电路中时,给分析电路及维修带来很多困难。
2.封装
片状二极管有多种封装形式,主要可分成三种:二引线型、圆性型(玻封或塑封)和小型塑封型(SOT-23及SOT-89)。典型的封装及小型塑封型内部结构如表1及表2所示。表1、表2仅仅是部分应用较多的封装与内部结构,而不是全部。近年来,又开发出SC-70封装的二极管(2.0mm×1.25mm)新产品。


二引线型的顶面及圆桂型的圆周上有一横条标志线,它表示二极管的阴极端。各种封装有一个封装代号(见表3)。如表3中EM3是一种3引脚小型塑封型,其尺寸为1.6mm×0.8mm(相当于0603的尺寸代码)。

3.器件型号代码及色标
贴片式二极管小尺寸封装上一般不打印出型号,而打印出型号代码或色标。这种型号代码由生产工厂自定,并不统一。例如图1是二引线封装二极管,其顶面A2表示型号代码;图2的N、N20、P1分别表示三种小型塑封型的型号代码。圆柱型玻封二极管采用色标方法表示型号或采用印代码方式,分别如图3及图4所示。图3(a)用阴极的标志线,采用不同的颜色来表示型号;图3(b)采用两种颜色的色环表示(粗环表示阴极端);图3(c)中第三环表示等级(用于稳压二极管)。图4的圆周上印有PH-817(是PH-5817的代码,相当于1N5817)。

需要指出的是,封装代号与型号代码是不同的,不能混淆。
应用指南
1.片状整流二极管
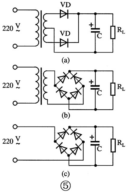
整流一般指的是将工频(50Hz)的交流变成脉动直流,常用的是1N4001~4007系列1A、50~1000V整流二极管(圆柱形玻封或塑封)。全波整流与桥式整流如图5所示。

选择片状二极管有两个主要参数:最高反向工作电压(峰值)V\(_{R}\);额定正向整流电流(平均值)I\(_{F}\)
在图5(a)中,所选的二极管要求:V\(_{R}\)>2E\(_{2}\),I\(_{F}\)>1/2I\(_{d}\)(E\(_{2}\)为变压器副边交流电压,I\(_{d}\)为通过负载电阻的负载电流)。在图5(b)中,要求V\(_{R}\)>2E\(_{2}\),I\(_{F}\)>1/2I\(_{d}\)。在图5(c)中,直接由市电220V整流为直流(常用于AC/DC变换器),其V\(_{R}\)>×242V(市电有±10%允差),一般可选400V或600V的整流二极管,I\(_{F}\)>1/2I\(_{d}\)。
用于半导体器件的电源中,电压一般不超过15V,电流小于1A时,可用1N4001,适用于图5(a)及5(b)。
为减小印制板面积并简化生产,开发出片状桥式整流器,如图6所示,常用的有V\(_{R}\)=200V,I\(_{F}\)=1A的全桥。

2.片状快速恢复二极管
在电视机、仪器中的高频整流电路、开关电源及DC/DC变换器、脉冲调制解调电路、变频调速电路、UPS电源或逆变电路中,由于工作频率高(几十千赫~几百千赫,一般的整流二极管不能使用(它只能用于3kHz以下),需要使用片状快速恢复二极管。它的主要特点是反向恢复时间t\(_{rr}\)小。t\(_{rr}\)一般为几百纳秒,当工作频率更高时,采用超快速恢复二极管,它的t\(_{rr}\)为几十纳妙。关于快速恢复二极管可参看本期“初学者园地”栏目《什么是快速恢复二极管》一文。
片状快速恢复二极管反向峰值电压可达几百伏到一千伏。常用的正向平均电流可达0.5~3A。当工作频率大于1000MHz时,则需要采用肖特基二极管。
3.片状肖特基二极管
片状肖特基二极管最大的特点是反向恢复时间短,一般可做到10ns以下(有的可达4ns以下),工作频率可在1~3GMHz范围;正向压降一般在0.4V左右(与电流大小有关);但反向峰值电压小,一般小于100V(有些仅几十V,甚至有的还小于10V)。
它的额定正向电流范围从0.1安培~几个安培。大电流的肖特基二极管是面接触式,主要用于开关电源、DC/DC变换器中;还有小电流点接触式的用于微波通信中(称为肖特基势垒二极管,反向恢复时间小于1ns)。它不仅适用于数字或脉冲电路的信号箝位,而且在自控、遥控、仪器仪表中用作译码、选通电路;在通信中用作高速开关、检波、混频;在电视、调频接收机中作频道转换开关二极管或代替锗检波二极管2AP9,性能良好、稳定可靠,并且价格不高。
如何来区分肖特基二极管、快速恢复二极管及普通硅二极管呢。可用MF50万用表来测正向电阻的方法来区别。其电阻分别为150Ω、500Ω及650Ω左右。
4.片状开关二极管
片状开关二极管的特点是反向恢复时间极短,高速开关二极管的反向恢复时间≤4ns(如1N4148),而超高速开关二极管则≤1.6ns(如1SS300)。另外,它的反向峰值电压不高,一般仅几十伏;正向平均电流也较小,一般仅100~200mA。
该二极管主要用于开关、脉冲、高频电路和逻辑控制电路中。由于片状1N4148高速开关二极管尺寸小、价格便宜,也可用作高频整流或小电流低频整流及并联于继电器作保护电路。采用小型塑封的,内部有1~4个二极管的结构,可减小安装尺寸。
5.片状稳压二极管
片状稳压二极管的应用与引线式完全相同。它有三种封装形式:SOT-23(0.3~0.5W)、圆柱形(0.4~0.5W)、SOT-89(1W)。主要参数有两个:稳定电压值及功率。常用的稳定电压值为3~30V,功率为0.3~1W(提出这两个参数就不会买错)。
稳压二极管的特点有:动态电阻R\(_{Z}\)不是常数,如图7所示。6V左右的动态电阻最小,为5Ω左右,而2V或20V以上的动态电阻超过30Ω。稳压二极管的特性如图8所示。它有一个弧形拐点,所以I\(_{Z}\)不能取得太小使它处于拐点上,一般取I\(_{Z}\)=5mA左右为好。
低电压(如2~3V)的稳压特性很差,也没有2V以下的稳压二极管。按图9的方法可获得较好性能的低电压稳压值。若VZ1=6V,VZ2等于5V,则获得1V的稳压值。
稳压二极管可双向限幅直接获得方波,如图10所示。为提高稳压二极管的温度稳定性,可串接一个硅二极管,如图11所示。
6.片状瞬态抑制二极管(TVS)
片状瞬态抑制二极管用作电路过压(瞬时高压脉冲)保护器,目前主要用于通信设备、仪器、办公用设备及家电等。它的工作原理和稳压二极管相同,有高压干扰脉冲进入电路时,与被保护的电路并联的片状瞬态抑制二极管反向击穿而箝位于电路不损坏的电压上。与普通稳压二极管不同之处是它有很大面积的PN结,可以耗散大能量的瞬态脉冲,瞬时高达几十或上百安培电流,响应时间快(可达1×10\(^{-}\)12秒)。它有单向及双向结构。
双向瞬态抑制二极管的特性如图12所示。其主要参数:最小击穿电压V\(_{BR}\)是TVS变成低阻抗的起始电压,也是TVS进入雪崩击穿电压;反向工作电压V\(_{RWM}\)是最大额定值直流工作电压;最大允许浪涌电流I\(_{PP}\);最大允许浪涌电流时的电压V\(_{C}\)(V\(_{C}\)≈1.33V\(_{RB}\))。额定功耗P\(_{RK}\)=V\(_{C}\)×I\(_{PP}\)。
选择TVS的方法是,①决定电路中最大直流工作电压(包括电压允差);②V\(_{RWM}\)≥工作电压;③V\(_{C}\)要小于电路中器件损坏电压;④P\(_{RK}\)要根据脉冲的情况而定(由实验决定)。例如,电路工作电压最大值为5.5V,可选择V\(_{RWM}\)为6V的TVS,其V\(_{BR}\)为6.67~7.37V,最大的V\(_{C}\)为10.3V。P\(_{RK}\)要根据干扰脉冲的情况而定,有300~1500W的品种可选择。
7.片状发光二极管(LED)
片状发光二极管的应用与引线式完全相同,在设计中主要是选择结构及尺寸,并确定限流电阻。发光二极管有红、绿、黄、橙、蓝色(蓝色的管压降为3~4V),它的结构有带反光镜的、带透镜的、有单个的及两个LED封装在一起的结构(一红、一绿为多数)。另外有普通亮度的(一般10mcd以下)及高亮度及超高亮度的(几百~上千毫坎德拉)。部分LED的底部尺寸按0603、0805、1206尺寸代码,如图16所示。有一种将限流电阻做在LED中,外部无需再接限流电阻(可节省空间),如图17所示。另外一些贴片式LED如图18所示。贴片式共阴极数码管如图19所示。


(方佩敏 胡伟生)


