本文介绍的电路,与具有缩位拨号功能的电话机配合,可以完成如下报警功能:当有异常情况时,电话机自动摘机,拨出一组号码;约经半分钟后对方未接听,便拨出另一组号码;又经过约半分钟后还是没人接听,就再重新拨出第一组号码,直至有一方接听为止。当对方接听电话时,就会从电话中听到家中的声音。欲使家中的电话停止这种拨号,可以按一下“#”键,使家中电话挂机。
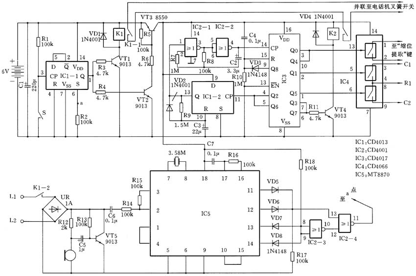
电路原理如附图所示,平时,双D触发器IC1-1的Q端输出低电平,继电器和其他集成电路不工作。当有盗情(或其他情况)使S断开时,IC1-1的Q端变为高电平,继电器K1的一个触点断开使电话机摘机,另一个触点K1-2接通话筒电路,家中声响信号被送入电话线,同时VT3导通,自动拨号电路得到电压开始工作。这时即使S重新闭合,IC1-1的Q端仍输出高电平,继续完成程序动作。VT3导通后,十进制计数/脉冲分配器集成电路IC3的R端得到瞬间高电平,使Q0端输出高电平,相当于按下电话机的“缩位拨号提取”键。Q1输出高电平时,相当于按下电话机的“1”键,发出第一组号码。Q2输出高电平时,IC1-2的Q端输出高电平,使四2输入端或非集成电路IC2-1等元件组成的振荡电路暂停振荡,大约半分钟后IC1-2的Q端自动恢复低电平,IC3继续计数。当IC3的Q3端输出高电平时,另一个继电器K2工作,相当于按了一个电话叉簧。Q4端输出高电平时,继续完成上述动作。

IC5及外围电路构成双音频译码电路,当接听者按下“#”号键时,其输出号码1100,通过简单解号,IC2-4输出高电平,使IC1-1置位,进入初始状态,结束再拨号。
安装调试:电路板制作好后,将四双向模拟开关集成电路CD4066的①、②脚与“缩位拨号提取”键(一般为拨号集成块的R3和C4端)并联,③脚和⑨脚分别接拨号集成块的C1和C2(列1和列2),④脚和⑧脚都接拨号集成块的R1(行1),L1和L2接电话线。调节R9和C3,可以改变拨号后的等候时间,调节R12,可以改变话筒的灵敏度。
(冯东海)