一、 故障原因分析
遥控彩电控制失效故障是指无论用遥控器,还是直接按下彩电面板控制按键,均不能进行相关功能操作的一种故障。其故障表现主要有以下几种情况:
1. 因CPU不能发出开机指令,在按下主电源开关后,机器始终处于待机状态。即机器不能二次启动。此类故障不包括保护电路动作及开机执行电路存在故障所致的不能二次启动现象。
2. 荧屏有正常光栅或同时还有图像和声音,但所有面板按键(主电源开关除外)及遥控器控制均失效(时好时坏)。
3. 荧屏上呈异常光栅,如带回扫线的黄色光栅,无图无声,且控制失效。
导致控制失效的主要原因有:
1. CPU(微处理器)损坏。
2. CPU的工作条件不具备。即工作电压不正常(正常5V±10%),时钟振荡电路不工作或频偏过大。
3. 面板矩阵式按键个别有短路或漏电(含间歇漏电)。
4. CPU的复位清零电压异常或时序错误(含辅助复位脉冲为零)。
5. CPU外接模式选通二极管有短路或反向漏电。
6. 存储器损坏或CPU与存储器之间的线路损坏,使CPU无法从存储器提取相关信息。
7. I\(^{2}\)C总线控制的彩电其I\(^{2}\)C总线下连接的器件有损坏。
8. 因误操作或遥控器故障使CPU进入工厂测试状态。
9. CPU行、场脉冲信号输入端有元件对地严重漏电或短路(注:不是所有CPU都这样)。
10. CPU输入端口上拉电阻开路(如图2中R378等)

二、 检修方法与步骤
检修控制失效故障的方法和步骤大致如下:
1. 先查CPU工作电压,一般为5V±10%。若偏低,应悬空电源脚再测,若恢复正常,则是CPU击穿损坏;若仍不正常,可查5V电压形成及稳压电路元件有无异常。如无异常,必是5V的其它负载(如存储块等)存在短路故障。
2. 当查得CPU的工作电压正常,对于失控无光栅无伴音彩电,可查CPU的开机端(如M50436-560SP⑨脚)有无5V启动电压。注意彩电有高电平启动和低电平两类,上述属高电平启动。若没有启动电压,可人为给CPU启动端加正常的启动电平,并观察机器能否启动。若仍不能启动,必是启动执行电路或行扫描电路有故障,或保护电路动作(该情况不在本文范围之内)。若光栅出现,可按控制键试之,若有效,表明是CPU内部开机电路损坏;若无效,继续按下述步骤检修。
3. 对有光栅的失控彩电,可断开所有面板键盘按键,再用遥控器控制试之。若机器恢复正常,表明矩阵控制键中有短路或漏电故障存在。具体是哪一个键,除可用表检测外,一般可从刚出现故障时屏幕显示的字符来判断。这是因为在没有人为控制的情况下,屏幕却出现了执行某项指令的字符。这多数是发出这项指令的按键漏电或短路。当它短路或漏电后,就等于向CPU发出了要执行该项功能的命令,于是CPU就向执行机构发出了相应的执行指令,只要短路或漏电故障不排除,当然就不能再执行其它命令,因而就表现出控制失效的故障。那么,为什么不说百分之百是该按键短路或漏电呢?这是因为该按键线路不是直接通向CPU,中途可能还并有其它开关或模式选通二极管,当它们漏电或击穿(甚至线路底板漏电)也会使荧光屏显示该字符。
4. 若断开面板按键后控制仍失效,可查一下CPU的复位电路。这是因为多数CPU要执行程序,必须在工作前先复位清零,即初始化。复位有高电平复位和低电平复位两种。复位电平加至CPU复位端时间一般比CPU电源端所加工作电压要迟一小段时间。对带有辅助复位小开关(通常在主电源开关前面与主开关做成一体)的彩电应先检查这个小开关。它的工作过程是:在主开关向里推进时,它接通。当主开关锁定时,该开关迅速断开。若通过检测发现不是以上正常工作过程,必须将其修复或更新;若正常,再查一下复位时序上是否有问题。例如CPU电源端5V电压滤波电容容量不能随意加大!复位端复位电压延时电容容量不能减小!若延时电容漏电或失容将会导致时序发生错误,从而引发控制失效故障。当然是否因时序错误或复位电路出现故障而引起控制失效故障,可人为复位来进行判断。具体方法是:待彩电出现正常光栅后,对于高电平复位的CPU,直接将5V电压用导线与复位端接触;对于低电平复位的CPU,可用导线将复位端与地接触。若复位电平是其它值,可用分压器取得后再与复位端接触。具体数值,可在开机瞬时测复位端电压得到。若机器恢复正常,表明是复位电路有故障,反之亦然。
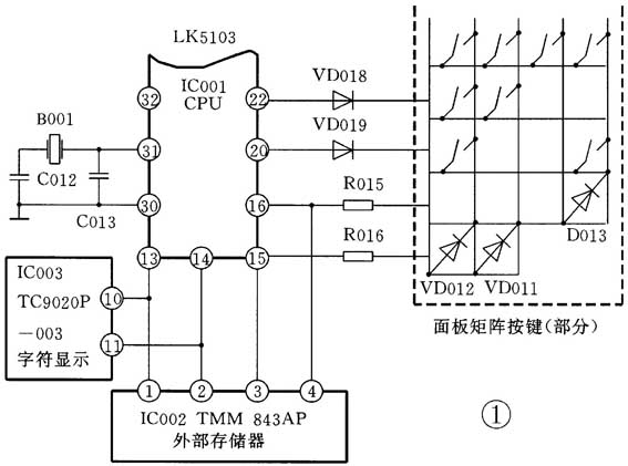
5. 当确定不是复位电路的故障时,可查一下CPU外接的有关模式选通二极管(见图1中VD011~VD013)有无反向漏电或击穿。因它们之一有损坏时,相当于CPU要同时执行两个或两个以上的指令这与CPU的程序设计是不相符合的,故表现出控制失效故障。

6. 当上述步骤仍未奏效时,就应用良品替换CPU外接时钟振荡电路中的晶振和电容(见图1中的B001和C012、C013),其中两电容容量要基本一致。必要时可在晶振两端并联一只1MΩ电阻以展宽频带一试。有条件者可用示波器在振荡器两端看一下波形。正常时可看到良好的振荡波形。
7. 若仍无效,可对存储器与CPU的连线做认真检查,观察有无断裂或虚焊,并检查一下存储器的工作电压是否正常。因若连接线路不通或存储器不工作(含存储器损坏),将会导致CPU与存储器交换数据发生阻碍,造成CPU无法读取数据信息而表现失控故障。若上述均正常,可换存储器试之。
8. 若经上述检查仍无效,可在电视机接入信号后,再查一下CPU的行、场脉冲信号输入端有无行、场逆程脉冲信号。若无,应查该脚外接有关滤波电容、限幅二极管有无击穿或严重漏电。因若有短路现象,就会导致CPU内部的程序无法运行,而表现失控故障(注:经笔者实验知,并不是所有CPU都是这样)。本人曾检修一彩电失控故障,就是场脉冲信号输入端高频旁路电容短路所致(同时还无字符)。这跟场脉冲信号传输电阻开路可引发的无字符故障是截然不同的。
9. 若经上述步骤检查故障仍未排除,则可基本认为是CPU本身损坏,可更换试之。
在此有必要指出,若被您检查的彩电属I2C总线控制,则必须要检查总线上连接的器件是否正常。这是因为很多CPU其总线上挂接的器件如果发生故障,就无法向CPU送回数据,以致CPU认为机器发生故障,而停止执行程序,即出现控制失效故障。
另外,当误操作或遥控器本身质量所致彩电处于童锁或进入工厂测试状态,而出现的控制失效故障,一般还同时有一些独特的表现。例如,当控制失效时,荧屏还同时出现一个“钥匙”符号,则表明机器进入童锁状态。如果在控制失效时,荧屏出现一些不常见的字符,且光栅颜色发生变化。一般可认为机器进入工厂测试状态。比如,高路华彩电因遥控器问题,极易使机器进入工厂测试状态。这时荧屏出现带回扫线的黄色光栅。这些都是维修者必须注意的。
总之,当您有一定检修经验后,并不一定要按上述步骤一步一步来进行,可以一步到位。例如,当出现开机无字符同时控制失效时,极有可能是CPU行、场同步信号输入端短路。当检测CPU时钟振荡端无振荡波形时,在电源电压正常的前提下,可调换晶振和振荡电容一试,若仍无波形,必是CPU损坏。
最后还需说明的是,由于CPU型号众多,同一电路故障,但表现的故障现象却不一样。例如M50436-560SP的控制矩阵按键短路时,一般不能开机,但CTV222S V1.3同样是面板矩阵按键短路时,却能开机(即出现光栅),只是控制失效。故检修时,思路要开阔一些。
三、 故障检修实例
〔例1〕
一台康佳T953PⅢ彩电,不能二次开机(正常按电源总开关,光栅就能出现,而现在只是预置指示灯被点亮),有时偶尔又能正常开机,但开机后只能收看一个台,所有面板按键及遥控器控制均失效。
该机所用CPU为M50436-560SP,查它的⑨脚(开/关机控制)电压为零(正常5V)。人为将该脚接5V电压后,机器可启动,但控制仍失效。在操作面板按键时,发现将自动选台预置开关(PRESET)置于ON状态时,屏幕立即显示自动搜索状态(本应将执行键S605“>>>”按一下,才能正式处于搜索状态)。由此说明S605或相关电路漏电。将S605焊下用万用表R×10k挡检测,未发现漏电。观察线路,发现S605一端铜箔还与按键S610(波段控制)一端相连,S610外壳接地。若S610对外壳漏电时,也会导致本故障。将S610换新后试机,彩电立即恢复正常。
〔例2〕
一台佳丽EC-2103AR彩电,不能二次开机。
经查,CPU开机端(⑧脚)无5V开机电压。查CPU工作电压正常,且(时钟振荡端)的振荡波形也无异常。故怀疑面板矩阵按键有短路故障。当断开CPU与矩阵按键的全部连线后试机,故障完全消失,表明判断正确。最后查出是模式选通二极管VD012(1N4148)击穿(见图1)。更新VD012再复原电路,机器恢复正常。
〔例3〕
一台海信TC2187型彩电不能启动。CPU开机端④脚无5V开机电压。
查CPU(Z86277)供电端电压正常,时钟振荡端(⑦、⑧脚)电压波形也正常。将复位端(⑨脚)瞬间对地短路(该CPU为低电平复位)故障依旧。怀疑面板矩阵按键短路或漏电。逐一查面板按键对地电压,发现除AV键(该键与CPU相连)无电压外,一般都有约5V电压。故判断该键可能对地短路,但测量却正常。分析认为,该键电压由CPU供给,若CPU本身损坏或该脚上拉电阻R378(见图2)开路,均会导致CPU(即AV键热端)无电压。本着先易后难的原则,首先测R378阻值,发现果然开路,更新R378(22k 0.5W)后试机,故障排除。
〔例4〕
一台莺歌C8921彩电,除主电源开关能开、关机外,其余控制均失效。在开机数秒内屏显“1”频道,有图像和伴音,但不能控制。
查IC601(CPU、M34300N4-012SP)供电端5V电压正常,时钟振荡振荡波形无异常。复位端⑦脚电压能从0V升至5V(高电平复位),断开面板矩阵按键也无效,查有关模式选通二极管均正常。由于有字符显示,故可排除CPU行、场同步脉冲端有短路的可能。更换IC601故障依旧。
分析电路图时发现主电源开关上还附有一个小开关S602,当按下主开关时,测这小开关也接通。断开主开关时,S602仍接通。若是这样,S602就没有存在的必要。是否这个小开关有问题呢?在开机状态下试拔下连接S602的插头CN601(见图3)彩电立即恢复正常。拆下S602发现动、静触片过近,稍掰开一点再复原。发现当主开关推进时,小开关接通,当主开关回位锁定时,小开关随即断开,表明修复成功。插回CN601,试机,故障排除。
S602称为复位开关。每次开机时,它瞬时接通。5V电压加至VT602b极并使其导通,VT601也随即导通。于是给CPU发出一正脉冲信号,使其(开、关机端)输出低电平(开机指令)。因S602很快断开,VT602、VT601随即迅速截止,则脚又由低电平升至高电平,CPU才能复位完毕,转入正式工作状态。这是该类CPU的不同之处。
〔例5〕
一台北京8316A彩电,有时不能二次开机,有时能正常开机,但在收看时于台号处(右下 )不时出现“4S-1”字符(4是当时收看的频道号)。然后伴音出现杂音,图像变差,随即声、图全无。此时面板及遥控均无效。
该机CPU(M34300N4-624SP)曾被替换过,由于出现故障时,屏显“4S-1”字符,表明矩阵按键有个别漏电。当测至CH-(微调下行)键时,发现有10~90kΩ之间的不稳漏电阻。将其更新后试机,发现按一下该键时,屏幕就短时显示当时收看的制式和频道号。若继续按着该键不动,机器就进行频道的负向微调,直至松开该键为止。显然,由于频率微调键漏电,致使CPU只能执行该指令,因而表现出失控故障。当漏电阻较小时,连开机指令也不能执行。
更换频率微调键,故障排除。
〔例6〕
一台长虹CK51A彩电不能开机,打开主开关只有预置指示灯点亮。
查CPU(M50436-560SP)电源端电压只有2V,断开该脚5V电压恢复正常,表明CPU已击穿。更换后,需先打开主电源开关,再按二次启动按钮,彩电才能出现光栅(即启动),且面板与遥控均失效。询问用户得知,该机属雷击损坏。考虑到存储块(M58655P)与CPU有线路连接,且也属娇嫩元件,试将其换新后试机,机器能一次性启动,且各控制均有效。
〔例7〕
一台康佳T2104彩电,出现面板按键功能失效,用遥控器只有音量和换台键有效,且字符不能显示、开机有时不能一次性启动等多种怪异现象。
该机CPU为CTV222S V1.3(图标为PCA84C444),经查CPU的工作条件基本具备(工作电源、正常时钟振荡、复位),面板按键无漏电、短路现象。注意到始终无字符显示(字符显示需要正常行、场脉冲进入CPU才行),决定查CPU、行、场同步脉冲波形。经测,果然无行逆程脉冲波形。顺藤摸瓜,果然发现高频滤波电容C624(330p)基本击穿(见图4)。更新后试机,一切恢复正常。
〔例8〕
一台高路华TC-2158W型彩电出现满屏黄色回扫线,字符颜色红、绿互变。且所有面板及遥控均失效。
据检修多台高路华彩电经验得知,此故障系CPU(TMP47C837)字符振荡极性发生翻转(即进入工厂测试模式)所致。正常时CPU红、绿字符输出脚()输出低电平,当字符振荡极性错误时,输出电压为5V,使红、绿字符放大管VT641、VT651工作接近于饱和状态,致使显像管红、绿阴极电压下降至约75V,从而产生带回扫线的黄光栅。
导致该故障的原因有:(1)遥控器上字符振荡键误触发(因摔打或按键漏电所致);(2)机内打火;(3)存储器TC-89101不良。
修理方法:打开遥控器盖板,在频道升、降键(POS\(^{+}\)、POS\(^{-}\))之间可找到一个未露出遥控器盖板的字符极性转换键(MEM),先用改锥短接该键,使屏幕出现“FACTORY·OSD:N”的红色字符,然后再用改锥短接节目“1”键,使上述字符变为绿色。接着再短接“MEM”键一次,使“FACTORY”变为红色,“OSD:P”为绿色。机器即恢复正常。最后将该键用酒精清洗烘干,若机内有打火现象应及时排除,若故障不久重新出现,应更换存储器。
(王绍华)