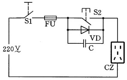
为了避免电烙铁在使用过程中长时间通电使电烙铁过热,我们制作了一种简易保温烙铁架。它能使电烙铁的温度处于一定范围之内,避免电烙铁过热,省去经常插拔电源插头的麻烦,既方便使用又可以延长电烙铁的寿命。该烙铁架电路图如附图所示。

制作时可利用一块木板,把图中元器件固定在木板上,并在微动开关上做一个活动支架,在电烙铁使用间隙,将其置于活动支架上,利用电烙铁自身重力使微动开关断开,此时回路为半波整流供电,电烙铁处于保温节电状态;当取用电烙铁时,回路又恢复全功率交流供电。
元器件选择(供参考):S1为普通开关,S2为SS-5G型微动开关,电容C为0.1μF/250V,二极管VD为0.1A/250V,CZ为普通电源插座,FU为BLF-1型熔断器。
(陈俊建)