这次无线电小组活动的内容是应用CMOS十进制计数/译码集成电路CD4017(图1)组装“小小调光灯”电路。制作完成后,在老师的辅导下,同学们进一步学习了十进制计数器的电路原理、分析方法和应用常识。

同学:
我们对二进制计数器已经比较熟悉了。二进制计数器的基本单元是触发器,它有两个稳定状态,可以分别用来表示0和1,在计数脉冲的作用下,具有“逢二进一”的计数功能。今天我们又使用了十进制计数器,请问您,在计数电路中怎样得到十种不同的状态,分别用来表示0~9这十个数码呢?又是怎样实现“逢十进一”的计数功能呢?
老师:
好,我先来回答这个问题。在数字系统中所用的十进制计数器都是在二进制计数电路的基础上经过“改造”得到的。大家知道,一个触发器具有“逢二进一”的功能,用两个触发器串联就能做到“逢四进一”,用三个触发器串联可以实现“逢八进一”,把四个触发器串联起来就是“逢十六进一”。这就给我们一个启发,为了组成一个“逢十进一”的十进制计数单元,可以在四位二进制计数器的16个状态中选取10个状态,并按计数顺序分别表示十进制数的10个数码0、1、2、3……9。剩下的6个状态在计数过程中想办法跳过去,禁止它们出现。这样,在第10个计数脉冲到来时,各位触发器的输出就变成“0000”,并输出一个进位脉冲。按照这个思路不就可以得到十进制计数器的一个计数单元了吗!
同学:
我明白了。从二进制计数器的计数顺序表(见附表)可以看出,十进制计数器实际上还是按二进制计数器的计数顺序进行计数,在输入1~9个计数脉冲时,计数电路的计数结果都和二进制计数器完全一样,关键是第10个计数脉冲到来时,计数电路的状态不再是“1010”,而是从“1001”一下子变成“0000”。

老师:
是这样。在这里二进制计数电路的各个计数状态“0000”、“0001”、“0010”、……“1001”,已经不再是二进制数了,它们已经成了十进制数0、1、2……9的代码。这种代码的显著特点是从左到右依次是23位、22位、21位和20位,所以常称它为“8-4-2-1”代码。
同学:
我提个问题不知道合不合适。既然是代码,那么在四位二进制计数电路的16个状态中,不选最前面的9个状态,而是随意选择其中的10个状态,能不能实现十进制计数呢?
老师:
问题提得很好。上面说的“8-4-2-1”代码只是众多编码方案中最常用的一种。人们在设计十进制计数器时,在四位二进制计数电路的16种状态中,选择哪10种状态都是可以的。举例来说,若取四位二进制16种状态的中间10个状态,去掉前后各三种状态,叫“余3代码”;如果取的是最前和最后各5个状态,就组成了“2-4-2-1”代码。此外,还有“5-4-2-1”代码、“格雷码”等等。它们都属于二进制数的十进制编码,统称为BCD代码。
同学:
怎么把二进制计数电路“改造”成十进制计数器呢?
老师:
采用不同的编码方案,十进制计数器的电路结构也不一样。咱们就用“8-4-2-1”代码,一起把四位二进制计数电路“改造”成十进制计数器吧。我给大家一个提示,第10个计数脉冲过后,二进制计数器的状态应该是“1010”,也就是Q3=1,Q2=0,Q1=1,Q0=0,而十进制计数器却要求Q3、Q1也变成0,为了实现这种变换,可以应用门电路。请大家都认真思考一下,然后请一位同学来回答。
同学:
我考虑了一下。根据四位二进制计数器的计数顺序表,按0~10的计数顺序,只有在第10个计数脉冲到来时,Q3与Q1才会同时为1。这就说明Q3、Q1是“与”逻辑关系,我们可以把Q3与Q1引出来作为与非门的输入端,当Q3=Q1=1时,与门输出就是1,再经过反相,成为0,把它接到计数电路的置零线(各触发器R端的连接线)上(图2),就可以把各位触发器同时置0,成为“0000”。不知道对不对?
老师:
你提出的电路方案简单易行,很好。只要大家掌握了十进制计数器的状态转换表和各种门电路的逻辑功能,设计计数器电路就会运用自如。我再举一种“8-4-2-1”码十进制计数器的电路方案(图3),留给大家自己分析。
老师:
在计数电路中也广泛地使用着同步十进制计数器,它同样是在四位二进制计数电路的基础上引入控制逻辑“改造”成的,今天就不作介绍了。目前,各种计数器都制成了中规模集成电路,初学者暂时不必花费精力去了解集成块的内部电路,只需要掌握它的管脚功能就足够了。我们以CMOS型双BCD同步十进制计数器CD4518(图4)做例子,看看它的引脚功能。在CD4518内部,含有两个完全独立的十进制计数单元,各有两个时钟输入端CP和CP\(_{E}\),前者为上升沿触发,后者为下降沿触发;R\(_{A}\)和R\(_{B}\)分别是两个计数器的直接置0(复位)端,用高电平复位;Q1A~Q4A和Q1B~Q4B分别是四位触发器的输出端。我再画出它的波形图(图5),可以看到,它是“8-4-2-1”码的十进制计数单元。
同学:
今天我们使用的CD4017是一种同步十进制计数器吗?
老师:
CD4017是一种把同步十进制计数器和时序译码器复合在一起的CMOS集成电路。顺便提一下,CD4017中的十进制计数电路是一种比较特殊的约翰逊计数器,等以后大家学习过串行移位寄存器,我再给大家详细介绍。
同学:
您能给我们说说CD4017各引脚的功能吗?
老师:
好的。CD4017有三个输入端,它们是时钟输入端CP和EN——,CP是上升沿触发端,EN——是下降沿触发端,Cr是清零(复位)端;它有10个输出端Y0~Y9;还有一个进位端C\(_{0}\)。CD4017的逻辑功能很容易掌握,在时钟脉冲输入端连续输入计数脉冲时,Y0~Y9十个输出端的输出状态分别与输入时钟脉冲的个数一一对应。例如,计数从0开始,输入第1个时钟脉冲时,Y1就变成高电平1;输入第2个时钟脉冲时,Y2就变成高电平;输入第10个时钟脉冲时,Y0就变成高电平,同时进位端C\(_{0}\)就会输出一个进位脉冲,作为高一位计数单元的时钟信号。C\(_{r}\)是用来复位的,给C\(_{r}\)端输入高电平时,电路复位,Y0变成高电平,Y1~Y9都是低电平,掌握了这些特点,就能够分析它的应用电路了。
老师:
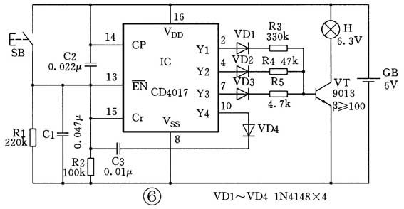
CD4017除了用来组成计数器外,还常常用作脉冲分配器,也就是按照输入脉冲的个数,依次把脉冲分配给Y0~Y9这10个输出端,利用这个重要功能,人们就可以设计出千姿百态的应用电路来。“小小调光灯”中的CD4017就是用作脉冲分配器的。现在,我想请同学们来分析这个电路。哪位同学给大家说说?
同学:
我来试试看。按下按钮开关SB瞬间, EN——端就得到一个计数脉冲,输出端Y1变为高电平,通过二极管VD1和电阻R3向三极管VT注入基极电流,使VT导通,小灯泡H发光;再按下SB, EN——端得到第二个计数脉冲,输出端Y2变为高电平,通过VD2和R4使VT导通,因为R4<R3,所以小灯泡的亮度变大;第三次按下SB, EN——端获得第三个计数脉冲,Y3变为高电平,通过VD3、R5使三极管VT导通,由于R5<R4,所以小灯泡变得更亮;第四次按下SB,Y4变为高电平,经过VD4和C3给Cr端输入一个复位脉冲,Y1~Y4都变成低电平,VT截止,小灯泡熄灭。反复按动SB,小灯泡H将会按熄灭—弱光—中光—强光—熄灭……循环变化,实现灯光的三级调节。
老师:
回答正确。我再补充几点,C2和R2组成微分电路,在接通电源瞬间,C\(_{r}\)获得正向尖脉冲使电路复位,Y1~Y4都是低电平;C3和R2也组成微分电路,当Y4由低电平变成高电平瞬间,也会向C\(_{r}\)端输入复位脉冲。
(宋东生)

