人们在欣赏音乐时,常因临时有事而离开,同时将音源暂停,并不关断功放。若离开时间较长,功放消耗的电能不容忽视(高偏流甲乙类和甲类功放、电子管机等更是如此)。为此,笔者制作了一种无信号自动关机电路,它的功能是:无信号输入时,延迟一段时间自动关闭功放电源;若在这段延迟时间内又有信号输入,仍可不间断地播放音乐。
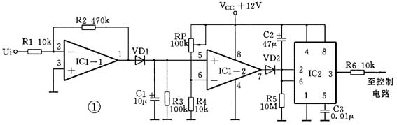
自动关机电路的电原理图示于图1。图中,IC1为单电源双运放LM358,IC2为时基集成电路NE555。IC1-1接成反相放大器,用以防止同相放大器输入端开路时,输出端仍为高电位。IC1-1放大后的电信号经VD1、C1整流及滤波后,得到平稳的直流电压,此电压高于IC1-2的“-”端电压,使IC1-2输出高电位。此时IC2的②、⑥脚也被VD2钳位于高电位,因此③脚输出为低电位,对控制电路不起作用。在IC1-1没有信号输入时,输出端(①脚为低电位,IC1-2的“-”端电压高于“+”端电压而输出低电位。因VD2反向截止,所以IC2的②、⑥脚不会马上变为低电位,此时C2通过R5缓慢充电,IC2的②、⑥脚电位逐渐降低,直到低于2/3 VCC时,IC2翻转,输出端变为高电位,使控制电路动作,切断功放电源。

图2是控制电路的实例,读者可以自己分析。

(黄阳洲)