CD4015是CMOS双4位串入-并出移位寄存器集成电路(见图1)。它的内部含有两个完全相同的四位移位寄存器。移位寄存器的电路功能是,在输入CK脉冲的作用下,数据端DATA的状态将依次从输出端Q1~Q4输出,并逐个移位。当数据全部移入寄存器后,若停止输入CK脉冲,数据就会存储在寄存器内。CLEAR为清除端,接高电平“1”时输出端Q1~Q4全部变为低电平“0”。

利用CD4015的移位寄存功能,可以方便地做成各种LED闪烁器。图2是一种逐个点亮逐个熄灭式LED闪烁器。由图可见,CD4015内部两个寄存器的CK端及CLEAR端是共用的,而且第二只寄存器的DATA端接在第一只寄存器的Q4端上,使CD4015构成了一个8位移位寄存器。电路工作时,首先由C2、R9组成的清零电路对CD4015进行清零,使Q1~QD端全部变为低电平“0”,QD端输出的低电平通过非门6反相后输入到DATA(1)端,此时DATA(1)端呈高电平。由非门1、2、3组成的方波振荡器开始向CK端输入一连串脉冲信号,在脉冲的作用下,DATA(1)端的高电平依次从输出端Q1~QD输出,当QD端变为高电平时,通过非门6反相后输入到DATA(1)端,使DATA(1)端变为低电平。随着脉冲再次不断到来,DATA(1)端的低电平会依次从Q1~QD端输出,当Q1~QD端全部变成低电平时,电路便完成了一个工作周期,以后便按上述过程循环运行。

把Q1~QD端输出的电平信号接在LED1~LED8上,便会形成悦目的动感移动显示。非门4、5在电路中的作用是防止CMOS电路输出端接入LED后,输出电平会被拉下来,使信号电平偏低而无法触发接在其上的各输入端。
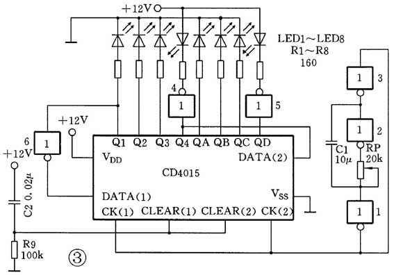
图3是一种交替点燃式LED闪烁灯。与图2不同之处是非门6的输入端连接在CD4015的Q1端上。电路工作时首先清零,Q1端输出的低电平通过非门6反相后,输入到DATA(1)端,当CK端第一个脉冲到来时,Q1端首先变成高电平,经非门6反相后输入到DATA(1)端,DATA(1)端变成低电平。当第二个脉冲信号到来时,Q1端变成低电平,而Q2端变成高电平,这样,随着脉冲的不断到来,Q1、Q2端输出的电平信号会不断向Q3~QD端移动。最后全部输出端会呈现Q1、Q3、QA、QC与Q2、Q4、QB、QD交替输出高电平。把8个输出端信号接在LED1~LED8上,会产生交替闪烁的效果。

图4是一种双点游动式闪烁器。图中增加了一块CD4013双D触发器,两个D触发器与CD4015相互连接构成了一只十位脉冲移位器。电路工作时,首先清零置位,D1、D2经置位后使Q端呈现高电平。在CK端输入第一个脉冲时,D1的Q端输出的高电平输入到D2的D端并从其Q端输出,D2的Q端输出的高电平输入到CD4015的DATA(1)端并从其Q1端输出,CD4015的QD端输出的低电平输入到D1的D端,同时从D1的Q端输出。当CK端第二个脉冲到来时,触发器D1、D2的Q端以及CD4015的Q1~QD端的数据全部向右移动一位,而且每来一个CK脉冲,输出电平便移动一位,不断循环。因此,Q1~QD端输出状态经LED显示后的效果是,双点不断向右方移动循环。

图5为上述3种电路的供电电路。图2、3、4中的RP是用来改变振荡器振荡频率的可调电阻,调节它可以改变闪烁器的变化速度。
(田园)