单稳态电路只有一个稳定状态,在外加触发信号作用下翻转成暂稳状态,经过一定的时间后又自动恢复到初始稳定状态。电路一旦被触发,其输出与输入间就脱离了关系,输出脉冲的持续时间仅由外接定时元件的时间常数决定。单稳态电路常用作定时、延迟、选通等。74系列TTL数字电路中主要有74121、74122、74123三个品种的单稳态电路(对应国产型号为T1121、T1122、T1123)。由于它们具有温漂小、稳定性好等特点,所以在仪器仪表及自动控制系统中得到了广泛的应用。
一、 主要特性
1.74121
74121内部结构如图1所示。它采用14脚DIP封装,逻辑功能见表1。A1、A2为负跳变触发端,允许1V/μs的边沿输入。B为正跳变触发端,允许触发脉冲边沿可慢到1V/s。若将B端作禁止端使用,则输入脉冲宽度大于50ns便可触发。Q及Q-为互补输出端。Cext和Rext/Cext外接定时电容C\(_{T}\)及定时电阻R\(_{T}\)。另外,片内还有一个定时电阻,使用片内定时电阻时,应将Rint与正电源V\(_{CC}\)相连。


定时元件选择范围为:R\(_{T=}\)2~30kΩ,C\(_{T}\)=10pF~10μF。若对稳定性要求不高,可放宽到R\(_{T}\)=1.4~40kΩ,C\(_{T}\)=0~1000μF。输出脉冲宽度t\(_{W}\)=0.7R\(_{T}\)·C\(_{T}\),可得到40~28s的暂稳态时间。
2.74122及74123
74122内部结构如图2。它采用14脚DIP封装,逻辑功能见表2。74123内部结构如图3所示,它含有两个彼此独立的单稳态电路,采用16脚DIP封装,逻辑功能见表3。这两种电路的特点是,可以从A端输入低电平触发或从B端输入高电平触发,并提供互补输出和优先直接清除。利用它们的再触发功能,为需要特别宽的输出脉冲提供了非常简单的方法。当电路被触发进入暂稳态后,在Q端输出脉冲宽度t\(_{W}\)时间内,若再输入一个触发脉冲,电路又被重新触发,Q端输出的高电平将一直延续到第二个触发脉冲所引起的延迟输出脉冲宽度后才结束。即只有触发信号周期T>t\(_{W}\)时,电路才输出宽度为t\(_{W}\)的矩形波;若T<t\(_{W}\)时,Q端将始终输出高电平。再触发脉冲与上一触发脉冲的间隔(ns)至少应为0.22C\(_{T}\)(pF)。




这两种电路都有清除(CLR)功能,可使输出脉冲在任何时刻结束,而与R\(_{T}\)·C\(_{T}\)的时间常数无关。这种特性为电路设计提供了灵活性,既可用再触发功能使脉冲宽度延长,又可用清除功能使脉冲宽度缩短。输出脉冲宽度由R\(_{T}\)·C\(_{T}\)决定,在C\(_{T}\)>1000pF时,t\(_{W}\)=K·R\(_{T}\)·C\(_{T}\)(1+0.7/R\(_{T}\)),式中R\(_{T}\)的单位为kΩ,C\(_{T}\)的单位为pF。K为系数,74122的K=0.32、74123的K=0.28。
二、 应用实例
3.脉冲展宽:
见图6,只要输入t\(_{W}\)>50ns,就可获得稳定的脉冲输出。当R\(_{T}\)=1.4~40kΩ,CT=0~1000μF时,t\(_{W}\)=40ns~28s。
4.脉冲延迟:
在数字系统中,有时需将特定脉冲信号进行定量延迟,图7可得到正极性脉冲延迟输出,图8可得到负极性脉冲延迟输出。延迟时间由R\(_{T}\)·C\(_{T}\)决定,输出脉冲宽度由R·C 决定。
5.长延时单稳:
在需要用到延迟时间大于28s的场合,必须使用大容量电解电容,按图9所示的方法连接。但这种方法增加的延时时间有限,可按图10、图11、图12设法增大R\(_{T}\),并用三极管代替二极管,元件取值与延时时间的关系分别见表4、表5、表6。



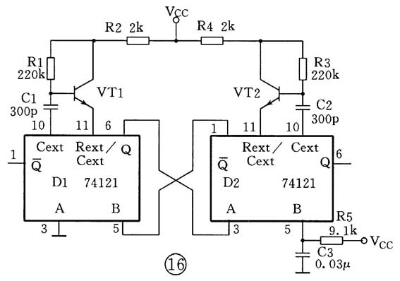
6.振荡器:
图13是用两块74121(或一块74123)组成的振荡器,从D2的Q-端输出脉冲,其振荡频率为:
f=1/T≈1/[(R\(_{T1}\)·C\(_{T1}\)+R\(_{T2}\)·C\(_{T2}\))ln2]
为使电路可靠起振,D2的B端设置了RC充电回路。刚接通电源时,B端经RC充电上升到阀值电压后,D2的Q-输出为0,经t\(_{W2}\)(t\(_{W2}\)=0.7R\(_{T2}\)·C\(_{T2}\))时间,Q输出由0变1,第一个暂态时间结束,其上跳沿直接加至D1的B端,使D1的Q端输出为1,于是开始第二个暂态。经t\(_{W1}\)(t\(_{W1}\)=0.7R\(_{T1}\)·C\(_{T1}\))后,D1的Q端输出变0,第二个暂态结束,产生的下跳沿加至D2的A端,D2的Q-输出为0,第三个暂态开始。如此周而复始形成振荡。
改变R\(_{T}\)、C\(_{T}\)的值可改变脉冲的重复频率,若使t\(_{W1}\)=t\(_{W2}\),则输出为方波脉冲。若使R\(_{T1}\)=1.4kΩ,RT2=40kΩ,可得到90%的脉冲占空比。要使振荡在某一时刻截止,可改用74122或74123组成振荡器,通过直接清除端来控制,撤除CLR电平后,又开始恢复振荡。图14、图15是使用一块74121组成的振荡器,图16是50Hz低频振荡器。工作过程读者可自行分析。



(瞿贵荣)

