带关闭控制的300mW音频功放TC4864
应用领域:手机、个人电脑及通用音频放大器。
主要特点:
在1kHz、平均功率300mW连续输出(负载为8Ω、16Ω),其最大THD为1.0%;在关闭状态时,耗电典型值0.1μA;无需输出耦合电容、自举电容或缓冲电路;单位增益稳定;可由外部来确定增益;保证输出300mW功率;单电源2.7~5.5V工作电压;工作温度范围-40℃~+85℃。
封装形式:
8引脚MSOP封装。
生产厂商:
MICROCHIP公司(www.microchip.com)。@
飞利浦半导体推出单片多格式音频解决方案
@
该系列元件的推出意味着制造商们从此可以用同一系列芯片研发符合各种音乐播放标准的产品,设计速度将因此加快,成本则大大降低,而产品则更成熟、更多样化,从而满足更多不同顾客的要求。
新产品采用LF BGA封装,大小只有15mm×15mm,功耗低,最适合用于便携式音乐播放器和汽车音响系统。由于支持MP3、AAC和微软WMA等立体声音频信号解压算法,SAA7750的可编程DSP架构因此成为MP3、CD和SSA(闪存)产品的基础。其他出色的功能还包括音量、高音、低音,以及对超低音、次高音和超级耳机的支持。
内置的闪存确保产品可进行软件升级,使其紧跟音频压缩格式发展的步伐。因为人们更喜欢软件升级而非更换硬件,所以现场直接升级的能力对家用及汽车音响尤为重要。该产品还囊括了对智能媒体、多媒体卡(MMC)的支持以及对安全数字(SD)存储卡的选择支持,有利于制造成熟的低成本单芯片产品。另外,该设备还具有USB1.1通信接口标准。
SAA7751和SAA7750都针对可升级的CD播放设备。SAA7753可降低MP3解决方案成本,其不同之处在于拥有内置ROM而非内置闪存。这两个型号都非常适用于汽车音响系统。系列中的另一个成员SAA7752则可优化CD系统的成本。
SAA7750已有样品,将于2001年第四季度批量生产。
网址:www.semiconductors.philips.com@
改进型低功耗、低失调电压四比较器LM139/LM239/LM339/LM2901/LM3302
@
应用领域:
适用于便携式电子仪器仪表、通信设备、控制电路等。
主要特点:
国半公司2000年8月份推出的改进型器件,工作电压范围宽,LM139系列为2V~36V或±1V~±18V,LM2901为2V~36V或±1V~±18V,LM3302为2V~28V;工作电流低,0.8mA(与电源电压无关);输入偏置电流低,典型值25nA;输入失调电流低,典型值±5nA;失调电压低,典型值±3mV;差动输入电压范围等于电源电压范围;低的输出饱和电压,在4mA时为250mV;输出电压与TTL、CMOS等兼容。其优点有:精度高;在整个工作温度范围失调电压漂移小;无需双电源;允许输入接近地;适用于电池作电源的产品。
封装形式:
14脚DIP、SOP或MDIP封装。
生产厂商:
NS公司(www.national.com)。@
微功耗、稳压输出的电荷泵DC/DC变换器LTC1751-3.3、LTC1751-5及LTC175 1
@
应用领域:
用于GSM蜂窝电话中的SIM接口电源、锂离子电池供电的备用电源、3V转换成5V的变换器、智能卡读出器、PCMCIA本机5V电源及白色LED驱动器等。
主要特点:
输入电压2.7~5.5V;有两种固定输出及可调输出,固定输出电压为3.3V及5V;5V输出的电流可达100mA(V\(_{IN}\)≥3V),3.3V输出电流可达80mA(V\(_{IN}\)≥2.5V);超低功耗,静态电流20μA;固定输出的电压精度为±4%;有关闭控制,在关闭状态时电流消耗小于2μA;有电源工作状态信号输出(电源良好);软启动,软启动时间可调整;有短路保护及过热保护。
封装形式:
8引脚MSOP封装。
生产厂商:
线性技术公司(www.linear.com.cn)。@
超微功耗、精密电压监控电路TPS3836~3838
@
应用领域:
应用于低功耗DSP、μC及μP系统、便携式电池供电的电子设备、智能仪器、无线通信系统、笔记本式电脑、自控系统等。
主要特点:
超低功耗,工作电流仅220nA(典型值);监控电压范围1.8V、2.5V、3.0V及3.3V;上电复位延时时间可选择(10ms或200ms);有推挽输出(无需上拉电阻)TPS3836的输出(RESET)低电平复位信号,而TPS3837的输出(RESET)高电平复位信号;TP3838为开漏结构,需上拉电阻,输出(RESET)低电平复位信号;另有手动复位;工作温度范围-40℃~+85℃。
封装形式:
5引脚SOT-23封装。
生产厂商:
德州仪器公司(www.ti.com)。@
双/四音频模拟开关SSM2402/2412及SSM2404
@
应用领域:
该两种模拟开关专门为高性能音频装置设计的。它们用来代替价贵并有噪声的继电器或由分立的JFET组成的开关电路。
主要特点:
SSM2402/SSM2412是双单刀单掷模拟开关而SSM2404是四单刀单掷模拟开关。SSM2402与SSM2412的差别是开关速度不同:SSM2412的开关时间是SSM2402的1/3。
SSM2402/SSM2412的主要特点是,它是一种无“喀哒”声的双向音频开关;失真低,典型值0.003%;噪声低,典型值1nV/;导通电阻低,典型值60Ω;高关断绝缘性,典型值-120dB;工作电压范围宽,Vs=±20V;信号电压范围宽,在Vs=±18V时,信号电压可达10Vrms;内部有输入、输出过流及过压保护。
SSM2404的特点基本与上述相同,差别有:超低THD+N在1kHz(2Vrms、R\(_{L}\)=100kΩ)时,典型值0.0008%;高的关断绝缘性,典型值-100dB(R\(_{L}\)=10kΩ,工作频率1kHz);交叉干扰小;工作电流小(典型值900μA);可单电源或双电源工作,V\(_{S}\)=11V~24V或±(5.5~12)V;TTL或CMOS兼容逻辑电平控制。
封装形式:
SSM2402/2412有14引脚DIP封装及16引脚SO封装,而SSM2404为24引脚DIP封装或SOIC封装。
生产厂商:
ADI公司(www.analog.com)。@
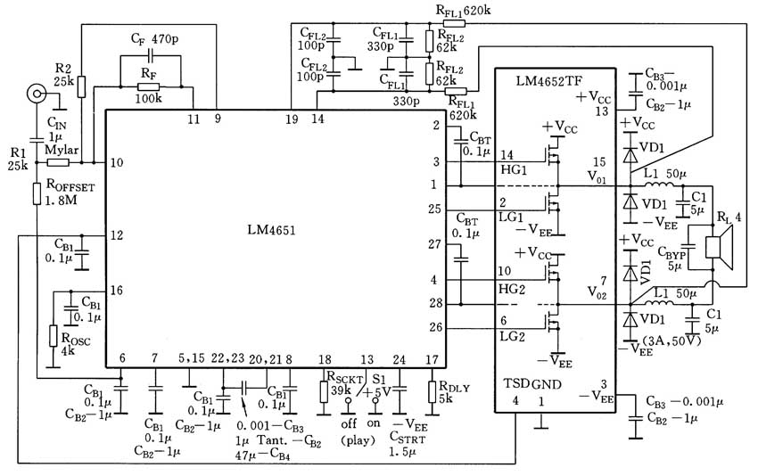
由LM4651及LM4652组成的170WD类音频功率放大器方案
@
应用领域:
家庭影院、汽车放大器、有源扬声器、扩音机等。
主要特点:
它由LM4651驱动器及功率MOSFET一起组成的高效率、亚低音扬声器放大器。在4Ω负载、THD<10%时输出功率典型值为170W;在输出10W(4Ω负载,10~500Hz)时,典型THD<0.3%;在125W时,其典型效率为85%;备用衰减(standby attenuation)>100dB。其它的特点有,常规的脉冲宽度调制;外部可控制开关频率(75kHz~200kHz);集成了误差放大器及反馈放大器;接通时软启动及低压锁存;过调制保护;短路电流限制及过热关闭保护。
封装形式:
LM4651为28引脚DIP封装,LM4652为15引脚TO-220封装。
生产厂商:
NS公司(www.national.com)。@
微功耗、低压差、大输出电流基准电压源MAX6101~MAX6105
@
应用领域:
在便携式电池供电的电子产品中用作基准电压,这类产品主要有:笔记本式计算机、PDA、GPS、DMM、蜂窝电话、硬盘驱动及便携式仪器仪表等。
主要特点:
0~1μF电容负载时稳定;初始精度±0.4%;温度系数75ppm/℃;静态工作电流150μA;1mA输出时压差50mV;能给出5mA源电流及2mA阱电流;MAX6101~MAX6105的输出电压分别为
1.25V、2.5V、3.0V、4.096V及5.0V;最大输入电压为
12.6V;无需限流电阻;工作温度-40℃~+85℃。
封装形式:
3引脚SOT-23。
生产厂商:
美国MAXIM公司(www.maxim-ic.com)。@
锂离子电池线性充电器控制器LTC1734
@
应用领域:
蜂窝电话、手持式电脑、数字相机、可做成低成本并且小尺寸的充电器、可编程电流源等。
主要特点:
可充一节4.1V或4.2V锂离子电池,对4.1V或4.2V终止充电电压的锂离子电池可保证精度为1%;充电电流可设定,从200mA到700mA;充电终止由充电电流监控;无输入电源时自动关闭;可手动关闭(在关闭时几乎不消耗电池电流);无需阻塞二极管;无需外接检测电流的电阻;输入低电压时锁存;内有过流及过热保护。
封装形式:
6引脚SOT-23封装。
生产厂商:
线性技术公司(www.linear.com.cn)。
欢迎刊登新器件信息!
欢迎索取英文资料!
联系电话:
010-67134095-18

