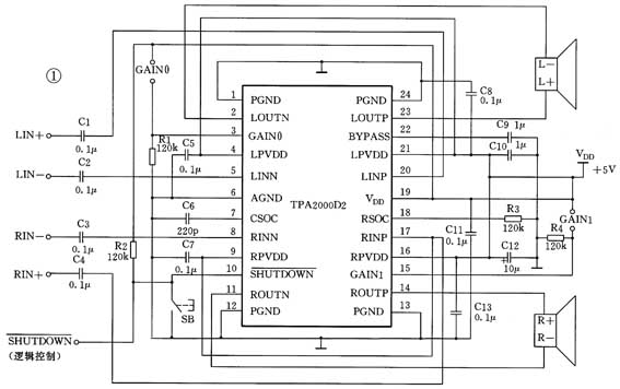
一款2W无输出滤波器的立体声D类音频功率放大器(APA)电路如图1所示。这种APA在5V电源电压下,电源电流为8mA,若用3Ω的扬声器,能输出2W的连续功率,效率可达70%,THD+N<0.4%。对于4Ω的负载,在1W的输出功率和1kHz的频率下,THD+N<0.08%。
在图1所示的立体声D类功放电路中,采用了美国德州仪器(TI)公司生产的TPA2000D2第三代D类APA单片IC(见本刊2000年第9期“新器件”栏目)。TPA2000D2集成了消噪电路,实现了无喀哒声启动与关闭。同时还集成了短路保护和欠电压关闭电路。IC在关闭模式下,仅消耗1μA的电流。为使其正常操作,电源电压不能低于4.5V。APA电路采用TPA2000D2,不仅可以省略输出滤波器,而且由于采用桥接负载(BTL)连接方式,无需使用输出耦合电容,可使系统成本降低30%,印制电路板(PCB)面积约节省75%。

如果在SHUTDOWN————————脚上有一个TTL逻辑低电平输入,放大器即进入低电流关闭模式,无声音输出。在正常操作期间,SHUTDOWN————————端应保持高电平。放大器增益由GAIN0和GAIN1两个输入端设定,IC内部的4个增益的设定范围为8~23.5dB,如附表所示。在评估平台中,电阻R1、R2和R4才被利用。在通常应用中,这3只电阻并不需要。

TPA2000D2的RSOC脚外部接地电阻R3和CSOC脚外部电容C6,用作设定PWM振荡器的频率(范围为200~300kHz)。IC的BYPASS脚外部所接电容C9,用来决定放大器启动速率并能减小系统噪声。
为什么TPA2000D2可以使APA省略输出滤波器呢?原因在于TPA2000D2采用了有别于其它普通D类放大器的调制电路与方案。传统D类放大器调制电路的差动输出中,各输出间的相位差是180°,并从地到电源电压V\(_{DD}\)变化。因此,差动输出电压摆幅为2×V\(_{DD}\),即在正的和负的V\(_{DD}\)(如±5V)之间变动。这种开关波形会产生较大的纹波电流,而且其峰值出现在负载上脉冲电压的前沿和后沿,如图2所示。较大的电流会在负载上产生较大的损耗,并严重影响APA效率。为此,需要一个LC输出滤波器去滤除纹波电流。

TPA20002所采用的调制电路虽然每个输出开关仍然是从0V到电源电压V\(_{DD}\),但是,OUT+与OUT-同相。对于正的电压,OUT+的占空因数大于50%,而OUT-的占空因数则小于50%,反之,对于负的电压,OUT+的占空因数小于50%,而OUT-的占空因数则大于50%。在开关周期中的大部分时间,负载上的电压处于0V,这就大大地减小了开关电流,如图3所示。纹波电流的减小,降低了负载损耗(I2R)。由于负载上电压摆幅是V\(_{DD}\),替代于传统D类调制方案的2×V\(_{DD}\),并且脉冲宽度很窄,故在大多数应用中可以去掉输出滤波器。

(毛兴武 张 伟)