S系列射频无线发射/接收组件品种多,工作电压范围宽,功耗低,外围元件少,灵敏度高,是制作无线遥控、遥测、多路无线数据传输及报警产品的理想器件。
一、射频发射模块SF04B、SF04E
SF04B、SF04E是采用SMT工艺、树脂封装、小体积发射模块,其引脚排列见图1、图2。SF04B、SF04E的性能相同,工作电压为3~12V,发射电流为0.2~10mA,发射功率为5mW。只是它们的发射频率不同,SF04B是315MHz,SF04E是433MHz,频率稳定度均为10\(^{-}\)5。


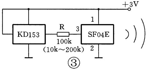
图3为SF04E的应用电路与接收电路,工作电压为3V,调制信号采用BP机声片,输出1秒钟3次、频率约1kHz的音频脉冲信号,利用间断脉冲调制可使调制机处于极低功耗状态,便于长期连续工作。由于发射机处于间断发射状态,当R为200k时,发射电流最大可达0.8mA,发射半径为20m左右,配套接收电路采用无外围的SJ04H模块。该电路可用于开发遗失报警器及各种遥控玩具等产品。

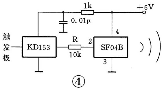
图4是SF04B的应用电路及配套接收电路,工作电压为6V,发射距离约80m。KD153的触发极平时被内部低电平控制,无信号输出,SF04B处于待机状态;触发极一旦被高电平脉冲触发,便输出一串脉冲去调制SF04B,约几秒后关闭,等待下次发射。调整R可调整发射电流。配套接收电路使用SJ04E,其待机电流约为0.2mA。由于SJ04E输出为高电平脉冲信号,不是直流电平,不能用万用表测试。调试时可用一只发光二极管串一只3k电阻监测SJ04E的输出状态。本电路适于开发各种低成本遥控报警器及控制电路。

二、射频接收模块SJ04E、SJ04H、SJ04C
SJ04E与SJ04H的性能、外形尺寸及引脚功能均相同,只是频率不同。SJ04E为315MHz,SJ04H为433MHz。其工作电压为2.6~4.5V,工作电流为0.2mA,灵敏度<5μV。其外形尺寸及引脚见图5。

图6是SJ04E的典型应用电路,配套发射电路详见SF04B、SF04E,也可与SF05A、SF05B配套。图6中SJ04E采用3.5V电压供电以确保SJ04E有最佳接收灵敏度及输出电平,以与解码器电平接口。SJ04E输出可直接与PT2272接口,输出能力可直接驱动发光二极管。若采用单片机译码,单片机应离开SJ04E,更需避免共用一条地线。SJ04E工作电压低于3V时,灵敏度开始下降。SJ04E与SF05配套在开阔区最大收发距离可达300m。

SJ04C是目前体积最小的接收模块,出厂时调在315MHz,工作电压3~5V,工作电流约0.3mA。图7为SJ04C的外形尺寸与引脚排列。SJ04C内部不包含放大及整形,输出的信号要加放大、整形电路后才能到解码器解码。

图8是一则放大整形电路。SJ04C无信号时输出约3mV的噪声,即处于正常接收状态。SJ04C的外接天线不宜长于100mm。

三、 射频发射模块SF05A、SF05B
SF05系列采用声表谐振器稳频,SMT树脂封装,频率一致性较好,免调试,特别适用于“多发一收”无线遥控及数据传输系统。SF05系列具有较宽的工作电压范围及低功耗特性,当发射电压为3V时,发射电流约2mA,发射功率较小。12V为最佳工作电压,具有较好的发射效果。发射电流在5~8mA时,对2400~9600波特率的数据信号具有较好的发射效果。
图9为SF05A、SF05B的外形尺寸与引脚排列图。图10、图11为SF05A与SF05B的典型应用电路。编码器采用PT2262,振荡电阻R1取1.2MΩ,无信号输出时SF05不工作,发射电流为零。当为低电平时,输出已设定的编码脉冲对SF05进行调制发射,发射效果与发射电压、天线及R2有关。接收电路可用SJ05B、SJ04E、SJ04H配套。SJ05B属二次变频超外差高度集成电路,与SF05配套时收发均免予调试。
四、 射频接收模块SJ05B、SJ05C
SJ05B采用超外差、二次变频结构,所有的射频接收、混频、滤波、数据解调、放大整形全部在芯片内完成。接收功能高度集成化,其引脚功能见图12。SJ05B有两种工作方式可供选择:第③脚悬空,射频接收频带较宽,适合发射频率精度误差较大的声表面稳频的发射机及一般的LC发射机;第③脚接地,射频接收带宽较窄,解调滤波器频带较宽,要求配套发射机具有较高的频率精度及稳定度。若是用于单片机数据传输,用1200波特率比较合适。
图13为SJ05B的典型应用。配套发射电路见SF05A、SF05B,解码器PT2272振荡电阻取200k,编码器应为1.2MHz,为解码有效指示端。
SJ05C为超外差电路结构,具有较高的接收灵敏度与稳定性,适合与ASK方式的发射器配套,工作电压为2~6V,工作电流4.5mA,接收频率315MHz,接收灵敏度-105dBm(1.5μV)、最大数据速率4.8kbps,输出数据电平V\(_{DD}\)为0.3V。
图14为SJ05C的外形尺寸及引脚排列,图15为其典型应用,配套发射电路详见SF05A、SF05B的介绍。
(472100)河南三门峡西桥头61号
金聚宝电子制作室
供SF04B、SF04E、SJ04E、SJ04C均18元/块;SF05A、SF05B,28元/块;SJ05B,45元/块;SJ05C,35元/块;PT2262/2272每套6元。邮费每次5元,电话:0398-3615073、3615744。