为使电话机实现双方正常通话,对电话机的通话性能提出了较为严格的要求。在这些要求中,消侧音电路起着至关重要的作用。其主要原因是,对着送话器讲话时,会有部分话音电流反馈到受话器中,使发话人在受话器中又听到自己的声音—侧音,使发话人感到刺耳、心烦,易引起听觉疲劳,影响通话质量。为消除这种不必要的侧音,需要在通话中设置消侧音电路。目前,消侧音电路有以下两大类。
这种消侧音电路广泛应用在传统的机械拨号盘式话机中,它有以下两种电路形式。
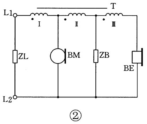
这种电路是利用两组线圈,它们的磁通量大小相等,方向相反而互相抵消,使受话器线圈中无感生电动势产生,从而消侧音(见图1)。
主要是利用平衡网络上形成的电压降与感应电动势互相补偿,使受话器两端的电压为零而达到消侧音之目的(见图2)。
由于拨号盘式话机逐步趋向于淘汰,故消侧音电路原理与应用不作详细介绍。
电子消侧音电路是采用电子元器件组合而成,克服了老式感应线圈式消侧音电路某些不足之处。因此被现代按键式电话机所采用,下面着重介绍几种常用的电子消侧音电路。
电路组成如图3所示,它是采取惠斯登电桥形式而设计的一种消侧音电路。图中ZL代表从L1、L2端看出去的市话线路阻抗及对方话机发号电路等并联在L1、L2两端的等效阻抗;R2为电桥臂AC的电阻(R\(_{AC}\))、R1为电桥臂CB的电阻R\(_{CB}\)),可由纯电阻或阻容元件组成;ZB为电桥臂AD的电阻(R\(_{AD}\)),一般为三元件网络。由图可见,接收放大器与受话器(BE)跨接在电桥的两个对角接点A、B上;发送放大器与送话器(BM)跨接在电桥另外两个对角接点C、D上。
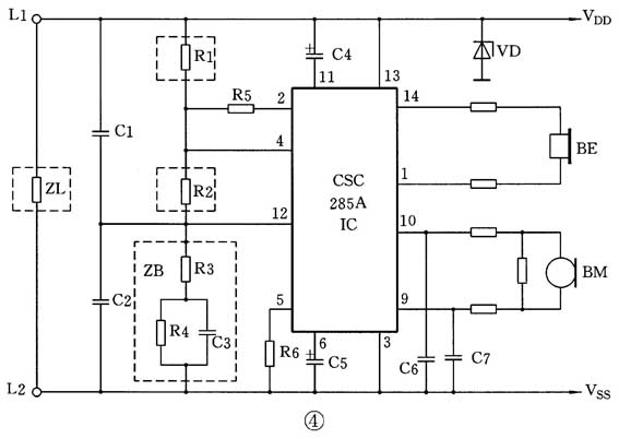
以CSC258A集成电路为核心组成的手机(送/受话器)通话电路,见图4。它主要由发送放大器、接收放大器、稳压器和消侧音电路等组成。消侧音电路由R1、R2、R3、R4和C3组成,其中R3、R4、C3组成的三元件平衡网络,是一个标准的平衡电桥,即为惠斯登电桥中的ZB。电桥中的R1、R2的比值决定了输送到市话线路上的信号大小。图中的稳压管VD、旁路电阻R6、滤波电解电容C5是为保证整个通话电路可靠工作而设置的;接于②、④脚之间的R5是一负反馈电阻,可防止电路产生自激和啸叫;C1、C2和C6、C7是保证消侧音电路稳定工作的抗外界高频电磁干扰的电容器。
根据平衡电桥的有关知识,满足电桥平衡的条件是相对桥臂的阻抗乘积相等,也就是说只要使R2×ZL=R1×ZB,电桥才能达到平衡。这时A点与B点电位相等,跨接在A、B两点上的受话器BE中没有电流,于是跨接在C、D两点上的送话器BM经放大器输出的声音回到受话器上的侧音应为最小。适当地调整三元件网络(ZB)的数值,可使整个电桥获得较好的平衡,达到良好的消侧音效果。然而,由于外线接入话机端阻抗(ZL)会随着电话用户距离的远近及线路阻抗等客观因素而不断发生着变化,在200Hz~4kHz通话频带内很难完全满足平衡条件,因而总会有不同程度的侧音存在,这对常用的电话机也属正常现象。维修人员正可以利用这一特征,自己对着送话器吹边风,能否在受话器中听到一点侧音,即可自查通话电路及送/受话器有无故障。
2.相位抵消法消侧音电路
这也是一种较为常见的消侧音电路,在通话专用集成电路中普遍采用,在分立元件通话电路中却用得较少。
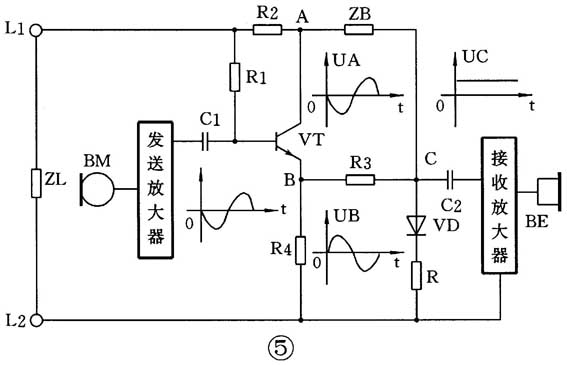
电路组成如图5所示,它是由三极管VT为主构成的一种较为典型的相位抵消法,消侧音电路。R1为VT基极的偏置电阻,R4为VT发射极的下偏置电阻,ZB为通话电路中的三元件平衡网络,R3为消侧音幅度平衡电阻,C1、C2分别为话音输入与输出的交流耦合电容。
当送话器BM送出一个音频信号经发送放大电路放大后,通过C1耦合到VT的基极,被VT放大后的信号分为A、B两路;第一路经VT集电极输出至A点,在A点又分为两路,一路经R2送往电话机外线,另一路经ZB(三元件网络)加到接收放大电路输入端C点;第二路经VT的发射极输出至B点,经R3也加到C点。于是到达C点汇合的两路话音信号相位正好相反(见图5中的波形),这两个信号在C点叠加后互相抵消,使输入到接收放大器的信号大为减少。只要适当选择R3、ZB网络的参数,可使输入到接收放大器的本机送话信号电流接近于零,可达到令人满意的消侧音效果。当然和阻容桥式消侧音电路一样,不可能将侧音完全消除。 (刘明清)




