无绳电话是一种精密电子产品,在使用中受潮漏电是影响其正常工作的重要原因之一。受潮漏电情况主要有:无绳电话长期处于多尘潮湿空气中导致的元器件漏电;雨水、茶水漏入无绳电话机内,造成印制板上电路漏电;电池电解液泄漏致使印制板腐蚀漏电;键盘受潮及导电橡胶故障引起的漏电等。下面分别对上述受潮漏电的故障现象进行分析并介绍相应的故障排除方法。
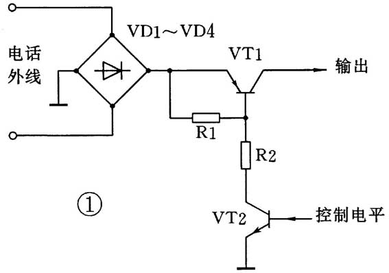
我国南方梅雨季节,气温突然升高,潮湿空气加上高温,加大了电子元件因漏电而产生故障的几率,其中较为典型的是主机带有免提功能的无绳电话。以轻触型免提开关的无绳电话为例,该机电子开关部分电路如图1所示,电话外线48V恒流直流电经极性校正电路VD1~VD4后,加在PNP型高反压管VT1上,VT1发射极和基极之间接R1而同电位,VT1集电极与地之间仅有几伏电压降,所以,基极与集电极之间电压始终处于近50V的高压。如有铃流到来,最高电压可超过100V。同样VT2的集电极与基极之间也始终存在着高电压。当潮湿空气弥漫在三极管VT1、VT2的基极与集电极引脚之间时,两引脚之间电压形成的电场,会使空气中的离子或在电场作用下电离的离子作定向移动,再加上灰尘的作用,会在两引脚之间的黑色塑料表面沉积一层导电层,据测定其电阻在2~3MΩ之间,足以使VT1或VT2导通,导致线路一直接通。在天气干冷时情况会好转,天气湿热又将复发,甚至在半夜里突然接通电路,时好时坏,这种软故障常让修理人员无从着手。根据经验,这种故障十有八九是由高反压管漏电或对应的印制板漏电造成的,所以检查故障时应先检查印制电路板上的几只高反压管,常用的高反压管在《无线电》2001年第5期“无绳电话修理之无振铃故障篇”附表中已列出。需要注意的是,大多数日本型号三极管基极不在中央(如图2所示),塑封三极管平面上印刷或激光打印的A92、A94是MPS A92和MPSA94,而A1013是2SA1013,引脚虽然不同,但B、C极都靠得很近。一般故障更换三极管就能排除,若手头无合适的三极管也可以进行应急修理。用尖刀将B、C极引脚之间的导电层刻断,可刻成一深槽,然后用万用表R×10k挡测B、C间的反向电阻,接近∞即可。

有些无绳电话的免提功能是用一个自锁开关切换的,虽然高反压管一般不会出现上述故障,但在潮湿空气中自锁开关引脚之间也会产生类似现象,严重的会在引脚之间出现焦痕,使塑料碳化,在铃流到来时甚至会产生火花和焦味。这种自锁开关有两种不同引脚排列,如图3所示,图3(a)为双刀双掷自锁开关,引脚面向读者,②、⑤脚为刀,更换时注意外壳上有一凸筋,不能装反,未按下时2-3、5-6连通,按下一次为2-1、5-4连通,再按一次又恢复原状。图3(b)为另一种双刀双掷自锁开关,①、⑥脚为刀,未按下时1-3、6-4连通,按下一次为1-2、6-5连通,再按一次又恢复原状,这种自锁开关的优点是正反方向安装功能不变。上述两种开关不能互换。

无免提功能的无绳电话,外线是通过隔离变压器与机内相连,虽无上述故障,但在振铃电路中,如果电路引线比较靠近,印制板受潮或板面有残留电解液,也会在铃流到来时漏电,轻则铃声变调,重则短路铃流,使电路常通,造成摘机假象。潮湿空气也容易将振铃变压器初级线圈和受话器动圈的细漆包线蚀断。
二、 电话机内进水
雨水或打翻杯碗的水进入电话机后,由于机壳内印板离底部平面很近,积水会使部分元器件引脚之间导电,不但使电话机工作中会产生噪声,也会使引线铜电极和印制板铜箔电解腐蚀。开始时工作时断时续,最后电路完全切断。修理时打开机壳,翻过印板,可见局部印板一层铜绿,刮去锈层,连焊好蚀断处即可。需要指出,在话机进水后,应该马上切断电源和电话外线,及时拆开机壳,用脱脂棉花吸干水迹,再用脱脂棉蘸无水酒精擦干痕迹,用热吹风机吹干或敞开晾干。如有水进入中频变压器、振铃和隔离变压器内部及集成电路下部,如是清水,可敞开晾干数小时,若是含有腐蚀性杂质的水,则应焊开上述元件,清除污迹后再焊上,否则日久会腐蚀元件引脚及印板。
三、 电池漏电解液
无绳电话手机使用的镍镉或镍氢电池,如质量较差,电池与机内印板无隔离措施,电池在使用中漏出的电解液,轻则腐蚀电池插头,重则腐蚀印制电路板及键盘指叉状电极。维修时应用刀刮净电路表面被腐蚀部分,用纯净水清洗残存电解液,修补好断损电路,同时也要将导电橡胶上的电解液清洗并晾干。
四、 键盘及导电橡胶故障
主机及手机的键盘及配套的导电橡胶是使用频率最高的部件,使用数月或年余就应拆开清除污垢。导电橡胶中碳粉易受挤压而溢出,附着在键盘的指叉状电极上,有部分导电橡胶在制造过程中添加了较多的增塑剂,使用一阶段时间后易挥发,如油状布满电极,使导电橡胶的导电部分不易接触到电极,以至按键时用力越来越大才能拨发出号,久而久之会使键盘印板变形,造成元器件脱焊。
潮湿空气易使键盘上电极氧化,多尘的空气更易加速电极的磨损。进入键盘的水分造成某些按键短路时,在摘机后就会发出某一键号的双音频拨号信息。修理时,拆开主机或手机的键盘,剥离导电橡胶,先用毛刷除去灰尘,再用白色擦字橡皮擦拭,然后在纵横方向各用刀除去电极上及电极中央的氧化层及污垢(千万不能用小刀或砂纸去除垢,否则会使表面镀金的指叉状电极受到永久性损伤,表面更易氧化以至最后无法使用)。
潮湿的键盘还应暴露于干燥通风处晾干,确实干透后才能装好还原。
五、 维修实例
1.CLT360机,开机键(TALK)按不动,拆开发现键盘被油污浸满,擦净后,使用数月又出现同样现象,发现是导电橡胶渗出增塑剂所致,需定期清除,HW186P/T机也有类似故障。
2.KX-T3911C机,需用力按键才有效,查导电橡胶碳黑污染键盘,可用橡皮擦净修复。HW388P/TD也有类似故障。
3.HW833(4)P/TSD机无铃,PNP高反压管C、B极间表面漏电,切断导电层或换新管都可。
4.KX-T9595机LCD显示器暗淡无光,LCD屏由电阻56k降压供电。将56k换成20k可用,但隔数天又不显示,最后查出是LCD屏电路极上两贴片电容受潮漏电,换成圆片电容后,将更换过的电阻恢复原状后显示正常。
5.HW9000 P/TSD LCD机常通,查是免提自锁开关漏电,换同类自锁开关后即恢复正常。
6.TL6712SD机,送受话均好,但手机发号时按一下键会发出两个声音,以至重复发号,用橡皮擦除键盘污垢后,轻触即能正确发号。
7.CLT-X1机,按键无用,查键盘较脏,擦净后仍不能正常发号,偶而能发号也会中途中断。查按键板上无铜箔断裂现象,反面有贴片发号集成电路LC7367。可能是按键时使键盘变形,使发号集成电路引脚脱焊,后将引脚用尖形烙铁烫焊一遍后故障排除。判断故障原因是键盘表面氧化,接触不良,按键时用力加重,造成反面电路引脚脱焊,以致按键无法正常使用。
8.HWJ007机不能对密码,拆开手机后发现键盘脏污,接触不良,对码键不通,擦净即好。
9.HW388机手机浸过水,不能用。拆机后发现电路板铜箔已被腐蚀断裂,电池烂坏,从锈迹判断水浸已有多日,如及时拆开清洗水迹,损坏面会较小。清洗锈迹,刮除电路表面氧化层,重新接通电路,换新电池,电话即可正常使用。
10.HW628机通话有杂音,经查是两根电话进线中一根红色塑料线中间的铜箔线被塑料中含腐蚀性成分侵蚀,铜箔变色变脆易断,换新线故障排除。 (姜立中)
