随着光驱制造技术的发展,低倍速的光驱已经逐渐被淘汰。就算是高倍速的光驱,由于激光头的损耗,基本上经过光盘两三年的洗礼,差不多就寿终正寝了。但就只能被淘汰了吗?其实现在的CD机转速基本不超过10倍速。因此只要废旧光驱的激光头没有太大的磨损以至完全瘫痪,在1或2倍速这样的低速下,是完全有能力读出CD数据的。
只要为这类废旧光驱安装一个合适的电源,即可做到“光驱的起死回生”,而用机箱电源来提供仅一个光驱的电源太浪费了,于是经过笔者研究实践数天,做成一个经济实用的电源。下面就将其原理和制作过程与大家分享。
1.电路原理
首先由小巧玲珑想到的是开关电源,体积小、效率高是其优势;但是制作复杂,成本较高,纹波较大,对于一个小小的CD电源来说似乎性价比太低了点。权衡再三,笔者还是决定用线性电源来做,虽然体积、重量大了一点(主要因为变压器),但是有谁会带一个光驱在自己的兜里听CD呢?而且采用线性电源后,成本会降低不少。
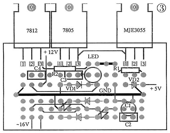
光驱的电源线共4路(见图1):

最右边一排有4个孔的就是插电源线的,其实就是一个+5V和一个+12V的电源。每一路的最大电流值不同厂商不同型号的光驱上标志的都不尽相同,但据笔者实验,基本上+5伏需要输出的电流较大,+12伏需要输出的电流较小。基于以上考虑,笔者设计了如下电路(见图2):

(1) 变压器、整流桥和大电容C1共同构成降压整流滤波电路,变压器的变压比笔者选用了220/16。因为两块稳压片(7805和7812)的输入都是直接从滤波电容C1处接入,而这两块稳压片的典型输入输出电压差为2.5V,最低应不小于2V,所以7805和7812的输入端(1脚)电压至少应在14V以上,又不宜太高,一方面要保证小于片子的最大输入输出差(一般为40V以上),输入输出差越大,片子的功耗就越大,平空浪费能量。还有,变压器功率要足,否则电流过不了这个门槛就到不了后面各级电路。
(2) 其中C2、C3和C4这3个小电容的作用是滤掉电网电压和稳压片产生的高频分量,减少输出电压的纹波。
(3) 因为12V电源的负载较小,7812足以提供输出电流;而5V电源负载较大,笔者经过试验,发现用7805基本上不能驱动任何一种光驱,所以加了一个功率管(笔者因为手头有3055管子,所以就用了它,其实可以用更便宜的TIP122)。其中VD2和R1是用来给功率管偏置使其工作的,R1阻值不宜过小,省得浪费能量。相应的需要在7805的公共端(2脚)串接一个与VD2规格一样的二极管VD1,用来抬高被功率管偏置减少的电压,使输出5V不变。
2.电路具体制作
(1) 使用材料
① 变压器:220V/16V,5W;
② 7805,7812,小功率管MJE3055;
③ 二极管、电容、电阻若干,规格如图2中标注所示;
④ 小实验板一块,小风扇一个。
上面的各种元器件都较常规,也很便宜,总的成本在10元左右。
(2) 电路制作
做印制板比较贵,加之此电路并不复杂,所以笔者采用了在非常廉价的实验板上制作的方案;因为电流较大,所以3个片子需散热保护,笔者采用的是加装风扇的技术,也可加装散热片,这随个人选择。电路连接图如图3所示(仅供参考)。

3.成品效果
C1容量越大,耳机输出中的噪声就越小:几百微法时,进出仓时噪声特大;几千微法时几乎没有了噪声;几万微法时,完全消除了噪音,音质还很不错。这个其实是每个音响发烧友的常识,要好的音质,就要大的电容,不过成本也就相应增加。
4.后记
听CD所要求的转速仅需几倍速就够了,而光驱几十倍速的旋转似乎太浪费了。如果能降低其转速,那么整个工作电流将大大减少,可以把散热设备完全省去。这样势必要和光驱背后的IDE接口打交道,比如增加一个单片机控制系统(实现曲目的设定、播放时的快进等控制以及遥控等等功能)。但是,这个成本会急剧上升,可能升到一个VCD的价位,那样的话就毫无经济价值了。所以笔者就不再深入,本来就是废物利用而已,当然不能舍本求末了。
(丁峰平)