故障现象:
该机不能录制视频入插孔(VIDEO IN)输入的视频图像信号,但可以记录声音;重放录像带、接收电视信号和录制电视信号时都正常。
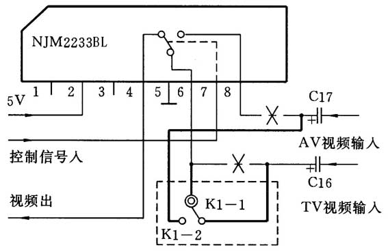
分析与检修:
根据故障现象分析,该机能录制电视信号,说明该机在记录状态时所需的各种控制信号是正常的,故障多发生在视频和电视信号的转换电路上。其所用的转换集成块是(NJM2233BL),该集成块的⑧脚为视频信号输入端、⑥脚为电视信号输入端、④脚为视频信号输出端。其检修思路是:由于手头没有示波器,就把电视机当作示波器置AV状态,用视频线的一端接电视机的视频入插孔(VIDEO IN),电视机视频地与录像机视频地相接,然后用视频线另一端的中心头去碰触所要测试点,看有无图像来判断这级是否正常。首先从音视频输入输出(VEP03978)板上视频转换集成块(NJM2233BL)的⑧脚开始查起,碰触⑧脚有图像,说明视频入信号正常,碰触④脚输出端没有图像,说明故障就出在该集成块上。检查该块的控制⑦脚控制信号正常,说明该集成块内部电子开关已损坏,使从视频插孔输入的视频图像信号不能送往后级视频处理电路,而造成本故障。由于无法购到同型号集成块。最后分析了该集成块的各脚功能及线路情况,就对该机进行了简单改进,具体见图示。粗黑线和虚框内的开关(K)是需增加的,将集成块的⑧脚视频输入的耦合电容C17和⑥脚电视输入信号耦合电容C16焊开,从两个电容的正极各接一根线至转换开关(K)上,开关的中心头接视频转换集成块(NJM2233BL)的⑥脚,两个电容的负极不动,然后把这个开关K固定在录像机机壳上。当需要录制电视节目时,就把开关拨到K1-1上;当需要从录像机视频插孔录制输入的图像信号时,就把开关拨到K1-2上即可。

经过以上改制之后,无论录制或收录电视信号,图声效果都不减当初,所要注意的是改接开关的连线要尽量短些。此种方法也比较适合能录制视频插孔输入的视频图像信号但不能收录电视信号的故障机。
(韩军春 姜恩乐)