一台松下NV-M9000摄像机接通电源开关,电源指示灯亮,取下镜头盖,电子寻像器内有景物图像,插入带盒能够拍摄,按广角(W)或摄远(T)按键,镜头推拉不畅,并且范围很小,严重时镜头完全不能推拉。
分析与检修:
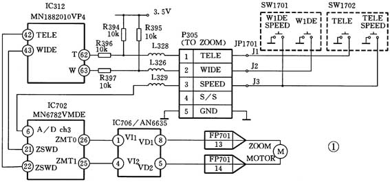
由拍摄时按下W或T按键,镜头推拉不畅的现象分析,初步判断故障出在变焦环传动机构或变焦控制及驱动电路中,该部分电路如图1所示。拆开机器右边机壳,为了便于检修操作,从主电路板上拔下电子寻像器接插件P3002插头,拔下自动聚焦印制板上W/T操作按键接插件P305插头并卸出左边机壳,然后从左边机壳上卸出W/T按键开关组件并将插头重新插回P305插座,卸下镜头上筒形镜头罩,用500型万用表监测变焦电机(该电机安装在镜头组件右下方)两端电压为零,按下W键,电表指示从零变为2.8V,按下T键,电表指针反转,调换表笔后电表指示也为2.8V,说明变焦控制及电机驱动电路工作正常,故障在变焦电机组件或变焦环内部。参看图2,进一步观察,发现按下W或T键时变焦电机转动轴上铜垫片能够正常正转或反转,而变焦电机传动齿轮不转动,用塑料起子拨动变焦电机传动齿轮,发现齿轮会在电机转轴内上下移动,说明传动齿轮已逃离电机转动轴上的弹簧骨架,因此造成按下W或T键时,变焦电机传动齿轮不能与变焦环齿轮正常啮合传动,于是出现上述故障现象。


排除方法:
卸下变焦电机紧固螺钉,重新安装好变焦电机传动齿轮(见图2装配图)后,按W或T键,机器恢复正常工作,故障排除。
(黄福森)