双向晶闸管通常不作整流元件使用,但它也有整流作用。附图给出了一个简单的利用双向晶闸管组成的半波整流电路。在市电正半周时,二极管VD正向偏置,为双向晶闸管提供了控制极触发电流而使其导通;在市电负半周时,VD反向偏置,双向晶闸管因无控制极电流而不能导通。这样,就实现了和单向晶闸管类似的整流作用。需要说明,双向晶闸管用作可控整流虽然是可行的,但因成本和触发电流等性能价格比因素,很少在实践中应用。
(王学文)@
黑龙江 陈绍武:本刊2000年第12期刊载的“双向晶闸管”一文中谈到,双向晶闸管相当于两个单向晶闸管的反向并联,但只有一个控制极,它的两个主电极不再分为阳极和阴极,而是称为第一电极T1和第二电极T2。请问您,T1和T2是不是可以任意互换使用呢?

可以肯定地说双向晶闸管的两个主电极T1和T2是不能互换使用的。从制作工艺和管芯结构(参见附图)来看,T1和T2是有差异的,一般规定与控制极G同侧引出的主电极为T1极,在实际应用中如果混淆了主电极T1与T2,不仅会造成双向晶闸管本身的损坏,也常常导致控制电路中有关的元器件损坏。因此,在使用双向晶闸管时,必须首先分清T1、T2的管脚引线,在电路中正确连接。
(王学文)@
利用万用表判别双向晶闸管的三个电极的方法是:首先找出主电极T2,将万用表置于R×100挡,用黑表笔接管子的任一个电极,红表笔分别接另外两个电极,若表针都不动,说明黑表笔接的就是T2。否则就要把黑表笔再调换到另一个电极上,按上述方法进行测量,直到找出主电极T2。然后,再找T1极和G极。T1与G间是两个背靠背的PN结,正、反向电阻一般在100Ω以下,但阻值依然有很小的差别。可用R×1挡测正、反向电阻,例如,一次是28Ω,一次是25Ω,则在电阻小的一次,黑表笔接的是T1,红表笔接的是控制极G。
测试双向晶闸管好坏的方法是:将万用表置于R×1或R×10挡,黑表笔接T2,红表笔接T1,然后将T2与G瞬间短路一下随即离开,此时若表针有大幅度偏转,并停留在某一位置上,说明T2、T1之间已触发导通;当调换两表笔重复上述操作时,如果T2、T1间仍维持导通,则说明这只晶闸管是好的。
(向群)@
广东 李峰兆 用万用电表是否可以测量变压器绕组之间的绝缘电阻?如果变压器初级绕组烧掉了,那么它是否还有电阻存在?变压器的绕组是否可以乱绕?如何根据变压器的初级绕组的绕制方向来辨别次级绕制方向?

严格来讲变压器绕组之间的绝缘电阻要在特定电压下测量,所以一般要用摇表。自己绕制变压器时,如果要求不高,也可以用万用表的欧姆挡(最好是选择×10k挡)来测量变压器绕组之间的绝缘电阻。测量时要将万用电表的两只表笔分别接在变压器的初级和次级上。
小功率电源变压器初级绕组的电阻一般在1kΩ左右,大功率电源变压器初级绕组的电阻只有数十欧姆,如果变压器初级绕组烧掉了,线圈会烧断,所以它的电阻基本是无穷大。
只要变压器的骨架有足够的空间,电源变压器的绕组可以乱绕。
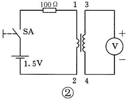
辨别变压器的初级绕组和次级绕组的绕制方向实际就是辨别两组线圈的“同名端”问题。如图1所示;三个绕组中①、③、⑥为同名端,②、④、⑤为同名端。要辨别变压器的同名端,可以按图2所示连接好变压器和直流电压表,直流电压表最好接在绕组较多的一边。在将开关合上的瞬间观察直流电压表,如果表针向右摆动,说明①端与③端为同名端;如果表针向左摆动,说明①端与④端为同名端。
(周海)@
山西 刘秋生:我在市场上经常看到用日本型号命名的晶体管,2SA、2SB等,请简单告诉我怎样区分这些晶体管的型号?
市场上常见的用日本型号命名的晶体管有2SA、2SB、2SC、2SD。从极性上看,2SA、2SB是PNP型管,2SC和2SD是NPN型管。从用途上看,2SA和2SC是高频管,2SB和2SD是低频管。不管哪个家族,晶体管的号码都从11开始,现在号码最多的是2SC一族,已经超过3000,并且仍在增加。2SC一族就相当国产的3DG型三极管。如2SC1815型管在市场上销量特别大,但要注意它的管脚排列不是E、B、C,大部分都是E、C、B。另外,2SC1818后边的字母是表示hFE(电流放大倍数)的大小:
O:70~140倍,Y:120~240倍,GR:200~400倍,BL:350~700倍。例如,2SC1815-Y就表示放大倍数为120~240倍的NPN型高频管。
(沈长生)

