许多高速运动的生产机械、大功率电力电子器件,在运行中产生的热量不能依靠自然冷却或强制风冷进行散热,往往需要通以冷却水进行强制水冷。当冷却水因故断流时,会使这些设备的温度急速升高,导致严重损坏。为此,本人制作了一种冷却水断流报警电路,经过一段时间使用,效果很好,愿意推荐给读者。
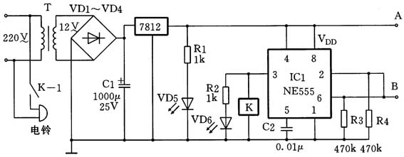
该报警器的电原理图如附图所示。图中,A、B两个金属探针可分别接在冷却水的进、出口管道上(在A、B之间的水管中需接一段橡皮管或硬塑料管)。当水管中有水流动时,时基集成电路IC1的②脚和⑥脚电位均高于2/3VDD,③脚输出低电平;当水管中断水时,IC1的②脚变为低电平,于是③脚输出高电平,发光二极管VD6点燃,继电器K吸合,其常开触点闭合,接通电源的电铃发出报警声。在一些重要设备中,也可将继电器K的常闭触点接入设备的运行控制电路中,一旦冷却水断流,会立即切断设备的电源,保护设备不因过热而损坏。

(蒋旭斌)