《基于电网的载波数据传送》(《无线电》2000年第12期)一文中所述方案,已经成功地运用于电力自动抄表,医用载波传呼、楼宇安全监控以及教学闭路电视遥控等系统之中。应广大读者和一些电子企业的要求,在上述基础上又开发出了专用载波芯片20余种,现将部分芯片及配套电路介绍给大家。
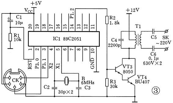
一、6路遥控电路
此电路采用的芯片为收发两用芯片,是功能选择脚,此脚悬空,完成载波发送,此脚接地,完成载波接收。采用该系统,可对在线电器实现集中管理。
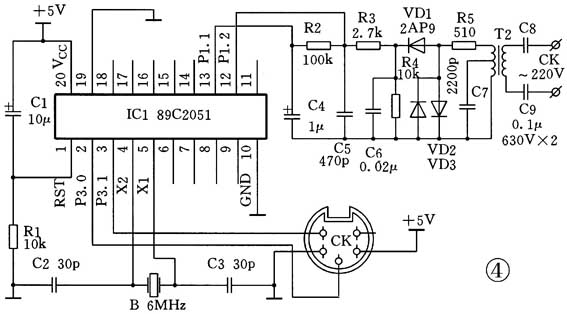
由图1可知,IC1的P3.0~P3.5接有按钮开关SB1~SB6。在程序的控制下,CPU不断地扫描P3口的各条口线,读取各开关的状态。当发现SB1~SB6中有键被按下时,CPU就将P3口的数据通过P1.2调制发出,送上载波线路。载波遥控接收电路(见图2),从载波中检出的脉冲信号通过P1.0和P1.1送入片内比较器,整形后自片内输出端P3.6送给CPU进行识别,接收到正确数据之后,进行数据处理,将开关状态变化的数据送至P3口,通过光耦触发晶闸管VS1~VS6对负载HL1~HL6进行开关控制。SB1~SB6对应控制HL1~HL6。
二、标准键盘键值发送接收电路
在许多应用系统的开发中,需直接运用标准键盘来完成人机对话,以实现系统标准化、模块化,还能大大缩短开发时间,尽快形成产品,形成规模。而利用电力线载波来传送键盘的输出信息,在实际工程设计中是十分有用的。例如对教学闭路电视系统的操作,危险环境的终端设备的操作等,这样,不需在控制前沿和键盘间再嵌入专用工业控制计算机(PC),大大节约了开支,降低了控制成本。
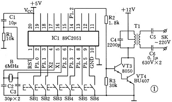
该电路所用芯片的功能选择脚为P1.7,此脚悬空,具备键值读取和载波发送功能,此脚接地,则具备载波接收和键值输出功能。
键值读取及载波发送电原理图见图3,IC1的P3.0和P3.1读取键盘送出的键值数据和其它确认应答数据,并将键值数据放入片内RAM之中,然后调用载波发送程序,将数据调制在载波上,通过P1.2输出,送到载波线路上。

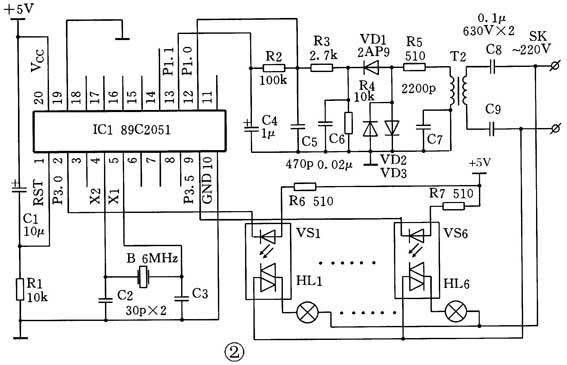
载波接收和键值数据输出电原理图见图4,载波信号从IC1的P1.0和P1.1输入,从片内比较器的输出端P3.6送至CPU,CPU接收到数据后,经奇偶校验无错误时,将数据通过P3.0和P3.1以与键盘数据输出相同的格式发送出去,传给终端受控设备。

三、载波侦听多路访问收发电路
为了使数据在同一条线路上正确无误地传递,国际上通行的办法是采用“冲突检测载波侦听多路访问”(CSMA/CD)技术,将此技术的某些规范用于小范围电力载波数据传输中,对提高载波线路利用率和防止数据丢失是十分有效的。
图5是载波数据双向传送系统的电原理图。系统上电完成初始化以后,不间断检测线路上是否有载波信号存在,如果有载波信号存在就进行接收或以一种特殊算法进行一段时间的等待,然后再进行检测;如果线路上无载波信号,就将本系统的特征码及交换信息打成数据包,通过P1.2调制输出,发送到载波线路上,向在线的所有终端报到,然后再对载波线路进行侦听。同时CPU还不断检测RDX(P3.0)端,如果RDX端有其它设备的数据输入,CPU立刻进入中断处理,然后根据外设对系统的要求,将信息送入载波线路。
利用该电路中采用的芯片仍然可作为简单的单向数据传输来使用,例如作为传感触发的报警系统,可按图6、图7连接。图6为发送部分,P1.0接低电位,P1.1接高电位,片内比较器输出端P3.6必为低电平,CPU即判断载波线路为空闲,随时可通过P1.2发送数据。
图7为接收显示电路,P1.2接地。载波信号从P1.0和P1.1输入,收到的信息就会在LED1和LED2中显示出来,同时,开关信号从P1.5输出,通过光耦晶闸管VS点亮射灯HL,警声信号通过P1.7输出使压电陶瓷片B2发出警声。P1.6接警情信息读出和警情状态解除开关SB,按动此键,可使系统从报警状态中退出,并可连续显示10组报警点的地址号码。
有关载波数据传输原理及元件选择请参考《无线电》2000年第12期《基于电网的载波数据传送》一文。文中还提到关于异相传输需在电网供电变压器低压端跨接电容的问题。如需要异相传送数据,相间耦合电容联接如图8所示。
四、与微机标准口联接的载波收发电路
利用电力线或普通双股绞合线实现计算机远程通信,目前仍具有实用价值。比如生产现场与统计中心、学校餐厅的售饭卡机与主机的数据传递等。利用前述的载波数据传输系统与计算机标准口对接,就能可靠地进行远程数据传送。配套线路如图9、图10。图9为数据发送线路,IC2的P3.0(TXD)和P3.1(RXD)通过RS232与计算机9针标准口的2端和3端相联接实现电平转换并进行数据交换,IC2将计算机传过来的数据进行重新编码调制,将调制后的载波通过P1.2送上载波线路。

图10为接收部分电路图。CPU将载波上的数据接收下来经处理后存于片内RAM之中,然后送串行口,以一定的波特率通过P3.1经过RS232变换后送给计算机。IC2与计算机之间交换数据的波特率为2400~9600bps,大家在使用时应注意有关波特率的设置。图10中接收部分采用了设有增益自动控制(AGC)的载波放大和解调功能的集成电路IC3,使电路接收灵敏度更高。由图9、图10构成的载波数据传送系统,在电力线上传送距离可达3km,用双股绞合线传送距离可达30km。如果不用IC3放大,仍然采用前述直接检波的方式,此系统用双股胶合线传送距离可达5km,能够满足中远距离数据传输的要求。
(滕世进)

