MAX6338系列是MAXIM公司2000年4月推出的一系列能检测4种电压的电压检测器。检测的电压阈值中有的是由工厂设定的,有的是由用户自行设定的。工厂设定的固定电压有+5V、+3.3V、+3.0V、+2.5V、+1.8V及-5V。其阈值电压允许有5%或10%的偏差。该系列采用后缀来表示其不同的电压及允许偏差,见附表。例如,MAX6338H有3种检测电压值由工厂设定,其公称电压分别为5V、3.0V及1.8V;第4种“自设定”检测电压为由用户设定的电压。由于其允差为5%,则相应的3种阈值电压分别为4.75V、2.85V、及1.71V(公称值-允差值)。

内部结构与工作原理
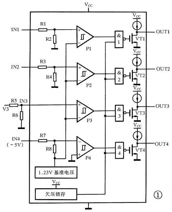
图1是MAX6338M/N/O/P的内部结构框图,利用它来说明其工作原理。它由4个带有0.3%滞后的电压比较器(P1~P4)、4个双输入与非门、4个MOS场效应管、1.23V基准电压及欠压锁存电路组成。其中P1、P2及P4有工厂设定的分压器电阻,确定了相应的公称阈值电压(见附表),而P3的分压器电阻R5、R6由用户来设定,即这个阈值电压是由用户来设定的。

这4路电压检测的电路是相同的,现以第1路为例来说明它们的工作原理。要输入的检测电压从IN1输入,经R1、R2分压后输入比较器P1的同相端,P1的反相端接基准电压1.23V。当要检测的电压大于设定的阈值电压时,同相端电压大于反相端电压;P1输出高电平。若此时V\(_{CC}\)供电正常,欠压锁存电路也输出高电平。这两个高电平输入与非门1,则其输出端输出为低电平。此低电平连接到VT1的栅极,VT1截止,OUT1输出高电平(此高电平表示输入IN1的电压高于阈值电压,并且V\(_{CC}\)电压正常)。
如果IN1端检测到输入电压低于阈值电压时,P1的同相端电压小于1.23V基准电压,比较器P1输出低电平;若V\(_{CC}\)正常(>2.5V),则欠压锁存输出为高电平,这一高一低电平输入与非门1时,与非门1输出为高电平,VT1导通,OUT1输出低电平(即表示输入电压低于阈值电压)。
如果V\(_{CC}\)电压低于2.5V(欠压),欠压锁存输出低电平,它不管输入电压是否高于或低于阈值电压,与非门输入中只要有一个是低电平,则输出为高电平,使OUT1为低电平(实际上使OUT1~OUT4全部输出为低电平)。 第3路的阈值电压由用户设定,R5、R6的阻值与阈值电压的关系为: V\(_{TH3}\)=1.23V[(R5+R6)/R6] 例如,V\(_{TH3}\)设为10V,设R5+R6=100kΩ,可求出R6=12.3kΩ(取12kΩ),则R5为88kΩ。
这里要注意的是设定的阈值电压可以高于V\(_{CC}\),但不能低于基准电压1.23V。另外还要注意的是MAX6338M与MAX6338N的固定阈值电压5V、3.0V及-5V都是一样的,但其允许误差是不同的,采用5%允许误差的5V阈值电压是4.75V〔公称值(1-允差%)〕,而允许误差为10%时其阈值电压是4.5V。这一点对由用户设定的阈值电压也适用。
管脚排列与功能
MAX6338系列采用10引脚μMAX封装,其管脚排列如图2所示。IN1~IN4为4路要检测的电压输入端,其相应的输出端分别为OUT1~OUT4。若所有输入电压都高于阈值电压,则其输出端都是高电平;若其中有低于阈值电压输入者,则相应的输出端为低电平。若V\(_{CC}\)电压低于2.5V(欠压),欠压锁存电路输出为低电平,所有4路输出全部为低电平。

特点与应用领域
MAX6338系列主要参数为:工作电流极低,典型值为25μA;电源电压范围(V\(_{CC}\))为2.5~5.5V;工作温度范围-40℃~+85℃;在用户不需自己设定阈值电压时,无需外围元件。
该系列主要应用于各种电子产品中的电源电压检测,以监控电源工作是否正常。在便携式产品中主要检测电池电压是否正常,并可防止电池过放或因电池电压过低而造成电路工作不正常或产生较大的误差。
该系列组成的电源监控系统主要应用于无线通信、高端打印机;台式及笔记本电脑、数据存储设备、网络设备、机顶盒、便携式电子仪器等。
应用电路
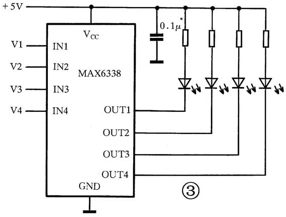
带有LED指示的四路电压检测电路如图3所示。4路要检测的电压分别输入MAX6338I,分别检测5V、3.3V、2.5V及1.8V电源电压,当这些电源电压中有降到原电压的10%时(即低于阈值电压时),则相应的LED发光,表示该路电源有故障(如电池电压降得太低或电路有故障)。
如果这系统中有3.3V工作电压的μC或μP,则在3.3V降到阈值电压时,可向μC或μP输出信号,以便μC或μP作适当的处理。
2. 光柱显示电路
一种光柱显示电路如图4所示。压力传感器测量范围从0~100kPa。经放大器放大后输出为0~5V,现采用MAX6338J为光柱式指示。MAX6338J的4种公称电压分别为5V、3.3V、2.5V及1.8V,其允许误差为5%。则在要求测量精度不高的场合用光柱显示是十分简单及醒目的(如主要观察是否在50~66kPa范围内)。经放大器放大后,其灵敏度为50mV/kPa,则粗略值在5V输出时为100kPa,在3.3V时为66kPa,2.5V为50kPa,1.8V为36kPa。若VD1~VD4都亮时为100kPa;当VD2~VD4亮时,压力高于66kPa而低于100kPa;当VD3~VD4亮时,压力高于50kPa而低于66kPa;当VD4亮时,压力高于36kPa而低于50kPa;当所有LED都灭,表示压力低于36kPa。
(戴维德)
