超声波传感器是较常用的敏感器件之一,可广泛应用于遥控、测距、自动门、来客报知、入侵报警、汽车倒车探测器等许多领域。
T/R40系列超声波传感器的发射器(T)和接收器(R)成对使用,在中心频率下使用效果最佳。其主要特性参数见附表,型号代码的意义如下:
例T40-16——外壳直径(mm)
中心频率(kHz)
T发射;R接收

传感器的工作过程为:在发射头两引线输入40kHz电脉冲信号,通过其内部陶瓷片激励器和谐振片转换成机械振动,产生超声波能量,经锥形辐射口发射出去;当发射信号遇到障碍物时就被反射回来,被接收头接收,使其内部谐振片产生谐振,经转换后输出一组电信号,并用此来控制其它电路(或电器)。
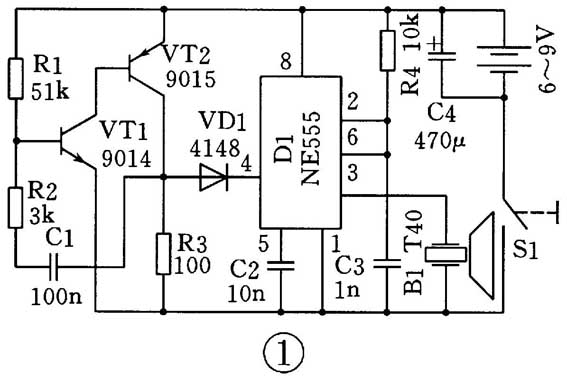
图1是盲人探路器发射电路,也可以装在汽车尾部作倒车防撞报警器。按下S1后接通电源,VT1、VT2组成的互补音频振荡器开始工作。音频信号经VD1整流后加至时基集成电路D1(NE555),使D1组成的40kHz超声振荡器间断工作,并由超声发射头B1(T40-16)向外发射一串串超声波。

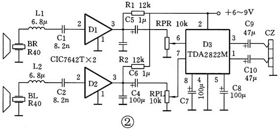
图2是接收电路,它与发射电路安装在一起并共用一组6~9V电源。B1发射出的超声波遇到障碍时反射回来,被超声接收头BR、BL(R40-16)接收,通过LC组成的40kHz选通网络送到D1、D2(CIC7642T)②脚。CIC7642T是优质高放式单片收音机电路,40kHz信号经内部三级放大、检波解调后由③脚输出半波音频信号。此信号经双通道音频放大器D3(TDA2822M)放大后,通过耳机还原出音频信号。盲人可根据耳机中的声音,判断前方障碍物的方位及远近。CIC7642T也可用YS414、MK484等代替,耳机选用阻抗为32Ω的头戴式耳机。

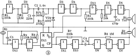
图3是视力保护电路,利用超声波反射原理,在人眼离书本过近时发出报警。D1、D2组成2Hz低频振荡器,经微分后形成尖脉冲,再由D3、D4整形变成高电平宽度一定的脉冲,脉冲宽度由RP1调节。此信号的作用有二:一是使D13、D5构成的40kHz多谐振荡器工作,经D6驱动发射头B1向外发射超声波;二是送到D触发器D15的D端。超声波经反射物(头部)反射后由接收头B2接收,经D7~D9放大,再由D10、D11整形为矩形脉冲,送至D触发器的CP端。因超声波在空气中的传播速度为341m/s,故从发射到接收有一定的时间延迟。若反射物较近,延迟小于D触发器D端所加高电平宽度时,在CP脉冲作用下,Q端输出高电平,控制D14、D12组成的2.2kHz音频振荡器工作,使蜂鸣器B3发出告警声;若反射物较远时,当收到超声波信号时,D触发器的D端已变为低电平,在CP脉冲作用下,Q端输出低电平,D14、D12不起振,B3无声。图中D1~D12为两块六反相器CD4069,D13、D14为二输入端四与非门CD4011中的两个与非门,D15为双D触发器CD4013中的一个触发器。

河南省三门峡西桥头61号金聚宝电子制作室供:超声波传感器T/R40每对10元,EFR-40RS防水型15元/只,SVB40超声波接收模块18元,SVB4012/4813超声波收发一体模块80元,邮资每次3元。邮编:472100,电话:0398-3615073,3615744。
(瞿贵荣)