TEA1062是电话机专用通话集成电路,由于它的性能较好,工作稳定,在电话机市场上占有很大的比例,为了让广大的电子爱好者对该电路有所了解,在检修时少走弯路,本人特以“津科HA826”电话机为例,结合附图和附表介绍TEA1062送话、受话电路的工作原理及部分检修实例。


一、 送话、受话电路的工作原理
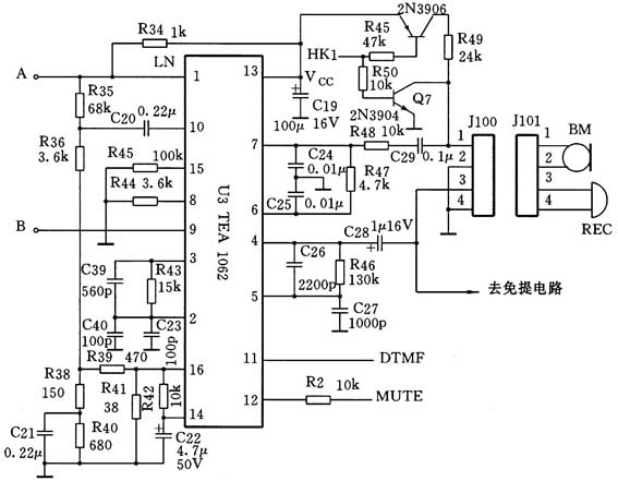
津科HA826系列电话机,送、受话电路由U3(TEA1062)及一些外围元器件组成。U3的①脚LN为正线路端,⑨脚接公共地端。U3的V\(_{CC}\)为正电源退耦端,C19为交流退耦电容,的外接电容C22为内部稳压交流退耦电容,的外接电阻R45为自动音量调节控制电阻。MIC为驻极体话筒,其中R49是MIC的直流偏置电阻,C24为高频旁路电容,送话信号通过⑥、⑦脚输入,经过U3内部送话放大器放大后,从①脚输出至外线。送话放大器增益大小与R43的阻值有直接关系。从外线进来的受话信号经R35、C20耦合到⑩脚,经内部受话放大器放大后从④脚输出至C28耦合电容,受话放大器的增益大小与R46有直接关系,C27为高频旁路电容。为防止在受话时产生侧音,在U3的外围线路中,特设置了R35、R36、R38、R39、R40、R41、C21组成的消侧音电路,其中R38、R40、C21等,组成了消侧音平衡网络,可使侧音得到明显消除。下面我就把自己多年来检修电话机中送话、受话电路的部分经验介绍给大家。
二、 检修实例
例1:送话、受话无声
津科HA826系列电话机,是专为学校设计的,实属公用电话。学生打电话时,总是把手柄螺旋线拉得很长,手柄经常嗑嗑碰碰,根据这种电话机的特点,本人首先怀疑的是送、受话器和手柄螺旋线损坏。检修时,断开电源,打开手柄的外壳,利用万用表的欧姆挡检查驻极体送话器。首先将两表笔接在驻极体送话器引出线两端,并正对其送话器孔吹气,同时注意观察万用表指针的摆动幅度,摆动的幅度越大,灵敏度就越高,证明驻极体送话器是好的。在检查受话器时,同样也利用万用表的欧姆挡,检测其阻值,一般正常时阻值应在120Ω左右。经过上述检查,送、受话器均正常。回过头来再接通电话机电源,手持手柄边听边摇动手柄螺旋线时,受话器中发出了咯啦咯啦的响声,怀疑手柄螺旋线与水晶插头之间有接触不良的现象,换了一根新的手柄螺旋线后,送话、受话均恢复正常。
例2:受话器内嗡嗡声很大
当接过这部电话机后,本人利用“便携式电话机分析仪”检查,受话器内传出很大的杂音,主要是“嗡嗡”声,根本听不清分析仪传来的信号,根据TEA1062电路原理分析,此现象与TEA1062的外接交流退耦电容C19损坏有关,本着先易后难的原则,先检查C19,因为U3的VCC是正电源退耦端,C19又是该脚的交流退耦电容,为验证C19的好坏,我利用万用表测量U3的电压,正常时应在6.2V左右,实际测得电压却是漂浮不定的。断定C19肯定有漏电现象,将它拆下测量,发现C19漏电严重,换上同容量电容后故障排除。
例3:受话正常但无送话
我接过这部电话机后,根据原理图分析,首先推断是送话电路有故障。根据本人多年的检修经验,将手柄摘下,在U3的⑦脚处进行碰触干扰,若受话器中有干扰声,说明TEA1062内部放大电路正常,问题肯定出在送话电路上。这时本人想,是不是手柄与螺旋线水晶插头有问题,于是将水晶插头拔下,插到无故障机上,接通电话机电源一试,送、受话一切正常,证明手柄及螺旋线水晶插头没有问题。回过头来对照线路,用万用表跟踪检测MIC送话器的直流偏置电压,符合正常值的5.2V左右。再把检查重点放到C29、R48等器件上,按习惯首先检查的是C29,于是就找来一只与C29相同容量的电容,并联一试,果然送话器恢复了正常,证明了C29已损坏,应予以更换。
例4:送话正常但无受话
根据该机原理图分析,可能是TEA1062受话电路不正常。检修时先将手柄摘下,用小改锥在U3的⑤脚处进行碰触干扰,并监听受话器中有无干扰声,若无干扰声,说明故障出自受话输出电路。为了排除手柄螺旋线或受话器的故障,先将故障机的手柄及螺旋线水晶插头拔下,插到正常电话机上,利用“便携式电话机分析仪”发出的信号来检查受话器,受话一切正常,说明手柄螺旋线与受话器没有问题。当本人将手柄及螺旋线重新插回故障机,接通信号,翻动线路板进行检查时,受话器中突然响了一下,但很快又恢复平静,根据经验,受话输出电路肯定有虚焊或线路板铜箔有断裂现象,通过重新补焊受话输出电路的外围零件后,故障依旧。这时本人就断定,线路板铜箔肯定有断裂,本人用一根钢针,顺着线路板铜箔划动,当划到裂缝处时,受话器中传来了“便携式电话机分析仪”发出的信号,经仔细查看,原来在靠进U3④脚根部处,线路板铜箔有一很细的裂缝,经焊接修复,故障排除。
例5:通话噪声大,有啸叫现象
这种故障的主要原因可能是TEA1062受话、送话放大器增益过高,根据原理图可知,送、受话放大器的增益大小与U3的②、③脚外接电阻R43有直接关系,当R43阻值变大时,就会使送话放大器的增益超出额定值,产生较大的噪声和啸叫声。一般R43阻值越大,送话放大器增益也就越大,反之,阻值越小增益也就越小。通过上述所分析的情况,本人对该电阻产生了怀疑,为确保判断的准确性,本人将R43拆下测量,发现阻值已经变大,换上一只同型号的电阻后,故障排除。
(焦阳)