界面故障主要是指手机不识卡、显示屏无显示、不送话、无听音、按键失效、无振铃、无振动、背景灯不亮等。对于摩托罗拉系列GSM手机可用其测试卡(跟普通的SIM卡一模一样,一般卡为白色)对手机的各种工作状态进行人工测试。维修人员可通过对测试结果的分析找到故障的原因,对症下药。对一些界面故障用测试卡进行简单测试的方法是:将测试卡插入手机卡座并开机;正确输入测试卡密码后,按下“#”键并保持大约2秒后屏幕显示“TEST”字样,手机进入测试状态;根据需要键入相关的指令。
1. 液晶显示屏的测试:
键入99#,液晶显示屏能全屏显示,表明显示屏本身是完好的,故障在驱动电路或印制板电路上与显示相关的元器件有损坏。
2. 音频电路测试:
依次键入36#、434#、477#,对着话筒讲话,1秒后,能听到自己的声音,且不失真,则“话筒→音频放大→PCM编码→话音压缩编码→信道编码→交织→信道解码→话音解码→PCM解码→音频放大→听筒”的音频处理电路基本正常。键入470#,声音变小,则数字电位器是正常的。键入37#退出音频电路测试。
3. 振铃电路测试:
键入15XX#(XX为43~63),可听到各种声音。要想改变声音的大小,键入47X#(X为0~7,7声音最大)。
一、不识卡
故障现象:
手机插入了SIM卡后,显示屏上提示用户请“检查卡”故障。
故障原因:
摩托罗拉V998型手机SIM卡复位、数据、时钟信号由CPU通过电源IC U900获得,当出现此类故障时,一般是电源处理器U900或中央处理器虚焊或损坏。
维修方法:
1. 加强卡座及卡电路的焊接。
2. 检测SIM卡座(见图1J900)的②、⑤脚应有5V的电压输入,⑥脚应有时钟信号输入,④脚应有复位信号输入。如发现哪一脚上的信号不正常,则检查SIM卡座与电源IC U900间的相应连线是否断裂。如电路连线正常,加强对U900的焊接,一般即能排除故障。
4. 用一好的供电管来替换Q902(见图2),如Q902损坏,更换后故障即可排除。
5. 若SIM卡的硬件电路正常,但仍不识卡。这时主要考虑,由软件引起的“不识卡”故障,对码片软件进行改写即可。
二、显示故障
故障现象一:
手机能使用,就是显示屏有时显示有时不显示。
故障原因:
V998为翻盖设计,显示屏安装在前盖上,用一个软带与主机板相连。如软带有裂痕或与主板间的接触不良都会引起此故障。
维修方法:
用一个小纸片压在接口上或更换软带。
故障现象二:
手机能使用,显示屏无显示、无背景灯、显示符号暗淡、显示屏背景较黑等。
故障原因:
电路板上显示电路损坏或工作不正常。
维修方法:
1. 首先判断显示屏是否损坏(可用替代法判断),如果显示屏不正常,更换后故障即可排除。
2. 显示暗淡或显示黑屏都有可能是负压不正常引起,把负压修复,即能排除此故障。
3. 有时液晶板接口虚焊也可能引起不显示,加强焊接即可。
4. 软件出错时,也会引起显示屏故障,必须改写软件。
三、听音故障
故障现象:
听筒音量低或根本听不到声音。
故障原因:
手机设置音量过低、软带(V998手机的听筒与显示屏安装在一起也是通过软带与主机板连接)与电路板接触不良、听筒本身损坏或相关电路工作不正常。
维修方法:
1. 键入112,按发射键,同时按住增大音量键(在手机的侧面,按住最上面的键音量增大,按最下面的一个音量减小),将音量调到最大。
2. 用1.5V的电压轻触听筒的两极。如听筒能发出“咔嚓声”表明听筒完好,否则就是听筒损坏。
3. 软带与主板间的连接不好引起的故障,可更换软带或直接用细的铜线从接口处连到听筒即可。
4. 检查音频IC模块U900是否有放大的音频信号输出,测接口J700的(见图3)处应有音频信号。若没有输出,则U900坏。
四、送话器无送话故障现象
故障现象:
手机送话音量低或根本送不出话音。
故障原因:
送话器与电路板接触不良、送话器本身损坏或相关电路工作不正常。
维修方法:
1. 用万用表的1kΩ挡测送话器两极,用嘴吹送话器,表针摆动则证明送话器是好的,否则,送话器已损坏必须更换。
2. 声音信号从音频模块U900的脚送入,经音频放大后,从U900的脚送至发信数字处理电路,若在C928(见图4)处测不到话音信号,则U900损坏,须更换。
3. 手机无送话时,拨打一个电话座机的电话号码。接通后按手机键盘上的按键,若座机电话能听到手机按键的按键音,说明手机的话音发送电路是好的。故障是由于送话到U900间的通路上有断线、有阻容元器件断裂或虚焊。
五、振铃故障
故障现象一:
振铃音量低或无铃声。
故障原因:
程序设置出错或软件资料本身错乱。
维修方法:
1. 调整菜单,将振铃音量调到最大或将来电无声取消。
2. 对码片及其周围元器件用热风枪加热处理或更改码片资料。
故障现象二:
振铃无声。
故障原因:
振铃接触不良、振铃或音频放大集成块U900损坏。
维修方法:
1. 以1.5V电压轻触振铃器两极,能发出嚓嚓声说明振铃器完好,若不能听到嚓嚓声应更换振铃器。
2. 检查音频IC模块U900是否有正常的振铃脉冲信号输出,测C951(见图4)的正端应有振铃脉冲。否则U900损坏。
六、键盘失效或失控
故障现象一:
键盘失效或失控,且有报警音。
故障原因:
键盘线路板上的弹性薄膜开关不能复位或按键短路。
维修方法:
1. 用手指轻压按键板凸位,观察是否可以迅速复位,如损坏更换即可。
2. 取下按键重新安装或仔细检查音量键是否短路。
故障现象二:
某一排或某一行按键失效。
故障原因:
明显是由于断线或虚焊造成。
维修方法:
加强对接口焊接,若仍不能恢复正常,逐一检查是否有断线并排除故障。
故障现象三:
手机开机后,按键过一会才失效。
故障原因:
手机码片资料出错。
维修方法:
改写码片资料。
七、背光灯不亮
故障现象:
背光灯不亮,给夜间使用手机带来极大的不便。
故障原因:
接触不良、程序设置错误、背光灯损坏、显示驱动IC Q939(见图4)损坏。
维修方法:
1. 调整菜单,将背光灯设置为开。
2. 更换背光灯。
3. 加强显示板接口的焊接、更换软带(V998手机背光灯的驱动是通过软带与主板连接)或直接用细铜线从接口处连到听筒。
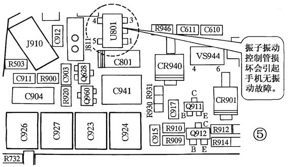
八、手机无振动故障
故障现象:
振子有时振动,有时不振动或完全不振动。
故障原因:
1. 接触不良。
2. 程序设置不当、振子损坏或振子的控制管U801(见图5)损坏。

维修方法:
1. 加强振子器触点的焊接。
2. 调整菜单,将来电提示设置为振动。
3. 以1.5V电压加在振子的两极,振子能振动,说明振子完好,若不能振动更换振子。
4. 更换U801。
(文斌)

