(例2) 故障现象:
一台凯歌牌4B23型数字式调幅,调频立体声收音,自动循环放音高级汽车音响,用磁带放音正常,AM或FM波段收音也无问题,仅是FM波段收音时无频率显示。
检修思路:
该机数字式选台控制电路由微处理器μPD1701为主 组成,选台频率显示控制和驱动也集成在该IC内,且这部分电路是AM和FM波段的共用部分。由于该机AM波段收音和显示正常,说明这部分收音和放音的共用电路是正常的。微处理器μPD1701的各引脚功能见表3,与FM波段接收频率显示有关的是上的FM本振信号。如该脚无FM本振信号输入或输入的本振信号异常,均会导致FM波段收音无频率显示故障。该机FM本振信号的传输通路如图3所示。


FM波段调频头组件4TX8⑥脚输出的FM本振信号→分频集成电路(150MHz分频)μPB553AC②脚,进入IC内放大电路,放大后的信号经16分频后加至缓冲放大电路,经缓冲放大后的 信号从⑤脚输出(μPB553AC集成电路引脚功能见表4)→5C1电容耦合→5IC5集成电路的。

在上述信号的传输通路中,任一处异常使信号阻塞时,均会导致FM波段收音无显示故障。故在检修时,应从这部分电路入手进行检查。
1.判断故障的大概部位
用示波器在FM波段收音状态时,测微处理器μPD1701C-011上的FM波段本振信号消失,但测μPB553AC集成电路②脚上的FM波段本振信号基本正 常。由此说明,故障出在μPB553AC②脚至μPD1701C-011之间的电路中。
2.查找故障元件
用一只0.01μF的瓷片电容并接在5C1的两端,故障依然存在。说明故障与该耦合电容无 关,估计是分频集成电路μPB553AC本身损坏引起的。换一只新的μPB553AC分频集成电 路焊上后,FM波段显示恢复正常,故障排除。
另外,本例故障如检查μPB553AC集成电路和耦合电容5C1均无问题,则故障大多为微处 理器μPD1701C-011内部电路局部损坏引起的。对此,只有更换新的集成电路。
无频率显示故障常见有两种情况:第一种是收音正常,仅无频率显示(如本例);第二种 是收音失效且又无频率显示。前者都是由与显示有关的电路异常引起的。后者原因较多,除了收音电路本身损坏引起外,选台调谐控制电路(例如微处理器μPD1701C-011供电电源、时钟振荡电路、选台调谐电压控制电路以及微处理器本身等异常)不良时,也同样会导致收音失效且无频率显示故障。故在检修此故障时要加以区别,以免走弯路。
(例3) 故障现象:
一台凯歌牌4B23型数字式调幅、调频立体 声收音、自动循环放音高级汽车音响,每次放音时,磁带上都录下了开、关机的“喀 喀”噪声,而该汽车音响并无录音功能。
检修思路:
该机磁带放音电路采用D7784P集成电路为主构成,磁头引出线经磁头声道转换开关转换与D7784P的信号输入端⑦、直接相连,那么“喀喀”噪声是怎样录上的呢?仔细分析怀疑可能是磁头与IC直通造成的。
检修方法:
根据上述思路,试着先将集成电路D7784P的⑦、与磁头声道转换开关之间各串一只 0.22μF/63V的瓷片电容,故障基本排除。再在D7784P的⑦脚与⑨脚之间、与⑨脚之间各接一只300Ω的1/8W或1/16W的金属膜电阻,故障彻底排除,且音色和立体声效果与原来的相比,也有一定程度的提高。
小结:
由于集成电路D7784P的信号输入端与磁头引线直接连通,造成在电源接通和断开瞬间引起D7784P集成电路输入端电位产生突变,从而使较大的脉冲电流流过磁头,致使磁头在磁带上记录上了开关噪音电平,放音时便出现了上述故障。加入了隔直电容以后,就可以隔离这种脉冲电流,从而使上述的“喀喀”声消失。
(例4) 故障现象:
一台859-2010型数字式调幅、调频立体声收音、放音高级汽车音响,用磁带放音正常。收音时,AM波段收音无问题;但FM波段收不到台(节目),也无数字频率显示。
检修思路:
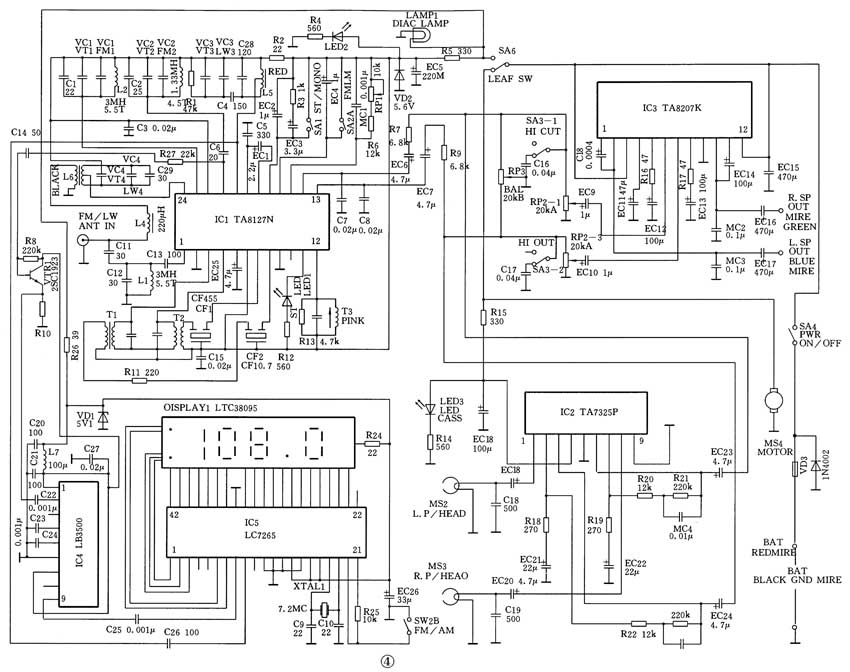
该机由五块集成电路构成。其中:IC3(TA8207K)为左、右声道音频功率放大集成电路,IC2(TA7325P)为双声道放音均衡放大集成电路;IC1(TA8127N)为AM和FM波段单片收音集成电路,用来完成AM和FM波段立体声收音的全部功能。IC5(LC7265)为收音电路频率显示信号处理和驱动电路,IC4(LB3500)为数字分频集成电路。具体电路见图4。
从该机AM波段收音正常来看,说明集成电路TA8127N之后与AM收音共用的电路是正常的,故障仅出在FM波段收音高放、混频、中放或鉴频等电路中。
检修方法:
将波段转换开关置于FM波段收音位置上,手握螺丝刀金属部位,用其依次去碰触TA8127N的脚(该脚为AM与FM检波信号输出端)、⑧脚(FM中频信号输入端)、③脚(FM混频信号输出端)时,扬声器内均会发出响亮的“喀喀”的干扰声。由此说明,故障可能出在TA8127N ①、③脚之间的高放或混频电路中。
测量TA8127N①脚电压为0.75V左右,基本正常;③脚电压为0.3V(正常值为5.7V)左右,明显低于正常值。检查TA8127N③、外接元件,均未发现有元件损坏,由此初步确定该集成电路③脚内电路有局部损坏现象。重换一块新的TA8127N(也可用性能相同的TA8127F、KIA8227F等集成电路直接进行代换)后,FM波段收音功能恢复正常,故障排除。
小结:
当AM/FM波段转换开关SA2A断开,使单片集成电路TA8127N的电压下降到4V左右时,整机处于FM波段收音状态。
从天线接收到的信号,经过由C11、C12、L1等组成的谐振电路(谐振于88~108MHz的中间频率)后,经C13电容耦合,从TA8127N集成电路的①脚输入,送至IC内部的调频高放电路(TA8127N集成电路内框图如图5所示)。经高频放大电路放大以后,再由外接的由可变电容VC1和调谐线圈L2、电容C1等组成的高放调谐回路选择出欲接收的高频信号,并送至FM混频电路。
IC1外接的VC2、C2、L3组成了FM本机振荡回路。该电路产生的本振信号频率高出外来信号频率10.7MHz,且送至IC1内的混频电路。
在混频电路中,本振信号与高频信号进行混频,混频后产生的10.7MHz中频信号,由IC1的③脚输出。IC1③脚外接混频器的选频回路中频变压器T1。中频信号经10.7MHz的中频陶瓷滤波器CF2滤波后,馈入IC1的⑧脚,经其内部的FM中频放大电路放大后,输送至内部FM鉴频器。
IC1外接FM鉴频线圈T3,调节T3可以改变10.7MHz中频频率在S曲线上的位置。R13电阻的作用是改善S曲线的线性范围。鉴频器鉴频后输出的音频信号(若是立体声节目则输出复合音频信号)经内部电路预放大,并由AM/FM电子开关转换控制后,也从输出。
立体声复合信号从IC1的输出,经EC1电容耦合从又输入,进入IC1内部立体声解码器电路。解码电路由两部分组成:一是由鉴相器1、压控振荡器VCO、分频器以及外接低通滤波器等构成锁相环路。该电路的作用是产生与输入导频信号同相位的立体声 解调信号。其工作原理是:VCO(压控振荡)电路产生的76kHz振荡信号,经四分频并移相90°后成为19kHz的信号。该信号与复合信号中的导频信号(19kHz)在鉴相器1中进行相位比较,最后输出一个误差电压。该电压经由外接锁相环低通滤波器滤除高频成分 后,再反馈回VCO电路,用以控制VCO电路的振荡频率和相位,直至环路锁定(也就是使压控振荡器VCO电路的振荡频率稳定于76kHz频率上)。
IC1外接的MC1、RP1、R6是压控振荡器的定时元件,可以微调VCO电路的固有频率。MC1电容的容量在1000pF左右,这个电容用得较小时,捕捉范围能增宽一些,但是VCO的频率稳定度会下降。
IC1外接的环路滤波器为一双时间常数积分网络(由EC2、EC3、R3组成)。当该电路中的时间常数选得较大时,信噪比好,但环路的捕捉范围变窄,容易失锁;时间常数选得较小时,捕捉范围相应增宽,但是立体声收音输出的高音频失真会增大,信噪比也差。
二是由鉴相器2组成的电路。鉴相器2的作用:检出控制立体声/单声道开关的信号。当分频后的19kHz信号和输入导频信号频率相同、相位差为零时,输出电压幅度最大,该电压经IC1外接低通滤波器(EC4),并由IC1内直流放大器放大后,控制施密特触发器,当达到一定电平时,触发器就会翻转,使立体声指示灯驱动电路工作,点亮外接发光二极管LED1。与此同时,立体声/单声道开关打开,由VCO二分频后的38kHz信号作为恢复后的立体声副载波信号得以送至立体声解调器。立体声复合信号也加至该解调器,从而利用双平衡乘法器的开关特性分离出左、右声道信号,分别由输出。
另外,IC1还兼作单声道/立体声控制端(由SA1开关进行转换)。当把接高电平VCC(电源电压)时,IC1内的V\(_{CO}\)强迫停振工作于单声道。
本例故障主要是由于单片AM/FM收音集成电路TA8127N内的FM波段收音高放或混频电路损坏,致使天线输入的信号无法进行处理后输送给后级电路,从而导致了FM波段收音无声故障。
(孙余凯 卫东宁)
