北京 郝学:
什么是有机实芯电阻器,一般用在什么地方?

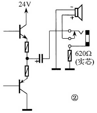
有机实芯电阻器是把颗粒状导电物、填充料和粘合剂等材料混合均匀后热压在一起,然后装入塑料壳内组成的电阻器(附图1)。它的引线直接压塑在电阻体内,是一种无帽式结构的电阻器。因为这种电阻器导体截面较大,因此是有很强的过负荷能力和很高的可靠性。这种电阻器一般用在负载不能断开、工作负荷较大的地方,如彩色电视中音频功率输出接耳机的电路(附图2),视放输出接显像管阴极间串联的电阻,都用到了实芯电阻。

(沈征)@
山东 唐文忠:
请问厚膜电路是一种怎样的电路?

厚膜电路是把一些分立元件根据需要焊在一起,然后封在一个外壳中再引出几个引出管脚。这里列举一个电容网络衰减器厚膜电路的电路图和外形图。
(沈长生)@
福州 陈辉:
我制作了一个145MHz本机振荡器,但做出来的频率不是145MHz,而是250MHz,并且不稳定。我用的贴片式电感0.12μH,电容为10pF,为什么制作出来的振荡器频率与公式计算出来的不一样?我想做更高的频率,如450MHz,对元件有什么要求?
作为振荡器的电感及电容要采用稳定性好的元件。例如,片状电容器要用COG或NPO材料制成的,它的温度系数最大值为±30ppm/℃,是超稳定型、低损耗电容器材料,适用于高频、特高频及甚高频频段。电感应采用高频片状电感器,这样才能使做出来的振荡器频率稳定。
一般的电容器及电感器都有一定的允差,如电感器为0.12μH是标称值,它可能有±(10%~20%)的允差。若一个0.12μH、±20%允差的电感,它的最大值为0.144μH,最小值为0.096μH。电容器一般也有±(5%~20%)的允差。所以按公式而不考虑允差计算出来的频率与实际频率会有较大差别。另外,由于工作频率较高,若布线不好,会有寄生电容(或称分布电容)、分布电感的存在,对频率也有一定影响。
为达到要求的频率,可在电路中采用微调电容器来调整,通过改变电容量的大小来达到要求的频率。例如,可采用3~10pF的超小型片状微调电容器。
高稳定性片状电容器、超小型片状微调电容器及高频电感器(贴片式)可向新新电子器材公司邮购,参见本期第42页。
另外,在设计印制板时,要尽量短捷,防止分布电感、电容的影响。
(华敏)@
邯郸 宋士杰:
高频电容器可否代替低频电容器,替换后效果如何?会不会降低功耗?
高频电容器可以代换低频电容器。由于高频电容器的损耗角正切值小于低频电容器的损耗角正切值,并且温度影响小,所以用高频电容器代换后性能好,并且较稳定。但高频电容器的容量较小,一般以pF为单位,而低频电容器以μF为单位。另外,在代换时要注意电容器的额定直流工作电压应相同。一般说与功耗无关。
近年来,在DC/DC变换器电路中,采用多层陶瓷电容器(其高频特性好)来代替铝电解电容器或钽电解电容器作原电容及滤波电容器。由于其等效电阻小,使损耗小,输出纹波电压也低,有较好效果。这种电容容量可做到100μF。在这个例子中可以说采用高频电容时,可降低功耗。
(华敏)@
网友 袁明:
我想买二手示波器,但时示波器有关名词“单踪”、“双踪”、“双扫”不清楚。另外示波器SR及SBM是否与产地有关?
示波器是一种通用电子测试仪器,常用它来调试电路或维修时测试电路,根据示波器的显示波形来调试电路有关参数或判断有无故障。它能从显示屏上观察到被检测的电压或电流的波形,并能测出波形的上升沿、下降沿、幅值、频率、占空比、两个波形之间的相位差等。另外,它还可以观察到正弦波放大后的失真情况,有无饱和等,这是一般电压表不能解决的问题。
“单踪”指的是示波器仅能检测一个电信号,在显示屏上出现一种波形,而“双踪”指的是示波器同时可检测两个电信号,在显示屏上同时出现两种波形。例如,测量经放大器放大前后的输入、输出信号,可以测出两波形的相位是否有变化,相位变化有多大。
“双扫”是指示波器有两种扫描速度,在有必要时可改变扫描速度使波形放大,可使局部波形看得更清楚。例如,在示波器上显示方波的波形,但不易看清上升沿及下降沿,可以改变扫描速度使显示出上升沿放大的波形,则可更清楚看出上升沿的时间。这好像用一个放大镜将局部波形放大了一样。这“双扫”也是示波器的一种功能。
“SR”、“SBM”是通用示波器的型号的一部分,后面还有数字组成型号,如SR8、SR13等。SR8及SR13是一种双踪示波器,SBM-10、SBM-14是一种半导体多用示波器。这与产地无关。同一种型号的示波器可能有多个工厂生产。例如SR8有上海无线电二十一厂生产的,SR8A有西安红华仪器厂生产的,SR6有天津电子仪器厂生产的。同样,SBM10有上海生产的,也有吉林生产的。
购买示波器最重要的性能指标是Y通道的频带宽度,频带宽度越大,可测的信号频率越高。一般用7MHz、20MHz、300MHz等来表示。一般业余爱好者可用20MHz~60MHz,这要看测试频率的高低来定,但频带越宽,价格也越贵。
(华敏)