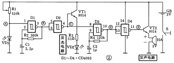
这次无线电小组的活动,同学们第一次使用CMOS施密特触发器集成电路CD4093(图1)成功地组装了“光弱声光报讯器”。老师解答了同学们提出的问题,并组织大家进行了分析和讨论。

老师:
问题提得好。施密特触发器不属于时序逻辑电路。它的独有特点是采用电位触发,可以用波形图来说明(图3),在输入信号U\(_{i}\)为低电平时,输出端U\(_{o}\)稳定在高电平;当U\(_{i}\)逐渐升高,达到施密特触发器的接通电位V\(_{T}\)+时,触发器翻转,U\(_{o}\)由高电平跳变到低电平;若U\(_{i}\)继续升高,U\(_{o}\)将稳定在低电平不变;U\(_{i}\)从最高点逐渐低,又到达接通电位V\(_{T}\)+时,输出端仍保持低电平;直到U\(_{i}\)下降到施密特触发器的断开电位V\(_{T}\)-时,U\(_{o}\)才会由低电平跳变到高电平。接通电位V\(_{T}\)+与断开电位V\(_{T}\)-的差值ΔV\(_{T}\)=V\(_{T}\)+-V\(_{T}\)-,叫做施密特触发器的回差电压。

同学:
请问您,施密特触发器主要应用在哪些方面呢?
老师:
施密特触发器是一种用途十分广泛的脉冲单元电路。利用它所具有的电位触发特性,可以进行脉冲整形,把边沿不够规则的脉冲整形为边沿陡峭的矩形脉冲(图4);通过它可以进行波形变换,把正弦波变换成矩形波(图5);另一个重要用途就是进行信号幅度鉴别(参见图3),只要信号幅度达到某一设定值,触发器就翻转,所以常称它为鉴幅器。用施密特触发器还能组成多谐振荡器和单稳态触发器呢。


同学:
您能简单介绍施密特触发器电路的组成和工作原理吗?
老师:
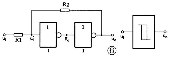
施密特触发器电路很简单,用两个CMOS非门就可以组成一个施密特触发器(图6)。非门Ⅰ的输出端作为非门Ⅱ的输入端,非门Ⅱ的输出又通过电阻R2接在非门Ⅰ的输入端,形成一个正反馈的闭合环路。当输入信号U\(_{i}\)=0时,门Ⅰ截止,U\(_{o}\)——为高电平,门Ⅱ导通,输出U\(_{o}\)=0。随着U\(_{i}\)逐渐升高,根据电阻分压原理U\(_{i}\)\(^{‘}\)=U\(_{i}\)R2/ (R1+R2),U\(_{i}\)\(^{’}\)也随之升高,只要U\(_{i}\)\(^{‘}\)小于非门的开门电平U\(_{k}\),电路仍保持在U\(_{o}\)=0的稳定状态。当输入信号U\(_{i}\)上升到使U\(_{i}\)\(^{’}\)等于或大于门Ⅰ的开门电平U\(_{k}\)时,则门Ⅰ导通,门Ⅱ截止,输出U\(_{o}\)跳变为高电平。由此可以得出施密特触发器的接通电位为V\(_{T}\)+=(R1+R2)/R2 U\(_{k}\)
当U\(_{i}\)由最大值逐渐下降时,只要满足U\(_{i}\)\(^{‘}\)>U\(_{k}\),电路就保持输出高电平的稳定状态。当U\(_{i}\)继续下降,使U\(_{i}\)\(^{’}\)等于或小于U\(_{k}\)时,门Ⅰ截止、门Ⅱ导通,电路又翻回U\(_{o}\)=0的初始稳态。回差电压ΔV\(_{T}\)的大小取决于R1与R2的比值,改变R1和R2就可以调整回差电压。

同学:
在“光弱声光报讯器”的电路图上,施密特触发器电路符号的输出端有一个小圆圈代表什么呢?
老师:
刚刚给大家介绍的由两个非门组成的施密特触发器,在稳定状态时,输出与输入是同相关系,所以电路符号上没有小圆圈。可是CMOS施密特触发器集成电路的内部接有一个反相器,所以,在稳定状态时,U\(_{o}\)与U\(_{i}\)是反相关系。有一种单端输入CMOS施密特触发器集成电路CD40106,它的内部包含6个同样的触发器(图7)。

同学:
您可以给我们介绍一种CD40106的应用电路吗?
老师:
好。结合今天的制作,我先介绍由它组成的多谐振荡器(图8)吧。这个电路很简单,它只外接了一个电阻R和一个电容C,接通电源的瞬间,电容C相当于短路,即U\(_{i}\)=0,这时输出端U\(_{o}\)为高电平,U\(_{o}\)经电阻R给电容C充电,当电容C上的电压上升到V\(_{T}\)+时,触发器翻转,U\(_{o}\)跳变为低电平,这时,电容C又通过电阻R放电,当电容C上的电压下降到V\(_{T}\)-时,电路又翻转,Uo又跳变到低电平。如此周而复始,输出的是连续的方波脉冲。改变R的阻值或C的电容量,就可以改变振荡频率。

同学:
您刚才介绍的多谐振荡器输出的是方波脉冲,也就是在输出波形中高电平和低电平的持续时间相同。我想请问您,如果要使高电平和低电平持续的时间不一样,用什么办法呢?
老师:
你提的问题很实际。如果需要使输出波形中高电平和低电平持续的时间不同,就必须使充电回路中R与C的乘积(称为RC电路的时间常数)和放电回路中R与C的乘积不同。我再给大家介绍一个多谐振荡器电路(图9),由于充电电流与放电电流的方向相反,所以利用两只二极管VD1、VD2的单方向导电特性,分别形成充电回路和放电回路,两个回路中共用一个电容C,只需选择不同阻值的电阻R1和R2,就能使输出矩形脉冲中的高电平持续时间t1和低电平持续时间t 2不同。
同学:
今天我们使用的施密特触发器CD4093,每个触发器怎么有两个输入端呢?
老师:
只有一个输入端的施密特触发器,在组成多谐振荡器时,接通电源后就会振荡不停,要想使它停振,就必须切断电源。CD4093是一种有两个输入端的施密特触发器,它增加了一个选通输入端,用它组成多谐振荡器(图10)时,就可以方便地控制它振荡或停振。当选通控制端为低电平“0”时,输出将保持高电平不变,多谐振荡器不能起振;只有在选通输入端为高电平“1”时,多谐振荡器才能产生振荡,在实际电路中的应用就灵活多了。
同学:
我明白了,在“光弱声光报讯器”电路中,D1与D3都是典型的可控多谐振荡器,那么D2和D4是什么电路呢?
老师:
D2和D4两个施密特触发器,把两个输入端连在一起组成了反相器电路,起着脉冲倒相作用。好了,关于施密特触发器我们已经讨论得很详细了,现在我想请一位同学分析一下“光弱声光报讯器”电路是怎么工作的,哪位同学来说说?
同学:
我来试试。光电二极管VD1用来把外来光线强弱的变化转换成电信号。在光线比较强时,VD1的反向电阻变得很小,它与R1分压后,A点(D1的选通控制端)为低电平,所以施密特触发器D1不会产生振荡,B点为高电平,经过D2反相,C点为低电平,三极管VT1截止,发光二极管VD2不发光。与此同时,D3的选通控制端为低电平,D3也不能起振,D点为高电平,再经D4反相,使三极管VT2截止,所以讯响器HA也不发声。如果室内光线减弱,光电二极管VD1的反向电阻变大,使A点变成高电平,多谐振荡器D1起振,输出连续的方波脉冲,使B点在高电平和低电平之间交替转换。值得注意的是,B点为低电平期间,C点为高电平,一方面使VT1导通,点燃发光二极管VD2;另一方面使D3的选通控制端为高电平,D3起振,输出连续的方波脉冲;在D点处于低电平期间,VT2导通,推动讯响器HA发声。这样就实现了光弱声光报讯的电路功能。
老师:
你的分析基本正确,我再补充说明一点,先画出电路中各点的波形图(图11),可以看到,多谐振荡器D1在A端保持高电平期间是连续振荡的,它输出的是低电平为1秒、高电平为1秒的方波脉冲。只有在D1输出为低电平时VD2才被点燃,D1输出为高电平时VD2即熄灭,所以VD2是闪烁发光的,闪烁频率为0.5Hz;与此同时,多谐振荡器D3也是在D1输出低电平期间才会起振,输出频率为3Hz的方波。显然,D3与D1不同,它是间歇振荡的,振荡的间隔时间为1秒;所以,讯响器也是间歇性断续发声的。
