笔者用闲置零件制作了一个彩电交流关机电路,用于21英寸彩电,使用一年多,效果一直很好。
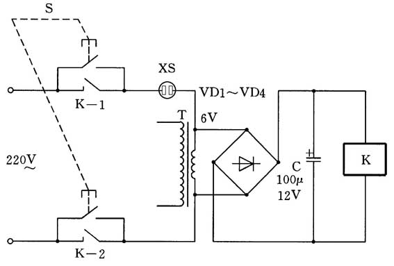
电路见附图。当按下自复位开关S时,220V交流电经6V变压器次级向插在插座XS上的彩电提供电源,由于变压器中有电流流过,在T的次级同时感应出6V交流电压,经整流滤波后为继电器K提供9~10.5V的直流电压,K得电工作,其K-1、K-2吸合,电路形成自锁。当用遥控器关闭电视机后,电视机内的显像管、行输出等耗电量大的部分被关闭,流过T的电流下降,K两端电压降至1.5~2V,不足以维持K的吸合,K断开,K-1、K-2释放,交流电路关断。

S用自复位开关,也可将普通彩电开关的自馈机构去掉后使用;XS用普通电源插座,T用小型6V电源变压器,初级空置,只用次极,实测T的次级电阻为1.5~2.5Ω,对电路无任何影响。电路一装即成,无需调试。
如要将此电路用于29英寸彩电,可选用次级线径较粗的变压器,并将K改用12V继电器。