TEC8445是高精度CMOS定时器,它的特点是工作电压范围宽,功耗低,重复误差小于0.5%,线性度优于2%,温升频差小于0.06%。使用TEC8445可以组成从0.1秒到数十小时的重复误差小、线性好、温度稳定性高和抗干扰能力强的时间继电器。
TEC8445内部设有自动复位电路,每次加电时,都会使振荡器、各分频器及输出触发器等自动复位清零,然后再进入工作时序。它采用8脚双列直插式DIP塑料封装,可与日本富士电机公司生产的同类产品F6445C直接互换使用。其极限电压为-0.05~+8V,工作温度范围为0℃~+70℃,储存温度为-50℃~+150℃。
TEC8445的VI端外接RC网路,ADJ端外加调整电平和内部窗口比较器、放电电路及RS触发器等共同组成主振荡器。TEST是一个双向I/O端口,在一般使用时悬空作为输出测试端口,输出主振荡器产生的方波信号,可通过示波器、频率计等测量,并可调整有关元件使主振频率达到要求,动态调整非常方便。在使用外部时钟信号时可从TEST端输入,此时TEST作输入端口,外部时钟频率最高可达500kHz。需要注意:外时钟信号至少应有一个标准CMOS 4000B系列的输出驱动能力,否则电路将不能正常工作。S1、S2为分频比选择端,片内含有50kΩ下拉电阻,使得它们开路时为0V。主振荡信号经1024固定分频后,视S1、S2所加电平高低,分别经1、10、60或360分频,使OUT端输出为“1”,通过外部电路使继电器吸合,接通执行电器或电路电源。S1、S2所加电平不同时的分频比见附表。

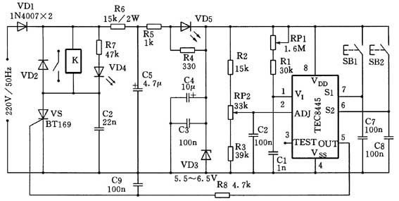
TEC8445的典型应用电路如图1。220V交流市电经VD1半波整流,一路加至继电器K,另一路经R6、C5滤波,再经R5、R4、LED2加至稳压管VD3,产生5.5~6.5V稳定电压为TEC8445供电,C3、C4为滤波电容。RP2、R2、R3组成②脚电平调整电路,推荐调整电压范围为V\(_{ADJ}\)=3.5~5V(V\(_{DD}\)=6V时)。RP1、R1、C1为①脚提供振荡时间常数,调整RP1可改变定时时间。C1的选择应和②脚调整电平同时考虑,当RP1为最大值,RP2居中时,可获得最大的延时时间。而②脚调整电平可使延时时间达2倍之多,一般②脚电平取大些,可提高抗干扰能力。到达定时时间后,OUT端输出由“0”跳变为“1”,经R8、C9触发晶闸管VS导通,继电器K吸合,使执行电路工作。同时,VD4发光指示。R7为限流电阻,C6为滤波电容,VD2可消除继电器通、断时产生的高压脉冲。R4为分流电阻,改变其取值大小可改变VD5发光亮度,同时当VD5损坏时可保证电路正常工作。

河南三门峡西桥头61号金聚宝电子制作室长期供TEC8445,5元/只,邮费3元/次。邮编:472100,电话:0398-3615073。