“R”键是RECALL(二次呼叫)的字头,是电话机配合程控交换机使用的一种功能键。当两个人正在通话时,若需要呼叫第三方出来共同交谈,可利用此键实现三方通话的特殊服务。“R”键实质上是用电话机将线路上的电流断开某一短暂的确定的时间再接通,用以产生一个定时的电流脉冲,交换机接收到这一脉冲信号后,即可进行相应的操作。有人用手拍打一下叉簧,也等于发出了一个脉冲信号来实现R键功能。但由于叉簧断开时间受人的动作控制,应要“拍”到好处,否则不易达到要求,还可能会出现差错。我国按键电话机标准中规定的R键(港台称之为FLASH键)中断线路时间为100±40ms,如果时间超长将会送出忙音。实现“R”键功能的电路有两种,一种是由分立元件构成的电路,可通过改变阻容元件的数值来达到所需要的时间要求;另一种是由发号IC设计的电路,将R键的准确时间事先存储于IC内,有些IC具有2~3个中断时间可供选择,以便与不同制式的程控交换机配合使用。
下面介绍几种典型的“R”键电路。
一、异性管电子门“R”键电路
由异性管,即PNP型管VT1与NPN型VT2组成的电子开关门电路见图1。串联在电话机的直流主电路中的R1、R键和C作为“R”键的时间参数控制电路。在静态时,R键的“1”“2”触点常闭,电容C被短路,U\(_{C}\)=0V,VT2、VT1处于导通状态,通话电路正常工作;当按下R键时,R键的“1”、“2”触点断开,“1”、“3”触点闭合,由于U\(_{C}\)=0V,VT1、VT2瞬间截止,线路电流I=0A。这时交换机的馈电电压经极性定向电路(VD1~VD4)通过R1向电容C充电,当C上的电压U\(_{C}\)逐渐升高到0.6V时,VT1、VT2相继饱和,电路复原,回到通话状态。电容C两端的充电电压达到0.6V时,即为负脉冲的宽度t。所需要的时间,也就是R键闪断线路的时间,而R键的时间主要取决于RC的充电时间常数。在一般情况下,R1的值固定,只需改变C值即可满足电路的技术要求。若馈电电压E=48V,U\(_{C}\)=0.6V,C=47μF,则t\(_{0}\)=120ms。

二、复合管电子门“R”键电路
由VT1(PNP型)和VT2(PNP型)组成的复合管与VT3(NPN型)管控制着电话机的直流通路(见图2)。在静态时,R键常开,R1、C作为取机时的启动电路,R2是VT3的基极偏置电阻,当VT3导通后,复合管即处于饱和状态,C两端的直流压降约为2.6V,且左正右负。当按下“R”键后,触点闭合,C上的直流电压迅速反向加至VT3、VD5,使两管立刻截止,复合管也随之截止,线路电流即被切断。这时交换机输入的馈电电压经R3向C 进行充电,由于复合管的β值比单管高出两个数量级,只要VT3基极注入微小的电流,即可引起复合管进入饱和状态。在当C两端的电压充到0.8V时,VT3、VD5导通,复合管饱和,通话电路就能恢复原状。这种,“R”键电路的电子门负脉冲宽度t\(_{0}\)=140ms。
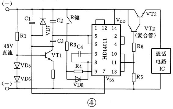
三、集成块与非门“R”键电路
目前,许多双音频电话机都采用了CMOS 4011集成触发块组成的R键电路。4011为四2输入与非门(见图3),可用国外HD14011、MC14011/B、MB84011/B、RH-IX146AFZZ和国内C006、C036、C066、CC4011/B、5G801等直接代换。其应用电路如图4所示,R1、VD5、VD6、VT1等组成直流稳压电路。C1是交流退耦电容,IC的第⑦脚接于VT1的集电极,并不直接与公共地相接。其主要原因是IC的直流工作电压为7~15V,假如与地相接,当VT2、VT3组成的复合管截止时,线路上的48V直流馈电电压将会全部加在第⑦脚与第间而损坏IC。当按一下“R”键,由于R4、C4的作用,第⑧、⑨脚输入为“0”,第⑩脚输出为“1”;第第输入为“1”;第第输出为“0”,复合管导通→接通通话电路,第③脚输出为“1”;第③脚输出的高电平经C4耦合至⑧、⑨脚,第⑩脚即由“1”翻转为“0”。在第⑩脚处于低电平的情况下,第第由“0”变为“1”,复合管截止,线路电流被瞬间切断。当电路转换后,虽然R键被断开,但第③脚输出状态仍为“1”,由于C4的隔直流作用,第⑧、⑨脚为低电平“0”,各电路迅速复原。在此,C4与R4决定着“R”键电路的时间参数t\(_{0}\),充电电压E来自于第③脚输出的高电平V\(_{DD}\)(约为3.6V),触发电压取自R4两端的压降,VD8为限压保护二极管。若以触发电平V\(_{DD}\)的二分之一计算,则负脉冲宽度t\(_{0}\)=95ms。


因为R键电路发送的负脉冲信号与发号电路发送的脉冲信号大致相同,所以将R键电路与发号集成电路制作在同一芯片内,只要改变IC有关引脚上的RC定时元件的参数,即可调整R键的时间。例如,荷兰飞利浦公司的PCD3110/CP、PCD3310P/AT、PCD3310A/C、PCD3315/16、PCD4413/15等和其它的BU8302/A、KS58C19、KS5800-3、LH3310P、LR4804、LR48081A、MA5272、S7230A、UM91230、UM91311等均能直接代换。