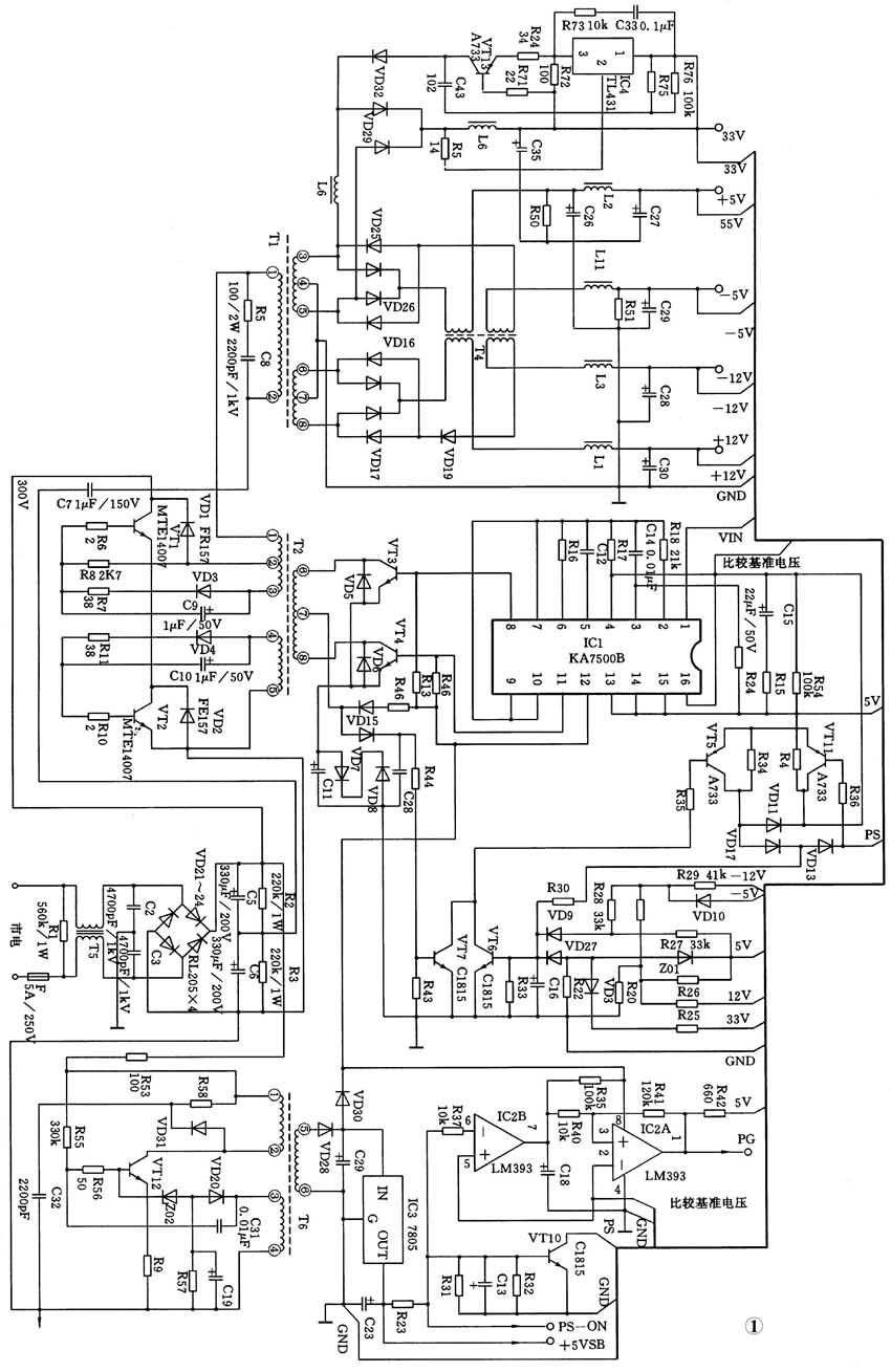
四、ATX电路原理剖析
从ATX电源的接口上分析,ATX电源主要在AT电源上增加了辅助电源(+5VSB、PS-ON),其主电路与AT电路相差不大,典型的电路如图1所示,主要包括如下6部分电路:

1. 抗干扰电路和整流滤波电路
高频滤波器是由T5和C2、C3组成的,其作用:一是抑制电网的干扰通过电源进入电脑,二是防止开关电源的振荡高次谐波污染电网。当高频干扰信号进入T5时,由于T5的两个绕组的绕向一致,流过两个绕组的电流方向(即相位)始终相反,干扰信号互相抵消,而C2与C3的串联,中点接机壳,即接冷地,使整个电源电路的高频地电位与整机地电位相等,可防止电源的高频分量通过接地对电脑产生干扰。
220V交流电经高频滤波器净化后进入由VD21、VD22、VD23、VD24组成的全桥整流器和滤波电容C5、C6后输出约300V的直流电,R2、R3是放电电阻,在断开电源时C5、C6与R2、R3形成放电回路,释放储存的高压直流电。
2. 辅助开关电源
辅助开关电源主要在待机时为主板提供“电源监控”电压(+5VSB)和PS-ON控制电压(待机时为5V);同时为控制电路IC1提供电源。其基本原理如下:
通电后,+300V的直流电经限流保护电阻R53、启动电阻R55、R56加到VT12的基极,并经T6的初级绕组①、②加到VT12的集电极,从而使VT12开启导通。VT12集电极电流流过T6①、②绕组,产生①端为正,②端为负感应电势,耦合到③、④绕组,产生③端为正,④端为负的正反馈电势。正反馈电势经C31、R56加到VT12的基极,使VT12的基极电流进一步增大,从而形成一个正反馈的雪崩过程,VT12迅速进入饱和状态。
在VT12饱和期间,C-E相当于短路,但由于T6初级绕组①、②电感量很大,故初级绕组电流只能线性增大,此期间为T6储存磁场能量过程。由于C31在饱和期间不断的充电,使基极电位不断地下降变负,当基极电位变负使基极电流下降到不能维持饱和时,VT12退出饱和。当VT12退出饱和进入放大区时,VT12集电极电流减小使T6各绕组感应电势极性变反,于是T6的③端相对于④端为负的电势经C31、R56再次的耦合,使VT12很快进入截止状态。
VD20在VT12开关管截止期间因③端感应电势为负而导通。VD20导通,C19被充电,即一部分磁场能量释放给C19。这里实际上起着稳压作用,如果绕组⑤、⑥输出电压偏高,C19负压也偏高,C19电压越负,Z02越容易导通,这样使VT12基极电流被Z02所分流,VT12饱和期缩短,绕组⑤、⑥输出电压自动下降到正常值。
整流二极管VD28在VT12饱和期截止,在VT12截止期导通,T6的能量经二极管释放给滤波电容C29,一路加到IC1KA7500B的12脚,一路经7805稳压后输出+5VSB电压和PS-ON的待机电压。
3. 双管主电路
双管主电路主要是把300V直流电分为两部分,分别转换成脉冲能量(正负脉冲)之后注入主开关变压器T1。电路采用“它激式电路”,振荡过程如下:
当T2输出正脉冲时,VT1:产生②端正③端为负的感应电势,VT1的基极电位相对于发射极低,VT1处于截止;而VT2:因④端相对于⑤端为正电势,VT2的基极得到相对于发射极的正向电势,VT2导通,其电流回路为:电容C6上端→C7→T1的②端→①端→T2的①端→②端→VT2集电极→发射极到达C6的下端,向高频变压器T2注入能量(正向)。
当T2输出负脉冲时(正脉冲的相反过程),VT2:产生⑤端负④端为正的感应电势,VT2的基极电位相对于发射极低,VT2处于截止;而VT1:因②端相对于③端为负电势,VT1的基极电位相对于发射极为正向电势,VT1导通,其电流回路为:电容C5上端→VT1的集电极→VT1的发射极→T2的②端→T2的①端→T1的②端回到C5的下端,也向T2注入能量(反向)。
当在待机时高频变压器T2无脉冲输出,VT1、VT2因无脉冲激励信号,VT1、VT2都在截止状态,T1无能量输出,主电路无电压输出。在启动时控制芯片KA7500B的8脚和11脚通过VT3和VT4向高频变压器T2注入正反向脉冲信号,控制VT1、VT2的交替导通与截止,向T1注入能量。
4. PW-OK信号形成电路
PW-OK信号即PG信号,电脑在接通时电源CPU发出的“电源正常”信号,如无此信号,其他电压都正常,电脑也不会工作。
PW-OK电路由一块LM393内部的两个电压比较器所组成,其比较基准电压为KA7500B2脚的电压,约为2.6V。当在待机时,即PS-ON为5V时,反向输入端(6脚)比同相输入端(5脚)高,7脚输出低电平(约为0V),3脚为0V,1脚输出低电平(约为0V);当在启动时,PS-ON变为0V,6脚变为0V,比5脚电压低,7脚输出高电平,向C18充电,当C18两端电压达到一定时,电路翻转,1脚输出高电平(约为5V),信号输出;在关机时,PS-ON变为高电平,与开机相反,电路再次翻转,其1脚输出低电平,而电源主输出端各滤波电容都很大,电压相对来说要延迟一会儿,所以PW-OK信号较早消失。
5. PS-ON开机电路和保护电路
PS-ON开机电路为控制电源中主电路的工作与停止状态,也就是电脑的开关机;保护电路是在输出出现过流过压时(如输出短路、输出电压偏高偏低时)控制IC1进入待机状态,使两只主开关管截止,从而保护电路中的元件。原理如下:
当在待机状态时,PS-ON为高电平,VT10导通,通过R36加到VT11的基极,VT11也导通,KA7500B的12脚电压(5V)通过VT11的C、E极加到KA7500B的4脚,KA7500B处于保护状态,无脉冲信号输出,VT1、VT2都处于截止状态;当ATX得到开机信号时,即PS-ON为低电平(约为0V),VT10截止,VT11的基极失去偏压,VT11截止,4脚就变为低电平(约为0V),KA7500B输出触发脉冲,VT1、VT2得到脉冲信号开始工作,电源进入正常工作状态。
保护电路原理与开机电路基本上相同,VT6、VT7采集保护信号,利用VT5的导通使4脚处于高电平,KA7500B处于保护状态,相当于待机状态。正常时VT5截止。
6. 主电源输出电路
主电源输出部分是把主开关变压器T1中的各绕组的脉冲电转换成直流电,并滤除杂波,3.3V是通过进一步稳压而来的。
电路主要是半桥整流电路,T4 的功用与T5相同,主要是滤除开关电源自身振荡产生的高频谐波,防止其进入电脑,干扰电脑的运行,滤波电容基本上容量很大,而3.3V利用IC4稳压集成电路TL431,进一步稳定电压。
五、ATX电源的维修
下面简单介绍一下ATX电源故障分析与检修流程:
1. 辅助电源的检修:
一般为+5VSB无电压,表现为电脑不能开机,就像开关失效一样。检修主要流程如图2所示。
2. PW-OK即PG信号的检修:
如果电源在启动后无PW-OK信号,电脑也会运行起来,主要表现为硬盘、光驱指示灯都亮了,但电脑不自检;还有该信号不稳定时,如信号时有时无,电脑就频繁重启动。PW-OK电路可能差别很大,但基本上都使用了电压比较器,电压比较器的原理是正相输入端比反相输入端电位高时,其输出端就为高电平,发生故障后一般表现为当输入端电平变化时其输出端无变化,此时电压比较器内部可能损坏,可更换试之;还有就是有一只作延时的电容出现损坏,出现故障时主要表现为不延时或PG信号始终为0V。该电路利用电压比较器的原理去检查与分析,应该不难找出故障。
3. 双管主电路的检修:
VT1、VT2两只开关管由于是在高压大电流下工作,属于易损件,若估计该电路有故障,可以首先检查这两只管子;另外,其VT1的基极在工作时,接近电源电压(即300V),接着是检查基极上的两只二极管,电路不复杂,一般不难检查,但开关变压器损坏的可能性很小。
4. 控制电路的检修:
控制芯片一般使用KA7500或TL494等,但电路基本相同,12脚为芯片的电源,4脚用来控制脉冲信号输出,一般保护电路与开机电路共同控制该脚,该引脚高电平时呈保护状态,低电平时输出振动脉冲;其14脚为芯片内部稳压的输出脚,一般作为保护电路和开机电路的基准电压(5V),也就是4脚的控制电压;8、11脚为脉冲输出脚,如有示波器,你可在工作时看其波形,也可用万用表去测量,其工作时比待机时电压要小一点(待机时约2.2V,工作时约1.8V);两只推动管VT3、VT4在工作时的集电极电压约为5V,在待机时约为1.8V。在维修时可以通过测量上述几点的电压来确认故障点。
上述几点仅供大家维修时作参考,实际维修时碰到的问题还要通过认真的原理分析,但我相信一般不难排除故障。最后还要提醒一句,电源不允许空载,即在维修电源时,由于方便与安全两方面的原因,通常直接把电源独立起来,其输出不接电脑中的任何部件(包括主板在内),这时要接假负载,可以使用大功率电阻,但我推荐使用一只12V/35W的低压灯泡(如摩托车的大灯灯泡,可以选择远光或近光一路),接在电源输出“12V”端上,这样可以清楚看到电路输出有没有电。
六、维修实例
故障现象:
一台赛扬300的ATX兼容机,故障为通电后电源开关不起作用。
故障分析:
故障表现为不能开机,由于是ATX结构,肯定只有主板和电源有故障,为了进一步确定故障点,只有打开机箱(不是软件原因时只能这样),主板上有两只在通电(未开机)时亮的指示灯,这时在反复通电时两只指示灯均没反应,拆下电源盒,通电用万用表测量+5VSB(紫色)、PS-ON(绿色)两脚均为0V,确定为电源盒损坏。
检修过程:
首先找到+5VSB(它是主板启动的辅助电源)是由一块7805的三端稳压块提供的,测量输入、输出均无电压,说明开关电源没有振荡,分析ATX电源由辅助开关电源和双管主电路构成,查找辅助电源开关管和开关变压器,测量300V直流电正常,开关管基极无电压,决定断电测量(电阻值也是很重要),沿着300V线路和开关管基极之间有两只电阻串联,测出其中一只2W电阻(R55启动电阻)为无穷大,按色标阻值应该为330kΩ,正是这只启动电阻断路造成电源不能启动,更换同样一只330kΩ/2W金属膜电阻,故障排除。(全文完)