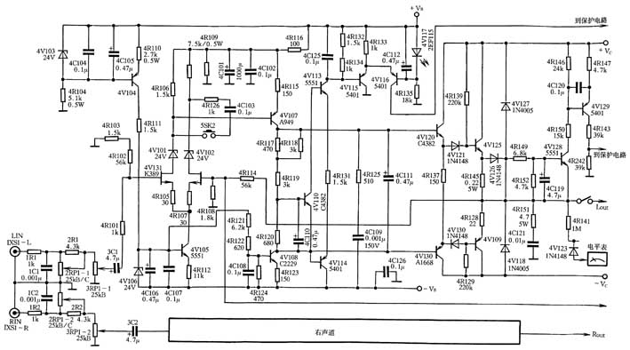
湖山BK2×100JMKⅡ99是四川绵阳湖山电子股份有限公司生产的一种Hi-Fi后级功率放大器,独具“软”、“硬”两种音色选择,可满足不同品位的人士欣赏音乐。附图为其电路原理。(图中的元件编号为原机编号)。
输入级
输入级由低噪声差分孪生场效应管4V131及恒流源4V104、4V105等组成。4V103、4V104构成恒流源电路,同时它又是稳压二极管4V106的偏置电路,而4V106与三极管4V105又构成差分输入管4V131的源极有源负载。这种两级的恒流偏置具有高度的稳定性,能极大地提高输入级阻抗及线性度,使差分管保持良好的对称性,具有很强的共模抑制能力,对于确保输入级的低噪声高稳定具有实际意义。
电压放大级
电压放大级由4V107及有源负载4V108构成。4V107为低噪声、高线性,高放大倍数的双极型PNP管,它的集电极负载为4V108构成的恒流源,具有增益大、频响宽、线性佳等优点。4V107工作于甲类状态,尽管功耗较大,但可消除信号的交越失真、谐波失真及相移失真,因此付出这点代价也是值得的。
驱动及输出级
4V120、4V112及4V125、4V109分别组成驱动及输出电路。输出管采用的是东芝公司的音响专用配对大功率管,功率强劲、音质优美。4V110为驱动及输出级的偏压电路,其c、e极的偏置电压设计得较高,为3.8V,这样输出级4V125、4V109的静态电流为500mA左右,已处于甲类工作状态范围,使本机具有非常甜美的音色。4V110在安装时紧贴住4V215、4V109的散热器,因此具有较好的温度补偿作用,利于功放连续工作时输出级能保持良好的稳定性。
其它部分
4V113~4V116组成次声(<18Hz)限幅削峰电路,其作用是当放大器过载产生谐波时保护音箱中的高音单元不被损坏。当输入信号过大而产生次声削峰时,偏压管4V110的稳定状态会发生变化,其c、e极电压会出现不稳定,4V113、4V114检测到这种变化时,经4C125滤波确定为次声削峰,经4V115放大,控制4V116饱和导通,使扬声器保护电路动作,切断与音箱的连接,用于保护昂贵的音箱。5SK2为“软”、“硬”音色选择开关。通过开关选择,既可使电路工作频带变窄、转速速率降低、环路负反馈加深,使音色变“软”变“暖”,也可使电路工作于宽频带、高转换速率、适度的负反馈状态。使音色变“硬”变“冷”,满足不同人士的欣赏要求,力求尽善尽美。另外放大器供电采用了前后级电源独立整流滤波,独立供电,最大限度避免了声染和交流干扰,并且输出级的直流电位采用了有源伺服电路,中点电位十分稳定。BK2×100JMKⅡ-99功放的末级滤波电容达40000μF,前级滤波电容也达到了12000μF,并采用了优质的大型环型变压器,巨型铝质散热器,照明型豪华输出电平表等。
音质评价
BK2×100JMKⅡ99功放具有足够的功率储备与优良的放音特性,它所独具的“软”、“硬”音色选择功能,使其与各种特性的音箱接驳时均能产生良好的效果。当与音色冷艳的CD机及声音偏硬的美国音箱接驳时,选择“软”的音色可得到较好的互补效果,声音亮丽而又细腻。当与音色柔和的“胆”CD机及英国音箱搭配时,选择“硬”的音色可在得到甜美、圆润声效的同时又不失清晰悦耳。
