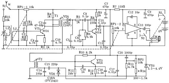
针对目前广泛使用的PJ-80型直放式80米波段测向机(电原理图见附图),在比赛中存在着近台方向性不明显、远台信号微弱、频率调节不方便等问题,我们提出了一些改进方案,愿与无线电测向爱好者共同探讨。

一、增加磁性天线上的线圈匝数
为了保证传输信号正常,我们首先进行增加磁性天线线圈匝数的实验。在10台测向机中随机抽取5台,将5台测向机的磁性天线上分别加绕0圈、3圈、5圈、10圈、15圈,并同时装上崭新的6V电池进行性能测试。实验结果表明,把磁性天线上的线圈增加5圈效果最好。
二、改进频率转换装置
PJ-80型测向机是通过改变变容二极管VD2的偏置电压来改变其两端的电容量达到改变振荡频率的目的。由图可见,RP2、R13、R14组成了变容二极管的偏置电路。通过调节电位器来改变振荡频率的主要缺陷是电台难调准确、调准电台耗费时间较长及台值在电位器的刻度分布不均等。主要原因是电位器阻值按指数规律变化所致。因多圈电位器具有行程长、阻值呈线性变化等特点,我们购买了一只10kΩ的多圈电位器,用它替换原机上的RP2,改进后的测向机调台准确、快捷,台位在多圈电位器的指示呈线性分布,达到了预期的效果。
三、适当提高电源电压
为了提高测向机的稳定性,增加测向机电池的使用时间,我们试将PJ-80型测向机的电源电压由6V改为9V。实验表明6V电池可用25小时,改用9V电池后,可用53小时,使用时间提高了一倍多。由图可见,当测向机的电源电压大于稳压管VD3的稳定电压(3.5~4.4V)时,测向机才能正常工作,改用9V电源电压后,两者之差为4.6~5.5V,显著延长了测向机的使用时间,在大赛中机器更加稳定,参赛者的水平更能得到正常发挥。实践证明,电源电压提高后不会影响各部分元件的正常工作状态。
四、尽量减少失真
由于电源电压由6V提高到9V,使测向机功率放大器的放大倍数随之增大,导致输出信号失真。功放电流的大小与反馈电容C12有关。C12越大,功放电流越大。因此,为了减小失真,并减小电源的损耗,我们将C12由10μF减小到4.7μF。
(王维佳 龙湍 高洁)