比例遥控装置广泛应用于车模、航模等领域,用以实现对靶机、船模、玩具等的自动控制。本文介绍一种新的无线比例电机遥控器的制作方法。它选用易购元件,具有原理简单、性能可靠的特点。
一、电机遥控器的工作原理
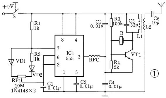
图1为遥控发射电路。555集成块与R1、R2、RP1、VD1、VD2及C1组成一无稳态大范围可变占空比振荡器。图示参数的振荡频率为50Hz左右,通过RP1阻值的调节,占空比的变化范围可达到1%~99%,由③脚输出50Hz方波信号。VT1及外围元件构成晶体稳频电容三点式振荡器,石英晶体的谐振频率选用27.145MHz。本电路采用石英晶体稳频,所以工作可靠。VT1振荡产生的高频载波经555电路③脚的方波信号调制,由天线发射出去。

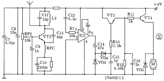
图2为接收驱动电路。为简化接收电路,由VT2及其外围元件构成超再生检波器,检出原方波调制信号。由C12、R7加至IC2的③脚进行放大,放大后的信号经VD3、VD4倍压整流,由VT3射随器输出平滑的直流电压。该电压的大小与发送的不同占空比信号波形有关,占空比大,电压高,经R11为VT4提供的偏置电流大,电机的转速高;占空比小,电压低,经R11为VT4提供的偏置电流小,电机转速慢。当占空比足够小时,VT3截止无输出,VT4因失去偏置而不导通,电机M停转。由此可得电机转速与占空比成正比关系。

二、元器件的选择
L1可用10K型中周骨架,用φ0.15高强度漆包线绕9匝,L2在L1的外层用同型号漆包线绕3匝,不用屏蔽罩,但需旋入磁芯。L3同L1制作。B用JA12等金属壳谐振器,频率在27~29.8MHz之间。VT1、VT2、VT3均用3DG130D型NPN三极管,β>100。VT4选用3DD15D型大功率管。RFC用18μH色码电感。IC1的型号为NE555。IC2的型号为LM386。电容除标明的电解电容外均用CC1型高频瓷介电容。电阻均用1/8W碳膜电阻器。
三、电路的调试
先调发射机载频振荡器,高频扼流线圈RFC及晶振B暂不装上,使C4对地短路。调节R3阻值,使VT1的集电极电流为12mA,然后装上晶振B,此时电流会增至15mA左右,否则应仔细调节L1的磁芯,直至电路起振为止,去掉C4短路线。超再生检波的调试方法是用800Ω的高阻耳机串联一个10μF电容器跨接在VT2的发射极与集电极之间,用无感起子细调电位器RP2及线圈L3的磁芯,直至耳机中有明显响亮的“沙沙”声为止。下一步将发射机天线靠近接收机,接通遥控开关S,微调发射机和接收机中线圈的磁芯,直至耳机中能听到清晰的工频声为止,然后拉开两机距离,再进一步细调。其余电路无需调试,一般装好后即可正常工作。
(安明伟 刘杰)