本文介绍的时间控制器是一种小型低成本冰箱冰柜节能保护装置,可以人为地设定不同的时间开停比,控制冰箱开或停,模拟温控过程。它适用于如下的情况:1.原冰箱、冰柜内部温控器损坏一时无法修复。2.冬季不易启动或夏季不易停机的冰箱和冰柜。3.因制冷剂少量泄漏导致开停比不正常或者特别费电的冰箱和冰柜。4.电网经常发生间断供电的现象,造成压缩机经常高压启动。
该时间控制器成本低廉,定时较准,适合于广大电子爱好者制作。
电路原理
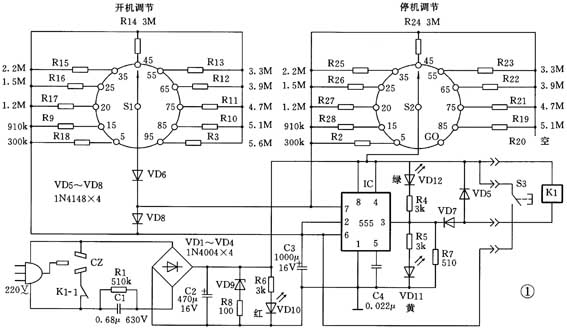
图1为时间控制器的详细电原理图,其核心部分是由555时基电路构成的可调占空比多谐振荡器,其简化原理电路见图2。S1、S2是两个压簧式印板调节开关,分别用来选通开机调节定时电阻R3、R9~R18及停机调节定时电阻R2、R19、R21~R28,以调节开机时间与停机时间。由时基电路工作原理可知,555的③脚为输出端,⑦脚为放电端,②、⑥脚为输入电压比较端,③脚的输出电平由②、⑥脚的输入电压决定。S2、R2、R19、R21~R28、VD8、C3等组成充电回路,S1、R3、R9~R18、VD6、C3等组成放电回路。当C3上的充电电压小于2/3V\(_{CC}\)(V\(_{CC}\)为555的工作电源电压)时,③脚输出高电平,继电器K1释放,发光管VD12熄灭,VD11点亮;一旦C3上的充电电压升高至2/3V\(_{CC}\)时,则555电路内部RS触发器翻转,③脚输出低电平,K1吸合,VD12点亮,VD11熄灭,同时⑦脚内部的放电管对地导通,C3通过放电回路对⑦脚放电,直到C3上的电压下降至 1/3V\(_{CC}\)时,⑦脚停止放电,③脚又恢复输出高电平,K1释放,VD12熄灭,VD11点亮;此后C3又通过充电回路进行充电。如此周而复始,循环不已。


充电时间T1=0.693RP2C3,RP2为S2所选通的电阻R2、R19、R21~R28中的一个,放电时间T2=0.693RP1C3,RP1为S1所选通的电阻R3、R9~R18中的一个。RP1、RP2的最大值为5.6MΩ和5.1MΩ,C3为1000μF的低漏电铝电解电容器,此时T1、T2的定时时间最长可达64分钟、59分钟。由于C3存在有漏电流,因此实际的最大定时约为95分钟、85分钟。
电路中,VD10用于电源指示,VD11、VD12分别作为停机指示和开机指示。R1、C1、VD1~VD4及C2、VD9、R8等组成简单的电容降压稳压电路,供555时基电路及继电器K1作工作电源。通电后,电路自动进入延时启动状态,如需快速启动,可按一下按键开关S3。
元器件选择
C1选用耐压大于400V的进口MKP型聚丙烯电容器。VD9为1/2W、12V稳压二极管。K1选用12V高灵敏继电器,触点电流大于5A。S1、S2用磷铜片冲制,然后用小弹簧压紧于塑料旋杆上,并安装于印板的相应位置。S3为快启开关,也用磷铜片制作。C3使用漏电小的铝电解电容器,以减小定时误差。VD10~VD12使用三个φ3mm高亮度发光二极管。其它元件无特殊要求。
制作与使用
制作完毕,先仔细检查一遍,确认无误后方可通电。将S1、S2均调定在5分钟,接通电源,测C2两端的电压,应为12V左右。同时VD10、VD11点亮指示。约5分钟后,VD11熄灭,VD12点亮,K1吸合,这时测CZ上有220V输出。再过5分钟,VD12熄灭,VD11重又点亮,K1释放……如此循环不已。如要实现通电时K1即吸合,按一下S3快启开关即可。
使用时,分别调节S1、S2,即可设定不同的开机时间与停机时间,使接于CZ上的冰箱冰柜受其控制而实现节能运行。C3漏电较小时,定时误差一般小于10%,已能满足家庭使用需求。
(周兴华)


