满幅值输出的双音频放大器SSM2275(16页)
应用领域:多媒体音频系统、专业音频系统、高性能家用音频装置、话筒前置放大器、低通滤波器等。
主要特点:
单电源或双电源供电(单电源5V~±15V);极好的声特性;低噪声(7nV/Hz);低THD(0.0006%);输出满幅值(接近电源电压的范围);输出电流大(±50mA);工作电流低(1.7mA/每一个);带宽8MHz;压摆率高(12V/μs);无相位反转;单位增益稳定;工作温度范围-40℃~+85℃。
封装形式:
8引脚SO及SOIC封装。
应用电路:
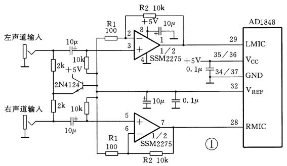
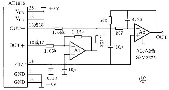
一种用于多媒体声卡编解码器的低噪声话筒前置放大器电路如图1所示。图中AD1848为编解码器,SSM2275的两个运放分别放大左右通道。另一种用于24位立体声∑-△D/A变换器的低通有源滤波器电路如图2所示。图中AD1855为24位D/A变换器。


生产厂商:
ADI公司(www.analog.com)。@
低功耗ASK接收器集成电路RX3400(5页)
@
应用领域:
遥控无钥匙入口或车门控制、安全系统等。
主要特点:
低功耗,V\(_{CC}\)=5V时耗电在2.3~3.0mA范围,若PLL关闭时耗电降到1.9~2.6mA;外围元件少;接收输入频率范围为290~460MHz;内部有PLL的压控振荡器(VCO);内部集成了中频滤波器及数据滤波器。
封装形式:
脚5QP-24封装(管脚间距0.63mm)。
生产厂商:
美国Hi MARK公司(www.keymark.com.tw)。@
新型N沟道逻辑电平功率MOSFET HUF76013(7页)
@
应用领域:
开关型DC/DC变换器、驱动器、电机控制电路、开关等。
主要特点:
V\(_{DS}\)=20V;V\(_{GS}\)=±16V;I\(_{D}\)=20A(T\(_{C}\)=25℃、V\(_{GS}\)=10V);R\(_{DS(on)}\)=0.022Ω(V\(_{GS}\)=10V),R\(_{DS(on)}\)=0.030Ω(V\(_{GS}\)=5V);栅电荷低,典型值为14nC;电容值低,C\(_{ISS}\)为624pF,C\(_{RSS}\)为71pF;耗散功率P\(_{D}\)=50W。
封装形式:
3引脚TO-220AB或TO-2S2AA封装。
生产厂商:
Intersil公司 (www.intersil.com)。@
用于通信的高速数字磁场隔离器IL710
@
应用领域:
数字磁场总线(fieldbus)隔离、计算机外设接口、减噪声高速数据系统、多路数据传输、隔离数据接口。
主要特点:
与+5V的CMOS兼容;2ns典型脉宽失真;4ns典型传播延迟时滞;10ns典型传播延迟;高速100MBd;30kV/μs典型共模抑制;三态输出;2500V\(_{rms}\)绝缘电压。
封装形式:
8引脚DIP或8引脚SOIC。
生产厂商:
NONVOLATILE ELECTRONICS公司(www.nve.com)。@
线性电流检测集成电路IR2171(7页)
@
应用领域:
检测电机的相电流。
主要特点:
可变的通道电压可达600V;外接电流检测电阻RS(其两端最大电压±300mV);其电流大小用40kHz的PWM信号输出,很容易与μP接口;静态电流1mA;高共模噪声抑制;输入有过压保护,用于IGBT短路情况;开漏输出。
封装形式:
8引脚SOIC或DIP、16引脚SOIC。
应用电路:
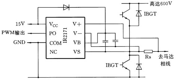
应用电路如附图所示。图中未示出IGBT的驱动电路及负载(电机)。由R\(_{S}\)上最大的电压U\(_{in}\)=±300mV(U\(_{in}\)+=-300mV、U\(_{in}\)-=0V时,PWM的占空比为5%;U\(_{in}\)+=+300mV、U\(_{in}\)=0V时,PWM的占空比为95%)。

生产厂商:
IR公司(www.irf.com)。@
新型N沟道2.5V(G-S)MOSFET Si 5404DC(4页)
@
应用领域:
驱动器、电机控制、电源、开关等。
主要特点:
V\(_{DS}\)=20V;V\(_{GS}\)=±12V;I\(_{D}\)(T\(_{A}\)=25℃时为±5.2A,T\(_{A}\)=85℃时为±3.8A);R\(_{DS(on)}\)在V\(_{GS}\)=4.5V时为0.03Ω,在V\(_{GS}\)=2.5V时为0.045Ω;工作结温为-55℃~150℃。
封装形式:
贴片式封装,尺寸代码为1206,如附图所示。
生产厂商:
VISHAY公司(www.vishay.com)。@
1A电流输出无电感的降压式开关稳压器PT5100系列(2页)
@
主要特点:虽然它是降压式DC/DC变换器,但却无需一般DC/DC变换器要求外接的电感、肖特基二极管,而且管脚排列与78系列相同可以与78系列互换(输出最大电流为1A);转换效率为85%;有9种固定输出电压(从+3.3V到+15V)供用户选择;输出电压精度高,其允差为±1.5%VO;线性调整率及负载调整率为±0.5%VO;输出纹波电压及噪声为±2%VO;内部有完善的保护电路(过热保护、短路保护);输入电压范围宽(最高到38V)。
封装形式:管脚排列与3引脚的TO-220相同。①脚为输入、②脚为地、③脚为输出(与78系列兼容)。
应用指南:该系列9种输出如下表所示:

应用电路:典型应用电路如附图所示。
生产厂商:德州仪器公司(www.ti.com)。@
低功耗、低压差线性稳压器MAX8875(9页)
@
主要特点:有系列输出电压(2.5V、2.7V、3.0V、3.0V、5.0V),输出电流150mA;有关闭电源控制,在关闭状态时,耗电小于1μA;输出精度高,可达±1%;静态电流低(80μA);压差低,在输出100mA时,典型压差值为110mV;有电源工作状态信号输出(Power OK);有输出电流限制及过热保护;有电池极性装反保护。
封装形式:SOT-23封装。
应用电路:典型应用电路如附图所示(不同的输出电压分别由后缀15、25、27、30、33、50表示,应用电路相同)。
生产厂商:美国MAXIM公司(www.maxim-ic.com)。@
由SMBus/I2C控制的冷却风扇控制器LTC1695(20页)
@
主要特点:由SMBus/I2C控制无刷直流电机(冷却风扇)的转速;它内部是一个0.75Ω的PMOS调整管的线性稳压器,可输出180mA;它由6位DAC来控制输出电压:0~4.992V;与SMBus/I2C用两线(SCL、SDA)接口;两部有250ms的启动定时器使风扇启动;内部有电流限制及过热关闭保护。
封装形式:5引脚SOT-23封装。
应用电路:如附图所示。LTC1695的SCL及SDA与系统控制器接口(③脚与④脚),5V电源接在①脚与②脚之间,⑤脚输出0~4.992V电压对风扇进行控制。温度传感器检测发热器件的温度,并且系统控制器根据温度的要求输出信号给LTC1695,控制风扇的速度以达到最低的功耗冷却,节省电池能量,延长电池的寿命。

生产厂商:LT公司(www.linear-tech.com)。
本栏目欢迎投稿!
欢迎提供新器件线索!
欢迎索取英文资料!
联系电话:010-67134095-1