编者按:
本刊今年第4期黄花电子工具有限公司有关电动吸锡枪的广告刊出后,公司接到大量读者电话和咨询,了解该吸锡枪的详细情况,为此我们请该公司对NO.991型电动吸锡枪作一个详细的介绍,供大家参考。有关该公司的联系方式及通信地址见本期彩色插页广告。@
吸锡器是现代电子维修工具中相当重要的工具之一。在现代电子技术中,由于线路板采用单层双面甚至多层结构、电子零部件的多功能性及高度集成化,使零部件的引出脚越来越多。在电路维修中,原来的普通吸锡器和电热吸锡器已经很难适应越来越复杂的工艺要求。
NO.991电动吸锡枪是一种操作简单、使用方便、吸力强大、适用范围宽,在一定温度范围内可设定温度并能恒温、能连续使用的电动吸锡器。该吸锡枪采用一体化的设计形式,摒弃了过去附加控制台的结构,直接将发热、控温、吸气部分装置在吸锡枪整体内,使得吸锡枪体积小、重量轻、简洁轻巧,在操作及控制上更加方便简单。其结构图见图1。

发热部分采用了一体化新型专利陶瓷发热芯,测温元件直接装置在发热芯前端,不但使发热芯温度控制更加精确,还可减少吸气时流动空气对温度的影响。全不锈钢吸管使用寿命长、不易堵塞、清理方便。60W内热形式发热体热效率高,升温迅速。全陶瓷结构,绝缘度高,使用安全可靠,即使工作温度在450℃时,绝缘电阻亦高达100MΩ以上。储锡管透明直观,吸锡情况一目了然,耐高温的储锡玻璃管能连续使用,拆卸清理十分方便。膜片式气泵,直接由马达驱动,启动迅速,吸力强大,对单面、双面及多层PCB板和大焊点除锡有特别优异的性能。
足够大的富余功率使温度恒定性能好,手柄上直接调节温度,调节范围为350℃~450℃,使该吸锡枪能适应各种元器件和电路板使用。发热部分有安全的接地装置,可消除静电,使吸锡操作安全可靠。手柄上设有控制按钮,能直接控制气泵马达工作,可以点吸,亦可以作连续吸锡使用。备有φ1和φ1.5两种吸嘴供选择,可配合各种电子电路及元器件进行除锡操作。
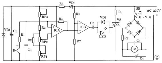
NO.991型电动吸锡枪采用集成控温电路,大大简化了电路结构,加上使用线性热电偶作为温度传感器,使电路调整更加简便。
温度控制原理如下(电路见图2):

电路由热电偶、桥路检测器、比较器、驱动器、功率开关、整流稳压等部分组成。热电偶B作为温度传感器;电阻R1、R2、R3、R4、电位器RP1、RP2、RP3、热电偶B构成检测电桥。当电烙铁接上220V市电时,热电偶B在常温下,热电势很低,使加在比较器ICA反相端的电压U-大于同相端电压U+,输出端为低电平,驱动器ICB输出为高电平,发光二极管LED导通,触发双向可控硅VS导通,此时电烙铁RL全功率通电加温。由于热电偶B置于电烙铁芯内,随着烙铁温度上升,B的热电势升高,ICA同相端电压升高,并高于RP2所设定的电压,于是U-开始小于U+,此时ICA输出高电平,ICB输出低电平,LED截止,VS关断,电烙铁停止通电加温。B的热电势又开始降低,U+亦相应下降。当U+低于U-时,ICA输出低电平,ICB输出高电平,VS导通,电烙铁又再次处于通电加温状态,……如此自动反复调节控制,使电烙铁的温度始终保持在某一稳定值,从而达到恒温的效果。
ICB与R6、R7、RL、VS等构成近零开关电路。该电路与ICA配合控制,使ICB处于间隙工作状态,即在交流电每半个周波的起始瞬间输出一个约0.2ms的触发脉冲。这就使整个控制电路的平均功耗大大降低,电磁干扰最小。VD1、C1、VD2、R5组成整流稳压电路。开关SB、VD4~VD7、R8、C4、C5为气泵马达控制电路。
(黄德超)