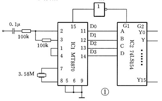
MT8870是双音多频(DTMF)译码电路,在通信领域、远程控制中应用十分广泛。但由于它对输出数据的锁存,在电路设计时甚感不便,本人经过实验,摸索出两种去除其锁存的电路,供读者参考。在图1中,MT8870的②、③脚为DTMF输入端,、、、脚为D0~D3数据输出端,脚为STD端,当有译码输出时,它产生一个“”信号,IC2(74LS154)为四-十六线译码器,它有两个使能控制端G1和G2,在本例中利用IC1的STD信号反相后控制IC2的使能端G1。当IC1有译码输出时,STD为“1”,G1为“0”,IC2译码输出。反之,IC2则不译码,纵然IC1有锁存的数据,也不会通过IC2译码输出。从而巧妙地实现了清除MT8870的锁存功能。

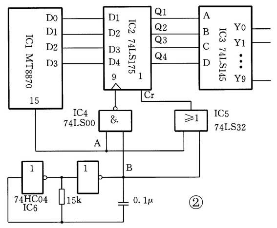
但有些译码器没有使能端,如CD4028、74LS145等,需外加清除电路。在图2中IC1的外围电路同图1,IC2为74LS175,是带公共时钟端和清零端的4D触发器,IC3为74LS145,是BCD-十进制码译码驱动器,IC4是74LS00与非门,IC5是74LS32或门。IC6与R、C组成最简单的CMOS多谐振荡器,在B处产生500Hz左右的方波,其振荡周期为T≈1.4RC。当IC1有译码输出时,A处为“1”,则IC2的①脚cr端为“1”,清除无效。IC2的⑨脚CP端为与B处反相的方波信号,在方波的上升沿时IC2锁存IC1的输出数据,送给IC3译码。当IC1无译码输出时,A处为“0”,则IC2的cr端为B处的方波信号,在方波的零电平时把IC2中锁存的数据清除,使IC2输出为“0”,从而实现了清除MT8870的锁存功能。但此电路有一个缺点,“0”不能作为有效的输入信号,望大家使用时注意这一点。若有问题,请发Email给笔者:lyz008@163.net。有关MT8870的详细资料可到www.mitelsemi.com上查询。

(李玉忠)