LM4610是美国国家半导体公司(NS)1999年5月推出的器件,是一种具有3D音效功能的音调/音量/平衡调节电路。该器件主要用于立体声应用中,如汽车音响系统、电视机及音频系统。该器件主要特点有:具有国家半导体公司的3D音效功能;工作电压范围宽,从9V到16V;音量控制范围大,典型值为75dB;音调控制范围典型值为±15dB;通道分离典型值为75dB;失真低,在输入0.3V\(_{rms}\)电平时,失真典型值为0.06%;信噪比高,在输入0.3V\(_{rms}\)电平时,典型值为80dB;外围元件少,电路十分简洁;工作温度范围0℃~70℃;24引脚DIP封装。
内部结构与管脚排列
LM4610的内部结构及管脚排列如图1所示。电源电压V\(_{CC}\)由输入,经内部稳压电源稳压后给内部电路供电,①脚接电源去耦电容;另外有一齐纳二极管组成的基准电压源,从脚输出5.4V基准电压(5mA),用于控制音调(高音、低音)、音量及平衡电路。、接地,④脚、外接高音电容Ct,⑧脚、外接低音电容Cb,⑥脚、分别为音调的高音调节端及低音调节端。为音量调节端,为平衡调节端,⑨脚接响度补偿(也称重低音控制),③脚、接左右3D音效。②脚、接输入端,⑩脚、接输出。⑦脚及接交流旁路电容,⑤脚、为空脚。

主要参数
工作电压V\(_{CC}\)为9~16V、工作电流典型值35mA;最大的输出电压(典型值):在f=1kHz时,V\(_{CC}\)=9V时为0.8V\(_{rms}\),在V\(_{CC}\)=12V时为1.0V\(_{rms}\);最大输入电压,在f=1kHz时,V\(_{CC}\)=9V时为1.1V\(_{rms}\),在V\(_{CC}\)=12V时为1.6V\(_{rms}\);输入电阻在f=1kHz时为30kΩ,输出电阻在f=1kHz时为20Ω。
典型应用电路
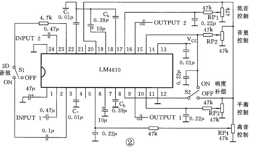
LM4610的典型应用电路如图2所示。它由4个电位器RP1~RP4分别用作低音控制、音量控制、平衡控制及高音控制(高、低音控制为音调控制)。S1为3D声效开关,S2为响度补偿开关。现主要介绍基本控制电路、音调控制中的参数选取及响度特性。

1. 基本控制电路
图2中的高音、低音、音量、平衡控制电路都是相同的,如图3所示。由内部齐纳二极管输出5.4V电压(输出)作为基准电压,由RP1~RP4电位器取其分压进行调节,调节范围为0~5.4V。其中电阻47kΩ及0.22μF为滤波用。

2. 音调控制
音调控制与高音电容Ct及低音电容Cb有关,其低音响应与高音响应分别为:
低音响应 =1+0.00065(1-a\(_{b}\))jwC\(_{b}\)1+0.00065a\(_{b}\)jwC\(_{b}\)
高音响应 =\(\frac{1+jw550c (1-a}{_{t}}\))C\(_{t}\)1+jw5500a\(_{t}\)C\(_{t}\)
式中a\(_{b}\)、a\(_{t}\)分别为低音、高音调节量,在0~1之间。当a\(_{b}\)、a\(_{t}\)等于零时,低音及高音得到最大提升;当a\(_{b}\)、a\(_{t}\)等于1时,低音及高音为最大削减。在图2中C\(_{b}\)为0.39μF,Ct为0.01μF时,在40Hz~16kHz频率范围内有±15dB的提升及削减,如图4所示。

改变C\(_{b}\)及C\(_{t}\)值可以获得不同的提升及削减特性,如图5~图7所示。读者可以根据自己对音调的喜爱来选取。

3. 响度补偿的音量特性
响度补偿与C\(_{t}\)及C\(_{b}\)有关,当C\(_{b}\)=0.39μF,C\(_{t}\)=0.01μF时,其特性如图8所示。当改变不同的C\(_{b}\)时,其特性如图9~10所示。


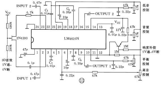
图11为采用电子开关来控制3D音效及响度补偿。在加5V电压时为开通3D音效及响度补偿;加0V(地电平)时为关闭。

相关详细资料可在www.national.com上查到。
(金召)