在视听设备的音量、音调及电子仪器的控制电路中,都要用到各种不同型号的电位器。早期的电位器多数为机械结构,电阻取样是用特殊形状的金属簧片直接在电阻介质片上滑动,以获得不同的电阻值。经长期磨擦滑动,电阻介质片很容易磨损,导致电位器接触不良,产生噪声,直接影响视听设备的音质、收视效果及仪器设备的稳定性。
E2POT非易失性数字电位器是机械式电位器最理想的替代品,它能从根本上克服所有机械式电位器的缺陷。两者相比,数字电位器具有体积小、重量轻、调节方便、取值准确、噪声小且不易受外界环境的影响。数字电位器规格型号齐全,应用范围广泛。
下面介绍一种对数型数字电位器,它广泛应用于音量控制电路中。图1示出了X9514电位器内部电路的逻辑功能。内部电路由微处理器、EEPROM、计数器、译码器及电阻阵列组成。其特点是功耗低(等待电流≤200μA,工作电流≤8mA),数字电位器的电阻取样可分手动和快速扫描方式,有手动和自动贮存选项(本文只介绍手动储存方式)。取样状态可存储在非易失性存储器中,供重新调用,存储的数据可保存100年不遗失。数字电位器的电阻阵列有31个电阻单元,共32个滑动式非接触抽头点;内部电路采用了温度补偿,工作稳定可靠。该电路采用8脚DIP、SOIC两种封装形式,工作电压为+5V。图2为电位器的封装引脚图,引脚功能见附表。



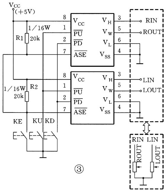
图3为典型的双声道音量控制电路,共用两片X9514,控制电路外围元件只有2只电阻,三个微动开关,故制作成本很低,安装也很方便。该电路电阻取样一致性较好,音量调整效果很理想。音量大小只受控于KU、KD,按KU时音量增加,按KD时音量减小,按KE则可存储当前的音量状态。

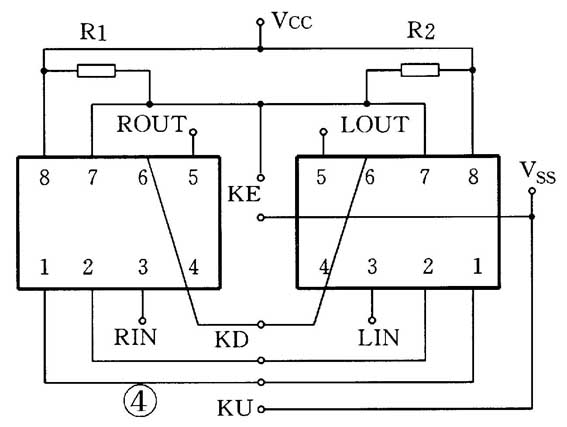
制作者可按图4(安装图)进行焊接,最终以图3的等效电路形式与音量电路连接,不需调试,便可达到代换的目的。

有关数字电位器的信息请查询www.xicor.com,X9514的资料下载地址为:www.xicor.com/pdf_files/obsolete/x9514.pdf。
(王政爱 邓仁庚)