市售的无线遥控组件通常控制的路数有限,在需要进行多路遥控时就要用到多个遥控组件,既操作不便,又增加成本。本文介绍的方法就是在原遥控组件的基础上再配上一些电路,使它的控制通道成倍增加。
一、无线遥控组件的工作原理
以匙扣式TWH9236微型发射机以及微型固化解码模块TWH9238组成的无线遥控组件为例,此种遥控组件的内部密码在出厂时均已配对,密码的重复度高达32万组,其遥控距离大于50m。发射机和接收机的工作原理框图分别见图1和图2。该遥控组件的发射机和接收机各自成一体,发射机的表面有4个触摸式的按键和一个发射指示灯,4个按键可以同时按下。接收机有7根引线端子。当使用者按下某一或同时按下两个以上按键时,信号通过数字编码使TWH9236的内部载频振荡电路开始工作并通过内藏的天线向空间辐射VHF信号(振荡频率为265MHz),而接收机通过天线接收到相同频率的信号。此信号经过检波放大、整形解码后输出,从而使接收模块相应的数据输出端(A~D)为高电平,其余为低电平。当发射机停发信号时,接收机输出端原数据锁存,直至收到新的信号指令。由于接收模块有4个数据输出端,它最多可以直接遥控4种执行机构。


二、通道的扩展及控制
1. 方块图
通过以上对微型无线电遥控组件的工作原理的讨论。不难看出,如果我们在接收模块的输出端增加一些数字电路,就能使它遥控多达16个执行机构。图3为通道扩展和控制电路的组成方框图。

2. 实施电路
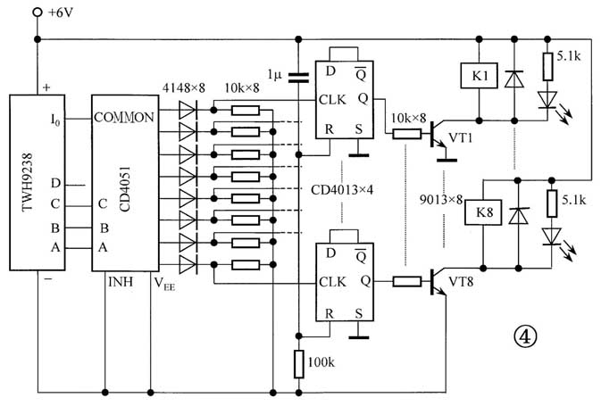
由方框图可知,控制电路主要包括模拟开关(CD4051)、双D触发器(CD4013)、驱动电路(由三极管9013、10k电阻组成)以及继电器(K1~K8)等部分。具体的电路图见图4。当我们按下发射机的任一键时,接收模块的A、B、C端中的相应数据端和I0输出为高电平,这些信号送至模拟开关使得它的某一路输出为高电平,这一高电平信号再经过二极管和电阻组成的或门电路作为双D触发器的时钟脉冲。由D触发器的特性方程Qn+1=D可知,D触发器的输出状态仅仅取决于时钟脉冲到达瞬间时的(即CLK端由0变为1时)输入端D的状态。也就是说,Q端下一个状态的输出与D端的前一个状态一样(即D端为“1”时,Qn+1也为“1”),此“1”信号送至相应的三极管驱动继电器吸合,从而来控制电器的工作状态。

此电路刚开始工作时,如何使D端获得高电平呢?这是本控制电路要解决的问题之一,在控制电路中通过RC(100k,1μF)电路来实现。因为从D触发器的真值表中看出,不管CLK和D端处于什么状态,只要R为“1”,S为“0”时,则Q端为“0”,端为“1”,而端与D端是直接相连的,即D端也为“1”。因此,当电路刚通电的瞬间,电容两端还来不及充上电,此时电阻(100k)两端为高电平,所以R端也为高电平,这就满足了R为“1”,S为“0”的状态。而当电容两端充满电时,电阻两端变为低电平,即R端又恢复低电平,而S端在电路中始终接低电平。这个时候D触发器Q端的输出仅仅取决于时钟脉冲上升沿到达时D端的电平。
本文所介绍的电路能利用发射机的按键值一一对应接收通道,通过编码使输出扩展到8位,这样可以控制8个对象。发射机的A、B、C、D键分别控制第1、2、4、0路,如果同时按下A、B键,则控制第3路,按下B、C键则控制第6路,余下类推。
三、 使用注意
1.发射机与接收模块必须配套使用,它们的编号必须相同。
2.接收模块应安装在无金属屏蔽的场合,且尽量避开金属物体,以免因信号被屏蔽而无法工作。
3.当发现工作距离明显缩短时,应检查发射机电池,及时更换。
(丁瑶君)