无线电小组的同学们在初步掌握了各种门电路的原理和应用的基础上,开始用集成电路触发器组装趣味数字电路。这次活动内容是以CMOS型双D触发器CC4013为核心器件制作“单键触摸式灯开关”。调试成功后,老师解答了大家提出的有关触发器方面的问题,并组织同学们展开了讨论。
同学:
今天您在介绍集成电路触发器时曾经说,触发器和门电路一样,都是逻辑电路,只不过门电路属于组合逻辑电路,触发器属于时序逻辑电路。请问,这两种逻辑电路各有什么不同的特点呢?
老师:
问题提得好。组合逻辑电路的特点是电路的输出状态完全由该时刻的输入状态决定;输入状态发生变化,输出状态也随着发生相应的变化;输入信号一旦消失,输出信号也就不复存在了。而时序逻辑电路的输出状态不仅取决于该时刻的输入状态,还与时间顺序有关,它的重要特点是具有记忆数码(0和1)的功能。
同学:
触发器的逻辑功能是什么呢?为什么说它是一种记忆单元?
老师:
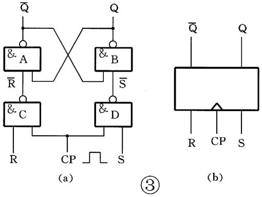
触发器的种类很多,逻辑功能也不尽相同,但它们都是由门电路组合而成的。用两个与非门交叉耦合就可以构成一个最简单的触发器──基本RS触发器(图1)。由图可见,它有两个输入端R-和S-,两个输出端Q和Q-。S-端叫置0输入端,S-叫置1输入端,大家可以根据与非门的逻辑功能列出各种不同的输入状态所相对应的输出状态,基本RS触发器的功能也就一目了然了。

老师:
很好。触发器虽然有两个输出端Q和Q-,却规定Q端的状态作为触发器的状态。Q=1,称为触发器的“1”状态;Q=0,称为触发器的“0”状态。设触发器原来的状态为Q=0,我们在端输入一个负脉冲(或加上低电平“0”),R-端仍保持高电平“1”不变,触发器输出端将会出现Q=1,称为置1。当S-端的负脉冲消失后,由于门B的输出为0,这个0直接耦合到门A的输入端,因而门A的输出可以保持为1,处于稳定状态,触发器就记忆或存储了数码“1”。这时,若R-在端输入一个负脉冲(或加上低电平“0”),触发器将被置0;负脉冲消失后,触发器会稳定在0状态,记忆或存储了数码“0”。所以说,基本RS触发器是一个记忆单元,具有置0和置1的功能。用两个或非门也能组成一个基本RS触发器(图2),大家可以自己分析。

同学:
基本RS触发器的逻辑功能我已经了解了,可是看不出它和时间顺序有什么关系。
老师:
基本RS触发器虽然具有记忆功能,却不是典型的时序逻辑电路。在数字系统中,为了协调各部分的工作,常常要求某些触发器在接到“命令”后同时动作,也就是要求各触发器状态的转换在时间上保持同步。为了达到这个目的,需要在系统中引入一个公共的同步信号,使各触发器只能在同步信号到达时才按输入信号改变输出状态。人们把这个同步信号叫做时钟脉冲,简称时钟,用CP表示。下面我再画出一个由与非门组成的同步RS触发器(图3)。它是在基本RS触发器的输入端接入了由两个与非门组成的控制门C和D,R为置0输入端,S为置1输入端,门C和门D各有一个输入端彼此相连,作为时钟输入端。现在哪个同学能分析一下它的工作过程?

同学:
当时钟输入端CP为低电平“0”时,根据与非门“有0出1”的功能,门C和门D输出都是1,基本RS触发器状态不变,不接受R端和S端的输入信息。时钟脉冲到来时,CP端由0变1,门C和门D都被解除了封锁,R端和S端的信号通过门C和门D反相后,去触发基本RS触发器。假设R=1、S=0,在时钟脉冲到来(即CP=1)时,会使Q=0、Q-=1,触发器被置“0”;假设R=0、S=1,在CP=1时,触发器被置1。
老师:
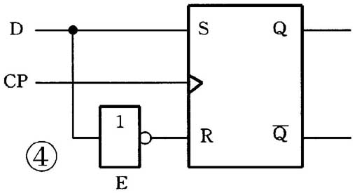
分析得很正确,说明大家对时序逻辑电路的特点已经初步领会了。若在同步RS触发器的两个输入端之间,再增加一个非门E(图4),则R=S-,触发器只有一个输入端,用D表示,就成了D触发器。由于D=S=R
,当D=1时,时钟脉冲过后,Q=1;当D=0时,时钟脉冲过后,Q=0。这就是说,D触发器是在时钟脉冲CP的作用下,把加在输入端D的数据传输到输出端Q,并存储起来。

同学:
您能给我们介绍一下CMOS型D触发器的逻辑电路吗?
老师:
也好,通过它大家可以进一步熟悉时序逻辑电路的分析方法。CMOS型D触发器(图5)是由或非门和传输门组成的。传输门大家可能还不熟悉,它是由一对互补MOS管组合而成(图6)的,两管的源极相连作为输入端,漏极相连作为输出端。两个栅极是一对互补控制端,分别接入控制信号A和A-。P管和N管的衬底分别接电源VDD和地端。传输门的开启和关闭是由互补脉冲控制的,当A=0、=1时,传输门关闭;当A=1、A-=0时,传输门开启。由于传输门的输入端和输出端是对称的,所以它们的源极和漏极能够互换使用,可以任意把其中一个作输入端,另一个作输出端,所以又称它为双向开关。了解了传输门的原理,再分析CMOS型D触发器就会非常简单啦。整个电路可以分作主触发器和从触发器两部分,Rd端和Sd端分别是直接置0端和直接置1端。在存储数据时,Rd=Sd=0,这时,所有的或非门都工作在反相器状态(图7)。现在哪位同学能够分析一下在时钟脉冲作用下触发器是怎么存储数据的?
同学:
时钟脉冲上升沿到来时,CP——=1、=0,于是传输门TG1、TG4开通,TG2、TG3关闭,可以画出等效电路〔图8(a)〕,显而易见,Q1=D-,这样就把D端的信息预先存入了主触发器;时钟脉冲下降沿到来时,CP=0、CP——=1,传输门TG1、TG4关闭,把主触发器的状态锁定,TG2、TG3开通,也可以画出相应的等效电路〔图8(b)〕,可以看出Q=Q1——=D,主触发器把预先存储的D端的信息再存入从触发器,实现了D触发器的逻辑功能。
老师:
很好。画等效电路的方法可以说是分析电路的捷径,往往可以取得事半功倍的效果,大家要逐步学会运用。再回到CMOS型D触发器的逻辑图(图5)上来,如果需要直接置1,你们说怎样才能实现呢?
同学:
触发器设有直接置1端Sd和直接置0端Rd。如果需要直接置1,可以使Sd=1、Rd=0,这时,G1、G4的输出都是0,在时钟脉冲CP=1时,TG4导通,G4的输出经TG4传到G5进行反相后使Q=1;与此同时,G3的两个输入端都是0,输出为1,经G6反相后使=0,触发器被置1。
老师:
你的分析是对的,但是,你只说明了时钟上升沿到来(CP=1)时,触发器置1的过程,那么,当时钟下降沿出现(CP=0)时还能不能保持置1状态呢?这一点我就不讲了,大家回去自己分析吧。
同学:
我们今天组装的“单键触摸式灯开关”(图9),我试着分析了一下,双D触发器CD4013是由220V交流市电经电灯H降压、VD1~VD4整流、C3滤波及VD5稳压变为12V直流来供电的;VD1~VD4又与单向晶闸管VS构成主回路,利用VS的通断控制着电灯的亮灭。但是,两个D触发器的输入端中,D1直接接在电源正端,D2又与Q-2相连,我就看不懂了,您再给我们讲讲吧。
老师:
好。D触发器的应用是非常广泛的,在“单键触发式灯开关”的电路里,两个D触发器接成了不同的单元电路。IC-1接成了单稳态触发器,我们单独画出这部分电路(图10),数据输入端D1接高电平V\(_{DD}\),即D1=1,人手触摸电极片P时,相当于给时钟端CP1输入一个时钟脉冲,使Q1=D1=1,即Q1端为高电平,它通过R3向C2充电,置0端R1的电位随之升高,上升到复位电平时,单稳态触发器的输出Q1又返回低电平0。这样,每触摸一次电极片P,Q1端就输出一个固定宽度的正脉冲,作为IC-2的时钟信号。IC-2接成了双稳态触发器(又叫T‘触发器),我们单独画出它的电路(图11),根据D触发器的逻辑功能,我想还是请一位同学来分析它的工作原理,谁来说说?

同学:
双稳态电路的数据输入端D2=Q2——,假定时钟脉冲没有到来之前(CP2=0),IC-2的状态是Q2=0、Q-2=1,那么在时钟脉冲到来后,Q2=D2=1,Q-2就变成了0,也就是D2端变成了0。再来一个时钟脉冲,Q2将翻转为0。这就说明,双稳态触发器的功能是,每来一个时钟脉冲,Q2端的状态就改变一次。我说得不知道对不对?
老师:
对。学习电子技术没有窍门,主要是大胆实践,刻苦学习和独立思考,培养分析问题和解决问题的能力。现在,请同学们自己讲述一下通过单键触摸实现电灯开关的过程。
同学:
用手触摸电极片P,每触摸一次,IC-1就发出一个正脉冲,用它作为IC-2的时钟CP2,使CP2的Q2端由0变1,又由1变0。当Q2为高电平1时,晶闸管VS触发导通灯H点亮;当Q2为低电平“0”时,交流电过零瞬间,晶闸管VS自行关断,灯H熄灭。
老师:
很好。今天大家收获不小。下一次活动,再继续学习JK触发器的原理和应用。
(宋东生)
