在实验和科研中,有时我们需要一些波形较为复杂的信号,并且信号的波形还能根据实际需要进行改变。本文向大家介绍一种利用光敏电阻和负反馈原理制作的任意波形信号发生器。
如图1所示,把光敏电阻固定于铝罩的中心,以保证可以接受示波器任何位置的光点,再将黑纸切割成所需的波形铺在示波器屏幕上。铝罩应根据示波器的形状和大小制作,以避免外界杂散光的干扰。要求光敏电阻的光照特性具有良好的线性,可选用硫化铅(PbS)光敏电阻。

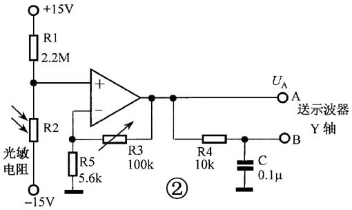
图2为屏幕亮度监示与光点垂直移动的驱动电路。假设光点原处于P1点,由于较强的入射光使光敏电阻的阻值减小到几百欧姆,这时运算放大器(F007)的同相输入端为负电位,输出端也是负电位。运放的输出(也是本函数发生器的输出)驱动示波器的垂直输入端,使光点的位置垂直下降到P2点,这就导致对光敏电阻的光照变弱,阻值升高,使运放同相输入端的电位变正,输出也变正,光点上升,在P2点上下波动。

由于负反馈的结果,光点就会收敛停留在使R1=R2的P点,当然,光点同时还在水平方向从左向右移动着,由于电路使光点沿着掩膜的上边缘移动,故而能产生按照掩膜切割的函数波形输出〔见图3(a)〕。为了获得平滑的输出电压〔图3(b)〕,电路中加了由R4、C组成的低通滤波器。输出电压幅度可以通过调节示波器的垂直幅度旋钮在一定范围内进行调整。如果要使输出电压幅度较大,可以在图2所示的驱动电路中增加放大电路进行级联,但不能破坏负反馈链。

用以上方法可以得到500Hz以下的任意波形的信号。
(屈辉立)