编者按:为了普及电子技术知识,培养青少年的动手能力,提高青少年的科技素质,《无线电》杂志社、中国教育电视台、广东顺德市德利发科普教育活动中心在CETV-1“我想知道”专栏推出一讲“金属探测器”,由北京宣武区青少年科技馆特级教师、北京市有突出贡献的专家孙心若老师进行讲解。CETV-1首播时间为6月6日下午5:12;重播时间为6月10日下午5:12。为配合讲解,《无线电》杂志刊出“金属探测器”全文。广东顺德市德利发科普教育活动中心负责供应“金属探测器”全部套件。欢迎广大青少年朋友届时收看这套节目并参阅本文。积极参加“金属探测器”的制作活动。5
谈
起金属探测器,人们就会联想到
探雷器,工兵用它来探测掩埋的地雷。金属探测器是一种专门用来探测金属的仪器,除了用于探测有金属外壳或金属部件的地雷之外,还可以用来探测隐蔽在墙壁内的电线、埋在地下的水管和电缆,甚至能够地下探宝,发现埋藏在地下的金属物体。金属探测器还可以作为开展青少年国防教育和科普活动的用具,当然也不失为是一种有趣的娱乐玩具。本文根据德利发科普教育活动中心开发的金属探测器套件,介绍有关电路工作原理、部件组装和金属探测器的使用方法,供青少年电子爱好者动手实践时参考。制成的金属探测器外形见题图,它由探测碟、可伸缩的探测杆、手柄等组成。手柄上附有可调节探测灵敏度的旋钮兼电源开关,内部装有电路、扬声器和电池,手柄内电路通过缠绕在探测杆上面的电缆线与探测碟内电路相连。当内部装有感应线圈的探测碟靠近金属物体时,扬声器就会发出叫声,探测金属时具有较高的灵敏度。
电路工作原理
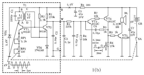
高频振荡器
高频振荡器由三极管VT1和高频变压器T1等组成,是一种变压器反馈型LC振荡器。T1的初级线圈L1和电容器C1组成LC并联振荡回路,其振荡频率约200kHz,由L1的电感量和C1的电容量决定。T1的次级线圈L2作为振荡器的反馈线圈,其“C”端接振荡管VT1的基极,“D”端接VD2。由于VD2处于正向导通状态,对高频信号来说,“D”端可视为接地。在高频变压器T1中,如果“A”和“D”端分别为初、次级线圈绕线方向的首端,则从“C”端输入到振荡管VT1基极的反馈信号,能够使电路形成正反馈而产生自激高频振荡。振荡器反馈电压的大小与线圈L1、L2的匝数比有关,匝数比过小,由于反馈太弱,不容易起振,过大引起振荡波形失真,还会使金属探测器灵敏度大为降低。
振荡管VT1的偏置电路由R2和二极管VD2组成,R2为VD2的限流电阻。由于二极管正向阈值电压恒定(约0.7V),通过次级线圈L2加到VT1的基极,以得到稳定的偏置电压。显然,这种稳压式的偏置电路能够大大增强VT1高频振荡器的稳定性。为了进一步提高金属探测器的可靠性和灵敏度,高频振荡器通过稳压电路供电,其电路由稳压二极管VD1、限流电阻器R6和去耦电容器C5组成。振荡管VT1发射极与地之间接有两个串联的电位器,具有发射极电流负反馈作用,其电阻值越大,负反馈作用越强,VT1的放大能力也就越低,甚至于使电路停振。RP1为振荡器增益的粗调电位器,RP2为细调电位器。
高频振荡器探测金属的原理
调节高频振荡器的增益电位器,恰好使振荡器处于临界振荡状态,也就是说刚好使振荡器起振。当探测线圈L1靠近金属物体时,由于电磁感应现象,会在金属导体中产生涡电流,使振荡回路中的能量损耗增大,正反馈减弱,处于临界态的振荡器振荡减弱,甚至无法维持振荡所需的最低能量而停振。如果能检测出这种变化,并转换成声音信号,根据声音有无,就可以判定探测线圈下面是否有金属物体了。
振荡检测器
振荡检测器由三极管开关电路和滤波电路组成。开关电路由三极管VT2、二极管VD2等组成,滤波电路由滤波电阻器R3,滤波电容器C2、C3和C4组成。在开关电路中,VT2的基极与次级线圈L2的“C”端相连,当高频振荡器工作时,经高频变压器T1耦合过来的振荡信号,正半周使VT2导通,VT2集电极输出负脉冲信号,经过π型RC滤波器,在负载电阻器R4上输出低电平信号。当高频振荡器停振荡时,“C”端无振荡信号,又由于二极管VD2接在VT2发射极与地之间,VT2基极被反向偏置,VT2处于可靠的截止状态,VT2集电极为高电平,经过滤波器,在R4上得到高电平信号。由此可见,当高频振荡器正常工作时,在R4上得到低电平信号,停振时,为高电平,由此完成了对振荡器工作状态的检测。
音频振荡器
音频振荡器采用互补型多谐振荡器,由三极管VT3、VT4,电阻器R5、R7、R8和电容器C6组成。互补型多谐振荡器采用两只不同类型的三极管,其中VT3为NPN型三极管,VT4为PNP型三极管,连接成互补的、能够强化正反馈的电路。在电路工作时,它们能够交替地进入导通和截止状态,产生音频振荡。R7既是VT3负载电阻器,又是VT3导通时VT4基极限流电阻器。R8是VT4集电极负载电阻器,振荡脉冲信号由VT4集电极输出。R5和C6等是反馈电阻器和电容器,其数值大小影响振荡频率的高低。
互补型多谐振荡器的工作原理
接通电源时,由于VT3基极接有偏置电阻器R1、R3而被正向偏置,假设VT3集电极电流处于上升阶段,VT4基极电流随之上升,导致VT4集电极电流剧增,VT4集电极电位随之迅速升高,由VT4输出的电流通过与之相连的R5向C6充电,流经VT3的基极入地,又导致VT3基极电流进一步升高。如此反复循环,强烈的正反馈使得VT3、VT4迅速进入饱和导通状态,VT4集电极处于高电平,使多谐振荡器进入第一个暂稳态过程。随着电源通过饱和导通的VT4经R5向C6充电,当VT3基极电流下降到一定程度时,VT3退出饱和导通状态,集电极电流开始减小,导致VT4集电极电流减小,VT4集电极电位下降,这一过程又进一步加剧了向C6充电电流迅速减小,VT3基极电位急剧降低而使VT3截止,VT4集电极迅速跌至低电平,多谐振荡器翻转到第二个暂稳态。多谐振荡器刚进入第二暂稳态时,先前向C6充电的结果,其电容器右端为正,左端为负,现在C6右端对地为低电平,由于电容器C6两端电压不能跃变,故VT3基极被C6左端负电位强烈反向偏置,使两只三极管在较长时间继续保持截止状态。在C6放电时,电流从电容器右端流出,主要流经R5、(R8)、R9、VT5发射结入地,又经过电源、R6、R1、R3流回电容器C6左端。直到C6放电结束,电源继续通过上述回路开始对C6反向充电,C6左端为正。当C6两端的电位上升至0.7V,VT3开始进入导通状态,经过强烈正反馈,迅速进入饱和导通状态,使电路再次发生翻转,重复先前的暂稳态过程,如此周而复始,电路产生自激多谐振荡。从电路工作过程可以看出,向C6充电时,充电电阻器R5电阻值较小,因此充电过程较快,电路处在饱和导通状态时间很短;而在C6放电时,需要流经许多有关电阻器,放电电阻器总的数值较大,因而放电过程较慢,也就是说电路处于截止时间较长。因此,从VT4集电极输出波形占空比很大,正脉冲信号的脉宽很窄,如图1(b)中音频波形所示,其振荡频率约330Hz 。
功率放大器
功率放大器由三极管VT5、扬声器BL等组成。从多谐振荡器输出的正脉冲音频信号经限流电阻器R9输入到VT5的基极,使其导通,在BL产生瞬时较强的电流,驱动扬声器发声。由于VT5处于开关工作状态,而导通时间又非常短,因此功率放大器非常省电,可以利用9V积层电池供电。
线路板的焊接与调试
金属探测器印制线路板图见图2(a)和图2(b)。图2(b)为898B板图,是图1电原理图中虚线框内电路的印制线路板图,安装有高频振荡器、振荡检测器有关的元器件;余下部分在图2(a)的898A板上。图2(a)、2(b)实线部分显示的是印制线路板的插元件面,图中阴影部分为板底的铜箔条,是透过插元件面观看的,焊接面的铜箔条实际位置恰好反转180°,这种图示方法能够避免初学者不插错元器件。

焊接前,整理和检测一下元器件,特别要注意识别电阻器的色环,例如1kΩ和10kΩ、2.7kΩ和27kΩ中红色环和橙色环的区分,270kΩ中紫色环的识别。二极管1N4148及稳压二极管有标志环的一端为负极,VD1稳定电压5.6V,可选用2CW54(5.5~6.5V)。此外,还要区分好三极管的型号和管脚极性,VT1~VT3选用9014,VT4为9015,VT5为9013,其中VT4是PNP型三极管,不要与其他的三极管混淆。
焊接时,将印制线路板铜箔条(焊接面)向下,插元件面上的小孔位置与图2(a)和图2(b)一致,再按图1电路图中数值选择好元器件,依次插入电阻器、二极管至相应孔中,见图2(c) 。然后再将板的焊接面翻转向上,便于焊接,如图2(d)所示。按上述同样步骤,再焊接电容器和三极管。

图2(e)为金属探测器电路总接线图,表明两块电路板、外围元器件──包括振荡线圈、电缆线、电位器、扬声器和电池夹之间的接线关系,现分别介绍如下。

焊接振荡线圈时,首先要区分出初、次级线圈的首端和尾端,见图3(a) 。其中,A—B之间为初级线圈,“A”为首端,漆包线的颜色为黄色;C—D之间为次级线圈,“D”为首端,漆包线为红色或线头粘贴有胶纸记号。需要自制线圈时,在直径120mm圆筒上,用标称直径0.315~0.355mm(最大外径约0.4mm)的漆包线(聚氨酯漆包线圆铜线)绕制,初级线圈27匝,次级9匝。振荡线圈各端与898B板上焊盘孔所标的英文字母一一对应后焊好,再把4芯电话电缆线的黄色、白色、绿色和红色线头分别与898B板所标“1”~“4”的焊盘孔相焊接,然后将线圈嵌入探测碟底沟槽内,在缠绕有胶纸线圈的位置上涂上万能胶或用蜡封牢,将电路板卡进碟底长方形盒内,见图3(b)探测碟电路装配图。最后把电缆线从探测碟盖面上圆孔穿出,把探测碟盖面扣在碟底上,待总体测试完毕且工作正常后,再用胶粘牢。

焊接电位器、扬声器等时,先按总接线图中接线的编号,在零件一览表(本文省略)中查出它们所用导线的颜色和长度,并将它们与电位器、扬声器已经搪上一层焊锡的焊片焊牢,见图4(a)和图4(b)。图4(a)中9V电池夹的黑线端焊接在带开关电位器(330Ω)RP2的开关焊片上,开关的另一端通过裸导线(剪下的元件管脚引线代替)与RP2的滑动触头端相连后,再通过标有“36”号码的导线与898A板标有“6”的焊盘焊牢。电池夹的红线端直接焊在898A板上注有“电池夹+”的焊盘上。4芯电话电缆同898B板一样,对号焊接,即两块电路板通过电缆线把号码相同的焊盘连通。余下部分,总接线图中已标明清楚,不再赘述。
电路初测步骤如下:在核实电路板外围接线无误后,先不要装电池,用万用表欧姆挡黑表笔接电池卡正极红线,红表笔接黑线,接通电源开关后,测量电池卡两端的电阻值约10kΩ,不应出现断路(电阻值无穷大)和短路(电阻值为0)的现象。然后把电池卡扣在9V积层电池上,将灵敏度细调电位器RP2旋到中间位置,再旋转RP1,使扬声器发出的音频叫声停止,将振荡线圈靠近金属物体,叫声又起,说明金属探测器电路工作正常。
部件总体安装
手柄的安装图见图5(a)、图5(b)。图5(a)所示的是手柄的底壳,壳内有4个平行的胶柱是为固定898A板用的,扬声器安装在带有百叶窗的圆形扬声器窗口上。安装扬声器时,先在窗口周边涂上万能胶薄层,将扬声器纸盆冲下轻压并左右旋转,使胶水涂布均匀,并使扬声器引线端正对电路板,在扬声器边缘再添加适量胶水,待干后再翻动手柄底壳。图5B为手柄的面盖,安装有带开关的电位器及电池卡。两只灵敏度调节电位器分别安装在手柄壳底、盖尖端的圆洞中,圆洞边缘上有两个定位的小胶柱,正好穿过电位器固定片上的两个大孔,用电烙铁头把小胶柱头烫软,再用小十字改锥头按压,待其冷却后,小胶柱头就会像钉帽一样把电位器固定在手柄上。圆旋钮用φ1.7mm螺丝固定在电位器的旋轴上,旋钮牌用胶水粘在灵敏度调节电位器旋钮上。注有“TUNING”旋钮牌应粘在粗调电位器RP1(5kΩ)旋钮上,“FINE TUNING”粘在细调电位器RP2(330Ω)旋钮上。手柄的总体安装图见图6。
金属探测器总体安装包括探测碟、探测杆和手柄之间的连接。探测杆(胶通管)的组装见图7(a)。探测杆主体是可伸缩的套管,标号“47”是直径较大的胶外通,“46”是直径较小的胶内通,胶外通恰好套在胶内通上,可以进行抽拉。胶外通的一端开有两个大圆孔,可以卡在手柄内相应的胶柱上,另一端有两个较小的方孔,把标号“50”的丝母胶套套上,旋转丝母胶套,使套内方形梢正好卡入方孔而固定。黑软胶套“49”塞入胶内通有圆孔的一端,使圆孔对齐,以备固定探测碟。胶内通另一端套入带有螺纹丝母胶套的一端,最后再将无螺扣的丝母胶套“51”和内部有螺丝扣的黑胶通“48”按图7(a)所示套入,旋紧黑胶通,可以将能够拉伸的胶内、外通锁住。探测碟与探测杆的连接见图7(b),利用长螺丝、圆垫片(介子)和元宝螺母(蝶母)固定锁紧。探测碟引出的4芯电话电缆线顺势缠绕在探测杆上,引入手柄内,并利用胶通管把电缆线压紧,见图8总体安装图。



在检测导线焊接牢固、电路工作正常后,进行总体安装最后一步──上手柄螺丝,先上中间,后上外面螺丝,如图9所示。在电池盒内,垫有一块软泡沫塑料(海绵),盖上电池门后,可以防止积层电池晃动。电池采用积层式干电池6F22,标称电压9V,电池上面有按扣,可以与电池夹相扣。
金属探测器调整与使用方法
金属探测器电路除了灵敏度调节电位器外,没有调整部分,只要焊接无误,电路就能正常工作。整机在静态,也就是扬声器不发声时,总电流约为10mA,探测到金属扬声器发出声音时,整机电流上升到20mA。一个新的积层电池可以工作20~30小时。
新焊接的金属探测器如果不能正常工作,首先要检查电路板上各元器件、接线焊接是否有误,再测量电池电压及供电回路是否正常,稳压二极管VD1稳定电压5.5~6.5V之间,VD2极性不要焊反。探测碟内振荡线圈初次级及首尾端不要焊错。
金属探测器使用前,需要调整探测杆的长度,只要将黑胶通旋松,推拉胶通套管至适宜的长度,再旋转胶内通管,使电缆线绕紧,并使手柄尖端朝上,最后将黑胶通旋紧,锁住胶通套管。这样,手握探测器手柄时,大拇指正好紧挨灵敏度调节电位器。
调整金属探测器灵敏度时,探测碟(振荡线圈)要远离金属,包括带铝箔的纸张,然后旋转灵敏度细调电位器旋钮(FINE TUNING)打开电源开关,并旋转到一半的位置,再调节粗调电位器旋钮(TUNING),使扬声器音频叫声停止,最后再微调细调电位器,使扬声器叫声刚好停止,这时金属探测器的灵敏度最高。用金属探测器探测金属时,只要探测碟靠近任何金属,扬声器便会发出声音,远离到一定位置叫声自动停止。
本文所介绍的金属探测器有较高的灵敏度,用它探测大块金属时,探测碟距金属物体20cm扬声器就会发出声音,小到曲别针,甚至一枚大头针都能检测到,只是探测碟线圈必须紧靠细小金属物体。由于金属探测器利用振荡线圈的电磁感应来探测金属物体,可以透过非金属物体,比如纸张、木材、塑料、砖石、土壤、甚至水层,探测到被遮盖的的金属物体,因此具有实用性,比如在装修房屋时,用它探测到墙内的电线或钢筋,以免造成施工危险和安全隐患;又如安检用的金属探测器就是根据这个原理制成的。然而,本文所介绍的金属探测器由于探测距离有限,不能探测到深埋的金属物体,而且潮湿土壤的导电性又增加了振荡电能的损耗,使探测分辨率大为降低。
德利发科普教育活动中心供应本文介绍的898K型金属探测器套件35元/套,另有128K型金属探测器15元/套,邮费10元/套(10套以上邮费8折)。邮购地址:(528308)广东顺德市伦教镇永丰管理区三岩岗。电话/传真:0765-7832612。
(孙心若)

